ZHCSTM5 October   2023 TPS25730

PRODUCTION DATA  

  1.   1
  2. 特性
  3. 应用
  4. 说明
  5. Device Comparison Table
  6. Pin Configuration and Functions
  7. Specifications
    1. 6.1  Absolute Maximum Ratings
      1. 6.1.1 TPS25730D and TPS25730S - Absolute Maximum Ratings
      2. 6.1.2 TPS25730D - Absolute Maximum Ratings
      3. 6.1.3 TPS25730S - Absolute Maximum Ratings
    2. 6.2  ESD Ratings
    3. 6.3  Recommended Operating Conditions
      1. 6.3.1 TPS25730D - Recommended Operating Conditions
      2. 6.3.2 TPS25730S - Recommended Operating Conditions
    4. 6.4  Recommended Capacitance
    5. 6.5  Thermal Information
      1. 6.5.1 TPS25730D - Thermal Information
      2. 6.5.2 TPS25730S - Thermal Information
    6. 6.6  Power Supply Characteristics
    7. 6.7  Power Consumption
    8. 6.8  PPHV Power Switch Characteristics - TPS25730D
    9. 6.9  PP_EXT Power Switch Characteristics - TPS25730S
    10. 6.10 Power Path Supervisory
    11. 6.11 CC Cable Detection Parameters
    12. 6.12 CC PHY Parameters
    13. 6.13 Thermal Shutdown Characteristics
    14. 6.14 ADC Characteristics
    15. 6.15 Input/Output (I/O) Characteristics
    16. 6.16 I2C Requirements and Characteristics
    17. 6.17 Typical Characteristics
  8. Parameter Measurement Information
  9. Detailed Description
    1. 8.1 Overview
    2. 8.2 Functional Block Diagram
    3. 8.3 Feature Description
      1. 8.3.1  USB-PD Physical Layer
        1. 8.3.1.1 USB-PD Encoding and Signaling
        2. 8.3.1.2 USB-PD Bi-Phase Marked Coding
        3. 8.3.1.3 USB-PD BMC Transmitter
        4. 8.3.1.4 USB-PD BMC Receiver
        5. 8.3.1.5 Squelch Receiver
      2. 8.3.2  Power Management
        1. 8.3.2.1 Power-On And Supervisory Functions
        2. 8.3.2.2 VBUS LDO
      3. 8.3.3  Power Paths
        1. 8.3.3.1 TPS25730D Internal Sink Path
        2. 8.3.3.2 TPS25730S - External Sink Path Control PP_EXT
      4. 8.3.4  Cable Plug and Orientation Detection
      5. 8.3.5  Overvoltage Protection (CC1, CC2)
      6. 8.3.6  Default Behavior Configuration (ADCIN1, ADCIN2)
      7. 8.3.7  ADC
      8. 8.3.8  Digital Interfaces
      9. 8.3.9  Digital Core
      10. 8.3.10 I2C Interface
        1. 8.3.10.1 I2C Interface Description
          1. 8.3.10.1.1 I2C Clock Stretching
          2. 8.3.10.1.2 Unique Address Interface
          3. 8.3.10.1.3 Pin Strapping to Configure Default Behavior
      11. 8.3.11 Minimum Voltage Configuration
      12. 8.3.12 Maximum Voltage Configuration
      13. 8.3.13 Sink Current Configuration
      14. 8.3.14 Autonegotiate Sink Minimum Power
      15. 8.3.15 Extended Sink Capabilities Power Delivery Power
    4. 8.4 Device Functional Modes
      1. 8.4.1 Power States
    5. 8.5 Schottky for Current Surge Protection
    6. 8.6 Thermal Shutdown
  10. Application and Implementation
    1. 9.1 Application Information
      1. 9.1.1 Supported Sink Power Configurations
    2. 9.2 Typical Application
      1. 9.2.1 Design Requirements
      2. 9.2.2 Detailed Design Procedure
      3. 9.2.3 Application Curves
    3. 9.3 Power Supply Recommendations
      1. 9.3.1 3.3-V Power
        1. 9.3.1.1 VIN_3V3 Input Switch
      2. 9.3.2 1.5-V Power
      3. 9.3.3 Recommended Supply Load Capacitance
    4. 9.4 Layout
      1. 9.4.1 TPS25730D - Layout
        1. 9.4.1.1 Layout Guidelines
          1. 9.4.1.1.1 Top Placement and Bottom Component Placement and Layout
        2. 9.4.1.2 Layout Example
        3. 9.4.1.3 Component Placement
        4. 9.4.1.4 Routing VBUS, VIN_3V3, LDO_3V3, LDO_1V5
        5. 9.4.1.5 Routing CC and GPIO
      2. 9.4.2 TPS25730S - Layout
        1. 9.4.2.1 Layout Guidelines
          1. 9.4.2.1.1 Top Placement and Bottom Component Placement and Layout
        2. 9.4.2.2 Layout Example
        3. 9.4.2.3 Component Placement
        4. 9.4.2.4 Routing VBUS, PPHV, VIN_3V3, LDO_3V3, LDO_1V5
        5. 9.4.2.5 Routing CC and GPIO
  11. 10Device and Documentation Support
    1. 10.1 Device Support
      1. 10.1.1 第三方产品免责声明
    2. 10.2 Documentation Support
      1. 10.2.1 Related Documentation
    3. 10.3 接收文档更新通知
    4. 10.4 支持资源
    5. 10.5 Trademarks
    6. 10.6 静电放电警告
    7. 10.7 术语表
  12. 11Revision History
  13. 12Mechanical, Packaging, and Orderable Information

封装选项

机械数据 (封装 | 引脚)
散热焊盘机械数据 (封装 | 引脚)
订购信息

Power Management

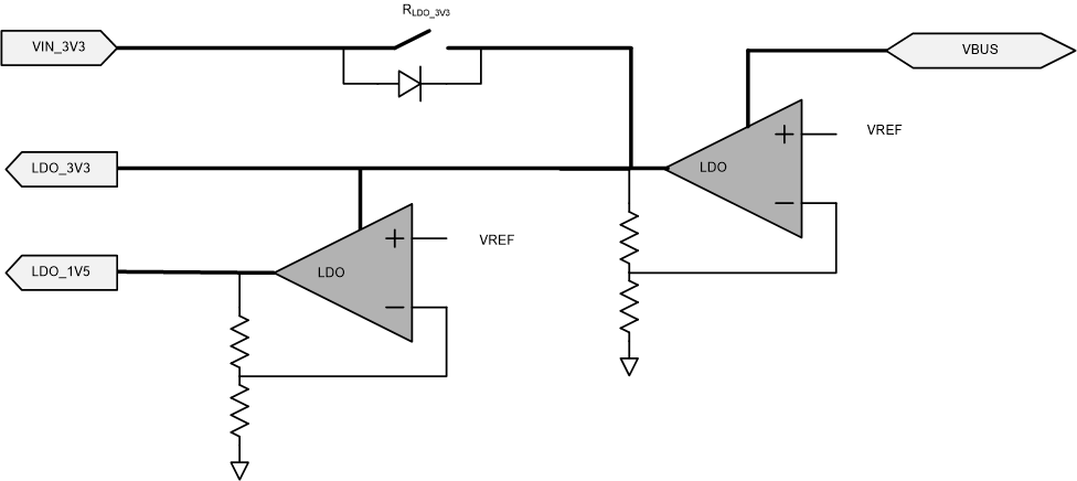
The TPS25730 power management block receives power and generates voltages to provide power to the TPS25730 internal circuitry. These generated power rails are LDO_3V3 and LDO_1V5. LDO_3V3 can also be used as a low power output for external EEPROM memory. The power supply path is shown in Figure 8-11.

GUID-0F78F003-5EA9-475E-8C1B-DF20B9D9CF55-low.gifFigure 8-11 Power Supplies

The TPS25730 is powered from either VIN_3V3 or VBUS. The normal power supply input is VIN_3V3. When powering from VIN_3V3, current flows from VIN_3V3 to LDO_3V3 to power the core 3.3-V circuitry and I/Os. A second LDO steps the voltage down from LDO_3V3 to LDO_1V5 to power the 1.5-V core digital circuitry. When VIN_3V3 power is unavailable and power is available on VBUS, it is referred to as the dead-battery start-up condition. In a dead-battery start-up condition, the TPS25730 opens the VIN_3V3 switch until the host clears the dead-battery flag through I2C. Therefore, the TPS25730 is powered from the VBUS input with the higher voltage during the dead-battery start-up condition and until the dead-battery flag is cleared. When powering from a VBUS input, the voltage on VBUS is stepped down through an LDO to LDO_3V3.