ZHCSPU9B February   2024  – October 2025 TCAN1575-Q1 , TCAN1576-Q1

PRODUCTION DATA  

  1.   1
  2. 特性
  3. 应用
  4. 说明
  5. 器件比较表
  6. 引脚配置和功能
  7. 规格
    1. 6.1 绝对最大额定值
    2. 6.2 ESD 等级
    3. 6.3 建议运行条件
    4. 6.4 热性能信息
    5. 6.5 电源特性
    6. 6.6 电气特性
    7. 6.7 时序要求
    8. 6.8 开关特性
    9. 6.9 典型特性
  8. 参数测量信息
  9. 详细说明
    1. 8.1 概述
    2. 8.2 功能方框图
    3. 8.3 特性说明
      1. 8.3.1  VSUP 引脚
      2. 8.3.2  VIO 引脚
      3. 8.3.3  VCC 引脚
      4. 8.3.4  GND 引脚
      5. 8.3.5  INH/LIMP 引脚
      6. 8.3.6  WAKE 引脚
      7. 8.3.7  TXD 引脚
      8. 8.3.8  RXD 引脚
      9. 8.3.9  SDO 或 nINT 中断引脚
      10. 8.3.10 nCS 引脚
      11. 8.3.11 SCK
      12. 8.3.12 SDI
      13. 8.3.13 CANH 和 CANL 总线引脚
      14. 8.3.14 CAN FD SIC 收发器
    4. 8.4 器件功能模式
      1. 8.4.1 正常模式
      2. 8.4.2 待机模式
      3. 8.4.3 仅监听模式
      4. 8.4.4 睡眠模式
        1. 8.4.4.1 在待机模式下通过 RXD 请求进行总线唤醒 (BWRR)
        2. 8.4.4.2 通过 WAKE 输入端子实现本地唤醒 (LWU)
      5. 8.4.5 选择性唤醒
        1. 8.4.5.1 选择性唤醒模式
        2. 8.4.5.2 帧检测
        3. 8.4.5.3 唤醒帧 (WUF) 验证
        4. 8.4.5.4 WUF ID 验证
        5. 8.4.5.5 WUF DLC 验证
        6. 8.4.5.6 WUF 数据验证
        7. 8.4.5.7 帧错误计数器
        8. 8.4.5.8 CAN FD 帧容差
      6. 8.4.6 失效防护特性
        1. 8.4.6.1 通过睡眠唤醒错误实现睡眠模式
        2. 8.4.6.2 失效防护模式
      7. 8.4.7 保护特性
        1. 8.4.7.1 驱动器和接收器功能
        2. 8.4.7.2 悬空端子
        3. 8.4.7.3 TXD 显性超时 (DTO)
        4. 8.4.7.4 CAN 总线短路电流限制
        5. 8.4.7.5 热关断
        6. 8.4.7.6 欠压锁定 (UVLO) 与未供电器件
          1. 8.4.7.6.1 UVSUP、UVCC
          2. 8.4.7.6.2 UVIO
            1. 8.4.7.6.2.1 故障行为
        7. 8.4.7.7 看门狗(TCAN1576-Q1)
          1. 8.4.7.7.1 看门狗错误计数器
          2. 8.4.7.7.2 看门狗 SPI 控制编程
            1. 8.4.7.7.2.1 看门狗配置寄存器锁定和解锁
          3. 8.4.7.7.3 看门狗计时
          4. 8.4.7.7.4 问答看门狗
            1. 8.4.7.7.4.1 WD 问答基本信息
            2. 8.4.7.7.4.2 问答寄存器和设置
            3. 8.4.7.7.4.3 WD 问答值生成
              1. 8.4.7.7.4.3.1 应答比较
              2. 8.4.7.7.4.3.2 2 位看门狗应答计数器的序列
            4. 8.4.7.7.4.4 问答 WD 示例
              1. 8.4.7.7.4.4.1 所需行为的示例配置
              2. 8.4.7.7.4.4.2 执行问答序列的示例
      8. 8.4.8 总线故障检测和通信(TCAN1576-Q1)
    5. 8.5 编程
      1. 8.5.1 SPI 通信
        1. 8.5.1.1 芯片选择非 (nCS):
        2. 8.5.1.2 SPI 时钟输入 (SCK):
        3. 8.5.1.3 SPI 串行数据输入 (SDI):
        4. 8.5.1.4 SPI 串行数据输出 (SDO):
  10. 应用信息免责声明
    1. 9.1 应用信息
      1. 9.1.1 信号改善功能 (SIC)
      2. 9.1.2 CAN 终端
        1. 9.1.2.1 终端
        2. 9.1.2.2 CAN 总线偏置
    2. 9.2 典型应用
      1. 9.2.1 设计要求
      2. 9.2.2 详细设计过程
        1. 9.2.2.1 欠压
      3. 9.2.3 应用曲线
    3. 9.3 电源相关建议
    4. 9.4 布局
      1. 9.4.1 布局指南
      2. 9.4.2 布局示例
  11. 10寄存器
    1. 10.1 寄存器映射
      1. 10.1.1  DEVICE_ID_y 寄存器(地址 = 0h + 公式)[复位 = 值]
      2. 10.1.2  REV_ID_MAJOR 寄存器(地址 = 8h)[复位 = 00h]
      3. 10.1.3  REV_ID_MINOR 寄存器(地址 = 9h)[复位 = 01h]
      4. 10.1.4  SPI_RSVD_x 寄存器(地址 = Ah + 公式)[复位 = 00h]
      5. 10.1.5  Scratch_Pad_SPI 寄存器(地址 = Fh)[复位 = 00h]
      6. 10.1.6  MODE_CNTRL 寄存器(地址 = 10h)[复位 = 04h]
      7. 10.1.7  WAKE_PIN_CONFIG 寄存器(地址 = 11h)[复位 = 4h]
      8. 10.1.8  PIN_CONFIG 寄存器(地址 = 12h)[复位 = 00h]
      9. 10.1.9  WD_CONFIG_1 寄存器(地址 = 13h)[复位 = 15h]
      10. 10.1.10 WD_CONFIG_2 寄存器(地址 = 14h)[复位 = 02h]
      11. 10.1.11 WD_INPUT_TRIG 寄存器(地址 = 15h)[复位 = 00h]
      12. 10.1.12 WD_RST_PULSE 寄存器(地址 = 16h)[复位 = 07h]
      13. 10.1.13 FSM_CONFIG 寄存器(地址 = 17h)[复位 = 00h]
      14. 10.1.14 FSM_CNTR 寄存器(地址 = 18h)[复位 = 00h]
      15. 10.1.15 DEVICE_RST 寄存器(地址 = 19h)[复位 = 00h]
      16. 10.1.16 DEVICE_CONFIG1 寄存器(地址 = 1Ah)[复位 = 00h]
      17. 10.1.17 DEVICE_CONFIG2 寄存器(地址 = 1Bh)[复位 = 0h]
      18. 10.1.18 SWE_EN 寄存器(地址 1Ch)[复位 = 04h]
      19. 10.1.19 SDO_CONFIG 寄存器(地址 = 29h)[复位 = 00h]
      20. 10.1.20 WD_QA_CONFIG 寄存器(地址 = 2Dh)[复位 = 00h]
      21. 10.1.21 WD_QA_ANSWER 寄存器(地址 = 2Eh)[复位 = 00h]
      22. 10.1.22 WD_QA_QUESTION 寄存器(地址 = 2Fh)[复位 = 3Ch]
      23. 10.1.23 SW_ID1 寄存器(地址 = 30h)[复位 = 00h]
      24. 10.1.24 SW_ID2 寄存器(地址 = 31h)[复位 = 00h]
      25. 10.1.25 SW_ID3 寄存器(地址 = 32h)[复位 = 00h]
      26. 10.1.26 SW_ID4 寄存器(地址 = 33h)[复位 = 00h]
      27. 10.1.27 SW_ID_MASK1 寄存器(地址 = 34h)[复位 = 00h]
      28. 10.1.28 SW_ID_MASK2 寄存器(地址 = 35h)[复位 = 00h]
      29. 10.1.29 SW_ID_MASK3 寄存器(地址 = 36h)[复位 = 00h]
      30. 10.1.30 SW_ID_MASK4 寄存器(地址 = 37h)[复位 = 00h]
      31. 10.1.31 SW_ID_MASK_DLC 寄存器(地址 = 38h)[复位 = 00h]
      32. 10.1.32 DATA_y 寄存器(地址 = 39h + 公式)[复位 = 00h]
      33. 10.1.33 SW_RSVD_y 寄存器(地址 = 41h + 公式)[复位 = 00h]
      34. 10.1.34 SW_CONFIG_1 寄存器(地址 = 44h)[复位 = 50h]
      35. 10.1.35 SW_CONFIG_2 寄存器(地址 = 45h)[复位 = 00h]
      36. 10.1.36 SW_CONFIG_3 寄存器(地址 = 46h)[复位 = 1Fh]
      37. 10.1.37 SW_CONFIG_4 寄存器(地址 = 47h)[复位 = 00h]
      38. 10.1.38 SW_CONFIG_RSVD_y 寄存器(地址 = 48h + 公式)[复位 = 00h]
      39. 10.1.39 DEVICE_CONFIGx 寄存器(地址 = 4Bh)[复位 = 0h]
      40. 10.1.40 INT_GLOBAL 寄存器(地址 = 50h)[复位 = 00h]
      41. 10.1.41 INT_1 寄存器(地址 = 51h)[复位 = 00h]
      42. 10.1.42 INT_2 寄存器(地址 = 52h)[复位 = 40h]
      43. 10.1.43 INT_3 寄存器(地址 = 53h)[复位 = 00h]
      44. 10.1.44 INT_CANBUS 寄存器(地址 = 54h)[复位 = 00h]
      45. 10.1.45 INT_GLOBAL_ENABLE(地址 = 55h)[复位 = 00h]
      46. 10.1.46 INT_ENABLE_1 寄存器(地址 = 56h)[复位 = FFh]
      47. 10.1.47 INT_ENABLE_2 寄存器(地址 = 57h)[复位 = 1Fh]
      48. 10.1.48 INT_ENABLE_3 寄存器(地址 = 58h)[复位 = 0h]
      49. 10.1.49 INT_ENABLE_CANBUS 寄存器(地址 = 59h)[复位 = 7Fh]
      50. 10.1.50 INT_RSVD_y 寄存器(地址 = 5Ah + 公式)[复位 = 00h]
  12. 11器件和文档支持
    1. 11.1 文档支持
      1. 11.1.1 CAN 收发器物理层标准:
      2. 11.1.2 EMC 要求:
      3. 11.1.3 符合性测试要求:
      4. 11.1.4 相关文档
    2. 11.2 接收文档更新通知
    3. 11.3 支持资源
    4. 11.4 商标
    5. 11.5 静电放电警告
    6. 11.6 术语表
  13. 12修订历史记录
  14. 13机械、封装和可订购信息

封装选项

机械数据 (封装 | 引脚)
散热焊盘机械数据 (封装 | 引脚)
订购信息

参数测量信息

TCAN1575-Q1 TCAN1576-Q1 总线状态(物理位表示)图 7-1 总线状态(物理位表示)
TCAN1575-Q1 TCAN1576-Q1 简化的隐性共模偏置单元和接收器图 7-2 简化的隐性共模偏置单元和接收器
注:

A:正常和监听模式或所有其他模式不在 tSilence

B:除正常模式和监听模式外的所有模式均在 tSilence

TCAN1575-Q1 TCAN1576-Q1 电源测试电路图 7-3 电源测试电路
TCAN1575-Q1 TCAN1576-Q1 驱动器测试电路与测量图 7-4 驱动器测试电路与测量
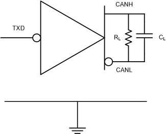
TCAN1575-Q1 TCAN1576-Q1 接收器测试电路与测量图 7-5 接收器测试电路与测量
TCAN1575-Q1 TCAN1576-Q1 发送器和接收器时序行为测试电路和测量图 7-6 发送器和接收器时序行为测试电路和测量
TCAN1575-Q1 TCAN1576-Q1 TXD 显性超时测试电路与测量图 7-7 TXD 显性超时测试电路与测量
TCAN1575-Q1 TCAN1576-Q1 驱动器短路电流测试与测量图 7-8 驱动器短路电流测试与测量
TCAN1575-Q1 TCAN1576-Q1 偏置反应时间测量的测试信号定义图 7-9 偏置反应时间测量的测试信号定义
TCAN1575-Q1 TCAN1576-Q1 SPI AC 特征写入图 7-10 SPI AC 特征写入
TCAN1575-Q1 TCAN1576-Q1 SPI AC 特征读取图 7-11 SPI AC 特征读取
TCAN1575-Q1 TCAN1576-Q1 上电时序图 7-12 上电时序
TCAN1575-Q1 TCAN1576-Q1 睡眠到待机时序图 7-13 睡眠到待机时序
TCAN1575-Q1 TCAN1576-Q1 正常到睡眠时序图 7-14 正常到睡眠时序
TCAN1575-Q1 TCAN1576-Q1 正常到待机时序图 7-15 正常到待机时序
TCAN1575-Q1 TCAN1576-Q1 待机到正常时序图 7-16 待机到正常时序
注:

蓝色信号是 TCAN157x-Q1 的输入或输出。黑色信号是 TCAN157x-Q1 内部信号。这些颜色为计时示意图 图 7-12图 7-13图 7-14图 7-15图 7-16 提供。

TCAN1575-Q1 TCAN1576-Q1 主动隐性阶段期间的电阻值,用于信号改善功能图 7-17 主动隐性阶段期间的电阻值,用于信号改善功能