ZHCSU28D April 2006 – February 2024 LM94
PRODUCTION DATA
当晶体管作为二极管连接时,变量 VBE、T 和 IF 具有以下关系:

其中:

在活动区域,-1 项可以忽略不计,可以消除,从而得到以下公式

在方程式 12 中,η 和 IS 取决于制造特定二极管所用的工艺。通过严格控制两个电流的比率(IF2/IF1)并测量产生的电压差,可以消除 IS 项。求解正向电压差可得到以下关系:

求解方程式 13 可得出温度为:

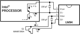
使用 MMBT3904 等二极管连接的晶体管时,方程式 14 适用。当将该“二极管”公式应用于集成二极管时,例如将集电极连接到 GND 的处理器晶体管,如图 7-3 所示,将产生较宽的非理想分布。这种较宽的非理想性分布并不是因为真正的工艺变化引起的,而是由于方程式 14 是一种近似计算这一事实。
TruTherm 技术使用晶体管公式方程式 15,这是 FPGA 或处理器中热敏二极管拓扑结构的更准确表示。

图 7-3 热敏二极管电流路径只有在测量图 7-3 处理器中所集成晶体管的温度时,才应启用 TruTherm 技术,因为方程式 15 仅适用于此拓扑。