ZHCSU28D April 2006 – February 2024 LM94
PRODUCTION DATA
| 参数 | 测试条件 | 典型值 (1) |
限值 (2) |
单位 (限值) |
|
|---|---|---|---|---|---|
| 风扇 RPM 转数字特性 | |||||
| 计数器分辨率 | 14 | 位 | |||
| 计数所基于的风扇转速计脉冲数 | 2 | 个脉冲 | |||
| 计数器频率 | 22.5 | kHz | |||
| 精度 | ±6 | %(最大值) | |||
| PWM 输出特性 | |||||
| 频率容差 | ±6 | %(最大值) | |||
| 占空比容差 | ±2 | ±6 | %(最大值) | ||
| 复位输入/输出特性 | |||||
| 上电时的输出 脉冲宽度 |
250 330 |
ms(最小值) ms(最大值) |
|||
| 最小输入脉冲宽度 | 10 | µs(最小值) | |||
| 复位输出下降时间 | 1.6V 至 0.4V 逻辑电平 | 1 | µs(最大值) | ||
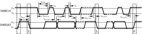
| SMBus 时序特性 | |||||
| fSMBCLK | SMBCLK(时钟)时钟频率 | 10 100 |
KHz(最小值) kHz(最大值) |
||
| tBUF | 停止条件和启动条件之间的 SMBus 空闲时间 | 4.7 | µs(最小值) | ||
| tHD;STA | (重复)启动条件的保持时间。在此周期后,生成第一个时钟。 | 4.0 | µs(最小值) | ||
| tSU;STA | 重复的启动条件建立时间 | 4.7 | µs(最小值) | ||
| tSU;STO | 停止条件建立时间 | 4.0 | µs(最小值) | ||
| tSU;DAT | 数据输入到 SMBCLK 高电平的建立时间 | 250 | ns(最小值) | ||
| tHD;DAT | SMBCLK 低电平后数据输出保持时间 | 300 1075 |
ns(最小值) ns(最大值) |
||
| tLOW | SMBCLK 低电平周期 | 4.7 50 |
µs(最小值) µs(最大值) |
||
| tHIGH | SMBCLK 高电平周期 | 4.0 50 |
µs(最小值) µs(最大值) |
||
| tR | 上升时间 | 1 | µs(最大值) | ||
| tF | 下降时间 | 300 | ns(最大值) | ||
| tTIMEOUT | 超时 将串行总线接口 复位到空闲状态 所需的 SMBDAT 或 SMBCLK 低电平时间 |
31 | 25 35 |
ms ms(最小值) ms(最大值) |
|
| tPOR | 上电复位后器件必须运行的时间 | VDD > +2.8V | 500 | ms(最大值) | |
| CL | SMBCLK 和 SMBDAT 上的电容负载 | 400 | pF(最大值) | ||
