ZHCU782A April   2020  – June 2021 TPS63802

 

  1.   商标
  2. 1引言
  3. 2安全说明
  4. 3设置
    1. 3.1 连接器和跳线说明
  5. 4用例说明
    1. 4.1  标准操作
      1. 4.1.1 更多信息
    2. 4.2  备用电源
      1. 4.2.1 设置
      2. 4.2.2 典型性能
      3. 4.2.3 设计指南
        1. 4.2.3.1 更改 VIN_MAIN 电源电压
        2. 4.2.3.2 更改预充电电流
        3. 4.2.3.3 更改超级电容器最大电压
      4. 4.2.4 更多信息
    3. 4.3  高侧恒流 LED 驱动器
      1. 4.3.1 设置
      2. 4.3.2 典型性能
      3. 4.3.3 设计指南
        1. 4.3.3.1 改变 LED 电流
      4. 4.3.4 更多信息
    4. 4.4  具有调光功能的高侧 LED 驱动器
      1. 4.4.1 设置
      2. 4.4.2 典型性能
      3. 4.4.3 设计指南
        1. 4.4.3.1 改变 LED 电流
      4. 4.4.4 更多信息
    5. 4.5  输入电流限值
      1. 4.5.1 设置
      2. 4.5.2 典型性能
      3. 4.5.3 设计指南
        1. 4.5.3.1 更改输入电流限值
      4. 4.5.4 更多信息
    6. 4.6  延长软启动时间以限制浪涌电流
      1. 4.6.1 设置
      2. 4.6.2 典型性能
      3. 4.6.3 设计指南
      4. 4.6.4 更多信息
    7. 4.7  动态电压调节
      1. 4.7.1 设置
      2. 4.7.2 典型性能
      3. 4.7.3 设计指南
        1. 4.7.3.1 更改 VOUT 目标值实现两种电平选项
        2. 4.7.3.2 更改 VOUT 目标值实现模拟信号控制
      4. 4.7.4 更多信息
    8. 4.8  输出电压跟踪
      1. 4.8.1 设置
      2. 4.8.2 典型性能
      3. 4.8.3 设计指南
        1. 4.8.3.1 调整响应速度
      4. 4.8.4 更多信息
    9. 4.9  旁路模式
      1. 4.9.1 设置
      2. 4.9.2 典型性能
    10. 4.10 精确启动和启动延迟
      1. 4.10.1 设置
      2. 4.10.2 典型性能
      3. 4.10.3 设计指南
        1. 4.10.3.1 更改截止值
        2. 4.10.3.2 更改延迟时间
      4. 4.10.4 更多信息
  6. 5电路板布局
    1. 5.1 布局
  7. 6原理图和物料清单
    1. 6.1 原理图
    2. 6.2 物料清单
  8. 7修订历史记录

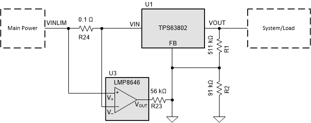
输入电流限值

在降压/升压模式下,TPS63802 的集成峰值电流限值通常为 5A。在某些情况下,电流限值超过供电能力。对于原电池尤其如此。所以,加载大电流时,电源电压会下降。这会导致系统其他部分出现故障或阻止 TPS63802 启动。

本章介绍了如何使用电流感应放大器来限制输入电流。

GUID-1A91637F-EC19-4F8E-B9D6-AC172942F56E-low.gif图 4-12 输入电流限制方框图