ZHCSNC2A March   2021  – January 2024 TPS62901

PRODUCTION DATA  

  1.   1
  2. 特性
  3. 应用
  4. 说明
  5. 引脚配置和功能
  6. 规格
    1. 5.1 绝对最大额定值
    2. 5.2 ESD 等级
    3. 5.3 建议运行条件
    4. 5.4 热性能信息
    5. 5.5 电气特性
    6. 5.6 典型特性
  7. 详细说明
    1. 6.1 概述
    2. 6.2 功能方框图
    3. 6.3 特性说明
      1. 6.3.1 模式选择和器件配置 MODE/S-CONF
      2. 6.3.2 可调 VO 运行(外部分压器)
      3. 6.3.3 可设置 VO 运行(VSET 和内部分压器)
      4. 6.3.4 软启动/跟踪 (SS/TR)
      5. 6.3.5 具有精密阈值的智能使能端
      6. 6.3.6 电源正常 (PG)
      7. 6.3.7 欠压闭锁 (UVLO)
      8. 6.3.8 电流限制和短路保护
      9. 6.3.9 热关断保护
    4. 6.4 器件功能模式
      1. 6.4.1 脉宽调制 (PWM) 运行
      2. 6.4.2 AEE(自动效率增强)
      3. 6.4.3 节能模式运行(自动 PFM/PWM)
      4. 6.4.4 100% 占空比运行
      5. 6.4.5 输出放电功能
      6. 6.4.6 启动至预偏置负载
  8. 应用和实施
    1. 7.1 应用信息
    2. 7.2 使用可调输出电压的典型应用
      1. 7.2.1 设计要求
      2. 7.2.2 详细设计过程
        1. 7.2.2.1 使用 WEBENCH® 工具创建定制设计方案
        2. 7.2.2.2 对输出电压进行编程
        3. 7.2.2.3 外部组件选择
        4. 7.2.2.4 电感器选型
        5. 7.2.2.5 电容器选型
          1. 7.2.2.5.1 输出电容器
          2. 7.2.2.5.2 输入电容器
          3. 7.2.2.5.3 软启动电容器
        6. 7.2.2.6 跟踪功能
        7. 7.2.2.7 输出滤波器和环路稳定性
      3. 7.2.3 应用曲线
      4. 7.2.4 使用 VSET 的可设置 VO 的典型应用
        1. 7.2.4.1 设计要求
        2. 7.2.4.2 详细设计过程
        3. 7.2.4.3 应用曲线
    3. 7.3 系统示例
      1. 7.3.1 LED 电源
      2. 7.3.2 为多个负载供电
      3. 7.3.3 电压跟踪
    4. 7.4 电源相关建议
    5. 7.5 布局
      1. 7.5.1 布局指南
      2. 7.5.2 布局示例
        1. 7.5.2.1 散热注意事项
  9. 器件和文档支持
    1. 8.1 器件支持
      1. 8.1.1 开发支持
        1. 8.1.1.1 使用 WEBENCH® 工具创建定制设计方案
    2. 8.2 接收文档更新通知
    3. 8.3 支持资源
    4. 8.4 商标
    5. 8.5 静电放电警告
    6. 8.6 术语表
  10. 修订历史记录
  11. 10机械、封装和可订购信息

封装选项

机械数据 (封装 | 引脚)
  • RPJ|9
散热焊盘机械数据 (封装 | 引脚)
订购信息
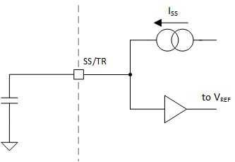
软启动电容器

SS/TR 引脚和 GND 之间连接的电容可实现对输出电压的启动斜率进行用户可编程。

GUID-447DED75-A3F7-4743-8428-B465A5B4E593-low.gif图 7-2 软启动操作简化版原理图

提供了一个内部恒定电流源来为外部电容充电。典型软启动斜坡时间由下式给出:

方程式 14. T S S = C S S I S S × V R E F + 55

其中

  • CSS 是 SS/TR 引脚所需的电容,单位为 pF。
  • TSS 是所需的软启动斜坡时间,单位为 µs。
  • ISS 是 SS/TR 源电流,单位为 µA,请参阅电气特性
  • VREF 是反馈调节电压 (VFB/0.75),单位为 V,请参阅电气特性

可实现的最快典型斜坡时间为 150µs,即使外部 Css 电容低于 680pF 或引脚开路也是如此。一般情况下,对于低浪涌电流,TI 不建议将软启动时间设为低于 1ms。

软启动时间有变。为了获得更准确的配置,必须考虑以下最大值和最小值公式。

方程式 15. T S S _ m a x = C S S _ m a x I S S _ m i n × V R E F _ m a x + 160
方程式 16. T S S _ m i n = C S S _ m i n I S S _ m a x x V R E F _ m i n - K

其中 K 与 CSS 的值相关,单位为 µs。图 7-3图 7-4 显示了关系曲线。

GUID-20231103-SS0I-ZLWH-DKXH-3MC2KPSMT4HW-low.svg图 7-3 K 与 Css 关系曲线 (680pF-4800pF)
GUID-20231103-SS0I-XPQN-NHKX-BTFSQXBK5JP6-low.svg图 7-4 K 与 Css 关系曲线 (4800pF-114000pF)