ZHCUAD2C October   2016  – August 2021 ADS8900B

 

  1.   摘要
  2.   商标
  3. 1EVM 概览
    1. 1.1 ADS8900EVM-PDK 套件特性
    2. 1.2 ADS8900EVM 特性
  4. 2模拟接口
    1. 2.1 ADS8900B 连接和去耦
    2. 2.2 ADC 放大器输入驱动器
    3. 2.3 电压基准和 VCM 调节
  5. 3数字接口
    1. 3.1 适用于 ADC 数字 I/O 的 multiSPI™
    2. 3.2 板载 EEPROM 的 I2C 总线
  6. 4电源
    1. 4.1 Positive Supply and Test Points
    2. 4.2 负电源
  7. 5ADS8900EVM-PDK 初始设置
    1. 5.1 软件安装
    2. 5.2 差分输入的默认跳线设置
    3. 5.3 用于双极、单端输入的默认跳线
    4. 5.4 用于单极、单端输入的默认跳线
    5. 5.5 ADS8900 评估的外部源要求
  8. 6ADS8900EVM-PDK 操作
    1. 6.1 用于 ADC 控制的 EVM GUI 全局设置
    2. 6.2 寄存器映射配置工具
    3. 6.3 时域显示工具
    4. 6.4 频谱分析工具
    5. 6.5 直方图工具
    6. 6.6 线性分析工具
    7. 6.7 ADS8900BEVM 对 ADS8910B 和 ADS8920B 器件的支持
  9. 7物料清单、PCB 布局和原理图
    1. 7.1 物料清单(BOM)
    2. 7.2 PCB 布局
    3. 7.3 原理图
  10. 8修订历史记录

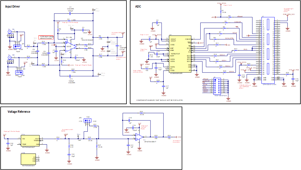
原理图

图 7-2图 7-3 展示了 EVM 原理图。

GUID-20201202-CA0I-6FXQ-2FS2-0CJMJ5H0XTJQ-low.gif图 7-2 ADS8900EVM PCB 的原理图(第 1 页)
GUID-20201202-CA0I-PMNZ-ZQSX-HXZGKZ0XGWMD-low.gif图 7-3 ADS8900EVM PCB 的原理图(第 2 页)