KOKA015A June   2020  – November 2022 LM5156 , LM5156-Q1 , LM51561 , LM51561-Q1 , LM51561H , LM51561H-Q1 , LM5156H , LM5156H-Q1

 

  1.   LM5156을 사용하여 부스트 컨버터를 설계하는 방법
  2. 1LM5156 설계 예
  3. 2애플리케이션 예
  4. 3계산 및 부품 선택
    1. 3.1  스위칭 주파수
    2. 3.2  인덕터 계산
    3. 3.3  전류 감지 저항 계산
      1. 3.3.1 전류 감지 저항 및 기울기 보상 저항 선택
      2. 3.3.2 전류 감지 저항 필터 계산
    4. 3.4  인덕터 선택
    5. 3.5  다이오드 선택
    6. 3.6  MOSFET 선택
    7. 3.7  출력 커패시터 선택
    8. 3.8  입력 커패시터 선택
    9. 3.9  UVLO 저항기 선택
    10. 3.10 소프트 스타트 캐패시터 선택.
    11. 3.11 피드백 저항기 선택
    12. 3.12 제어 루프 보정
      1. 3.12.1 루프 크로스오버 주파수(fCROSS) 선택
      2. 3.12.2 필요한 RCOMP 결정
      3. 3.12.3 필요한 CCOMP 결정
      4. 3.12.4 필요한 CHF 결정
    13. 3.13 효율성 추정
  5. 4구성 요소 선택 요약
    1.     25
  6. 5작은 신호 주파수 분석
    1. 5.1 부스트 조절기 모듈레이터 모델
    2. 5.2 보정 모델링
    3. 5.3 개방형 루프 모델링
  7. 6개정 내역

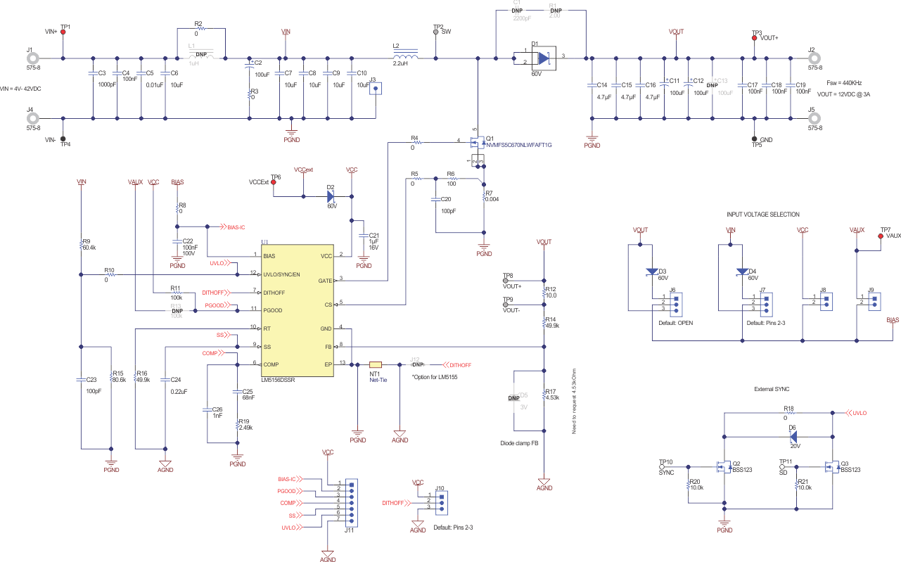
GUID-2F51CF27-4CDE-407F-9F62-B346337B1599-low.gif그림 4-6 LM5156EVM-BST 회로도