ZHCSOD4F April   2004  – March 2022 MSP430FG437 , MSP430FG438 , MSP430FG439

PRODUCTION DATA  

  1. 特性
  2. 应用
  3. 说明
  4. 功能方框图
  5. Revision History
  6. Device Comparison
  7. Terminal Configuration and Functions
    1. 7.1 Pin Diagrams
    2. 7.2 Signal Descriptions
      1. 7.2.1 Signal Descriptions
  8. Specifications
    1. 8.1  Absolute Maximum Ratings
    2. 8.2  Handling Ratings
    3. 8.3  Recommended Operating Conditions
    4. 8.4  Supply Current Into AVCC + DVCC Excluding External Current
    5. 8.5  Schmitt-Trigger Inputs – Ports P1 to P6, RST/NMI, JTAG (TCK, TMS, TDI/TCLK, TDO/TDI)
    6. 8.6  Inputs Px.y, TAx, TBx
    7. 8.7  Leakage Current – Ports P1 to P6
    8. 8.8  Outputs – Ports P1 to P6
    9. 8.9  Output Frequency
    10. 8.10 Typical Characteristics – Outputs
    11. 8.11 Wake-Up From LPM3
    12. 8.12 RAM
    13. 8.13 LCD
    14. 8.14 Comparator_A
    15. 8.15 Comparator_A Typical Characteristics
    16. 8.16 Power-On Reset (POR) and Brownout Reset (BOR)
    17. 8.17 Supply Voltage Supervisor (SVS) and Supply Voltage Monitor (SVM)
    18. 8.18 DCO
    19. 8.19 Crystal Oscillator, XT1 Oscillator
    20. 8.20 Crystal Oscillator, XT2 Oscillator
    21. 8.21 USART0
    22. 8.22 12-Bit ADC, Power Supply and Input Range Conditions
    23. 8.23 12-Bit ADC, External Reference
    24. 8.24 12-Bit ADC, Built-In Reference
    25. 8.25 12-Bit ADC, Timing Parameters
    26. 8.26 12-Bit ADC, Linearity Parameters
    27. 8.27 12-Bit ADC, Temperature Sensor and Built-In VMID
    28. 8.28 12-Bit DAC, Supply Specifications
    29. 8.29 12-Bit DAC, Linearity Specifications
    30. 8.30 12-Bit DAC, Output Specifications
    31. 8.31 12-Bit DAC, Reference Input Specifications
    32. 8.32 12-Bit DAC, Dynamic Specifications
    33. 8.33 12-Bit DAC, Dynamic Specifications (Continued)
    34. 8.34 Operational Amplifier (OA), Supply Specifications
    35. 8.35 Operational Amplifier (OA), Input/Output Specifications
    36. 8.36 Operational Amplifier (OA), Dynamic Specifications
    37. 8.37 OA Dynamic Specifications Typical Characteristics
    38. 8.38 Flash Memory
    39. 8.39 JTAG Interface
    40. 8.40 JTAG Fuse
  9. Detailed Description
    1. 9.1  CPU
    2. 9.2  Instruction Set
    3. 9.3  Operating Modes
    4. 9.4  Interrupt Vector Addresses
    5. 9.5  Special Function Registers (SFRs)
      1. 9.5.1 Interrupt Enable Registers 1 and 2
      2. 9.5.2 Interrupt Flag Registers 1 and 2
      3. 9.5.3 Module Enable Registers 1 and 2
    6. 9.6  Memory Organization
    7. 9.7  Bootstrap Loader (BSL)
    8. 9.8  Flash Memory
    9. 9.9  Peripherals
      1. 9.9.1  DMA Controller
      2. 9.9.2  Oscillator and System Clock
      3. 9.9.3  Brownout, Supply Voltage Supervisor
      4. 9.9.4  Digital I/O
      5. 9.9.5  Basic Timer1
      6. 9.9.6  LCD Drive
      7. 9.9.7  OA
      8. 9.9.8  Watchdog Timer (WDT)
      9. 9.9.9  USART0
      10. 9.9.10 Timer_A3
      11. 9.9.11 Timer_B3
      12. 9.9.12 Comparator_A
      13. 9.9.13 ADC12
      14. 9.9.14 DAC12
      15. 9.9.15 Peripheral File Map
    10. 9.10 Input/Output Schematics
      1. 9.10.1  Port P1, P1.0 to P1.5, Input/Output With Schmitt Trigger
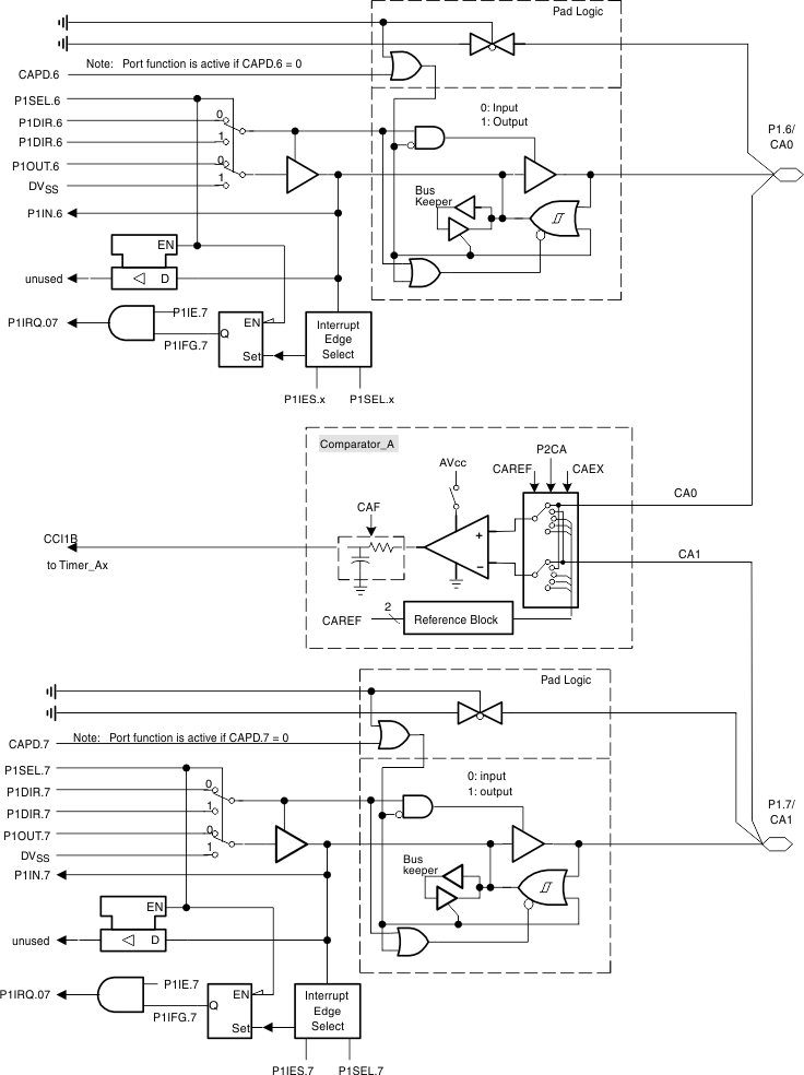
      2. 9.10.2  Port P1, P1.6 and P1.7, Input/Output With Schmitt Trigger
      3. 9.10.3  Port P2, P2.0 and P2.4 to P2.5, Input/Output With Schmitt Trigger
      4. 9.10.4  Port P2, P2.1 to P2.3, Input/Output With Schmitt Trigger
      5. 9.10.5  Port P2, P2.6 and P2.7, Input/Output With Schmitt Trigger
      6. 9.10.6  Port P3, P3.0 to P3.3, Input/Output With Schmitt Trigger
      7. 9.10.7  Port P3, P3.4 to P3.7, Input/Output With Schmitt Trigger
      8. 9.10.8  Port P4, P4.0 to P4.5, Input/Output With Schmitt Trigger
      9. 9.10.9  Port P4, P4.6, Input/Output With Schmitt Trigger
      10. 9.10.10 Port P4, P4.7, Input/Output With Schmitt Trigger
      11. 9.10.11 Port P5, P5.0, Input/Output With Schmitt Trigger
      12. 9.10.12 Port P5, P5.1, Input/Output With Schmitt Trigger
      13. 9.10.13 Port P5, P5.2 to P5.4, Input/Output With Schmitt Trigger
      14. 9.10.14 Port P5, P5.5 to P5.7, Input/Output With Schmitt Trigger
      15. 9.10.15 Port P6, P6.0, P6.2, and P6.4, Input/Output With Schmitt Trigger
      16. 9.10.16 Port P6, P6.1, Input/Output With Schmitt Trigger
      17. 9.10.17 Port P6, P6.3, Input/Output With Schmitt Trigger
      18. 9.10.18 Port P6, P6.5, Input/Output With Schmitt Trigger
      19. 9.10.19 Port P6, P6.6, Input/Output With Schmitt Trigger
      20. 9.10.20 Port P6, P6.7, Input/Output With Schmitt Trigger
      21. 9.10.21 VeREF+/DAC0
      22. 9.10.22 JTAG Pins TMS, TCK, TDI/TCLK, TDO/TDI, Input/Output With Schmitt Trigger or Output
      23. 9.10.23 JTAG Fuse Check Mode
  10. 10Device and Documentation Support
    1. 10.1 Device Support
      1. 10.1.1 Development Support
        1. 10.1.1.1 Development Kit
      2. 10.1.2 Device Nomenclature
    2. 10.2 Documentation Support
    3. 10.3 Support Resources
    4. 10.4 Trademarks
    5. 10.5 Electrostatic Discharge Caution
    6. 10.6 术语表
  11. 11Mechanical Packaging and Orderable Information
    1. 11.1 Packaging Information

封装选项

机械数据 (封装 | 引脚)
散热焊盘机械数据 (封装 | 引脚)
订购信息

Port P1, P1.6 and P1.7, Input/Output With Schmitt Trigger

GUID-1EACBA40-224C-418B-AEB9-7C4A90DE4C13-low.gif