ZHCSOD4F April 2004 – March 2022 MSP430FG437 , MSP430FG438 , MSP430FG439
PRODUCTION DATA

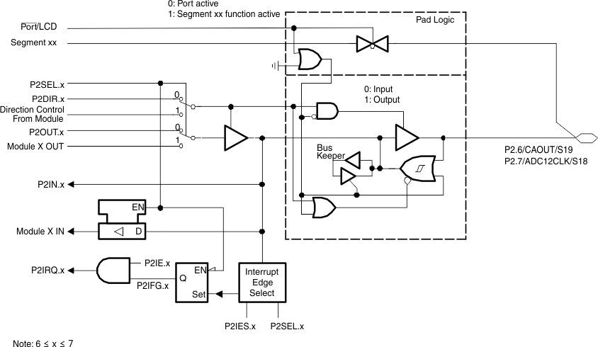
| PnSel.x | PnDIR.x | Direction Control From Module | PnOUT.x | Module X OUT | PnIN.x | Module X IN | PnIE.x | PnIFG.x | PnIES.x | Port/LCD |
|---|---|---|---|---|---|---|---|---|---|---|
| P2Sel.6 | P2DIR.6 | P2DIR.6 | P2OUT.6 | CAOUT(1) | P2IN.6 | unused | P2IE.6 | P2IFG.6 | P2IES.6 | 0: LCDPx < 02h |
| P2Sel.7 | P2DIR.7 | P2DIR.7 | P2OUT.7 | ADC12CLK (2) | P2IN.7 | unused | P2IE.7 | P2IFG.7 | P2IES.7 | 0: LCDPx < 02h |