ZHCSLV1B August   2018  – August 2021 DRV8350F , DRV8353F

PRODUCTION DATA  

  1. 特性
  2. 应用
  3. 说明
  4. 修订历史记录
  5. 器件比较表
  6. 引脚配置和功能
    1.     引脚功能 - 32 引脚 DRV8350F 器件
    2.     8
    3.     引脚功能 - 40 引脚 DRV8353F 器件
    4.     10
  7. 规格
    1. 7.1 绝对最大额定值
    2. 7.2 ESD 等级
    3. 7.3 建议运行条件
    4. 7.4 热性能信息
    5. 7.5 电气特性
    6. 7.6 SPI 时序要求
    7. 7.7 典型特性
  8. 详细说明
    1. 8.1 概述
    2. 8.2 功能方框图
    3. 8.3 特性说明
      1. 8.3.1 三相智能栅极驱动器
        1. 8.3.1.1 PWM 控制模式
          1. 8.3.1.1.1 6x PWM 模式(PWM_MODE = 00b 或 MODE 引脚连接至 AGND)
          2. 8.3.1.1.2 3x PWM 模式(PWM_MODE = 01b 或 MODE 引脚通过 47kΩ 电阻器连接到 AGND)
          3. 8.3.1.1.3 1x PWM 模式(PWM_MODE = 10b 或 MODE 引脚 = 高阻态)
          4. 8.3.1.1.4 独立 PWM 模式(PWM_MODE = 11b 或 MODE 引脚连接至 DVDD)
        2. 8.3.1.2 器件接口模式
          1. 8.3.1.2.1 串行外设接口 (SPI)
          2. 8.3.1.2.2 硬件接口
        3. 8.3.1.3 栅极驱动器电压电源和输入电源配置
        4. 8.3.1.4 智能栅极驱动架构
          1. 8.3.1.4.1 IDRIVE:MOSFET 压摆率控制
          2. 8.3.1.4.2 TDRIVE:MOSFET 栅极驱动控制
          3. 8.3.1.4.3 传播延迟
          4. 8.3.1.4.4 MOSFET VDS 监视器
          5. 8.3.1.4.5 VDRAIN 感测和基准引脚
      2. 8.3.2 DVDD 线性稳压器
      3. 8.3.3 引脚图
      4. 8.3.4 低侧电流分流放大器 (DRV8353F)
        1. 8.3.4.1 双向电流感测操作
        2. 8.3.4.2 单向电流感测操作(仅限 SPI)
        3. 8.3.4.3 放大器校准模式
        4. 8.3.4.4 MOSFET VDS 感测模式(仅限 SPI)
      5. 8.3.5 栅极驱动器保护电路
        1. 8.3.5.1 VM 电源和 VDRAIN 欠压锁定 (UVLO)
        2. 8.3.5.2 VCP 电荷泵和 VGLS 稳压器欠压锁定 (GDUV)
        3. 8.3.5.3 MOSFET VDS 过流保护 (VDS_OCP)
          1. 8.3.5.3.1 VDS 锁存关断 (OCP_MODE = 00b)
          2. 8.3.5.3.2 VDS 自动重试 (OCP_MODE = 01b)
          3. 8.3.5.3.3 VDS 仅报告 (OCP_MODE = 10b)
          4. 8.3.5.3.4 VDS 禁用 (OCP_MODE = 11b)
        4. 8.3.5.4 VSENSE 过流保护 (SEN_OCP)
          1. 8.3.5.4.1 VSENSE 锁存关断 (OCP_MODE = 00b)
          2. 8.3.5.4.2 VSENSE 自动重试 (OCP_MODE = 01b)
          3. 8.3.5.4.3 VSENSE 仅报告 (OCP_MODE = 10b)
          4. 8.3.5.4.4 VSENSE 禁用(OCP_MODE = 11b 或 DIS_SEN = 1b)
        5. 8.3.5.5 栅极驱动器故障 (GDF)
        6. 8.3.5.6 过流软关断(软 OCP)
        7. 8.3.5.7 热警告 (OTW)
        8. 8.3.5.8 热关断 (OTSD)
        9. 8.3.5.9 故障响应表
    4. 8.4 器件功能模式
      1. 8.4.1 栅极驱动器功能模式
        1. 8.4.1.1 睡眠模式
        2. 8.4.1.2 工作模式
        3. 8.4.1.3 故障复位(CLR_FLT 或 ENABLE 复位脉冲)
    5. 8.5 编程
      1. 8.5.1 SPI 通信
        1. 8.5.1.1 SPI
          1. 8.5.1.1.1 SPI 格式
    6. 8.6 寄存器映射
      1. 8.6.1 状态寄存器
        1. 8.6.1.1 故障状态寄存器 1(地址 = 0x00h)
        2. 8.6.1.2 故障状态寄存器 2(地址 = 0x01h)
      2. 8.6.2 控制寄存器
        1. 8.6.2.1 驱动器控制寄存器(地址 = 0x02h)
        2. 8.6.2.2 栅极驱动 HS 寄存器(地址 = 0x03h)
        3. 8.6.2.3 栅极驱动 LS 寄存器(地址 = 0x04h)
        4. 8.6.2.4 OCP 控制寄存器(地址 = 0x05h)
        5. 8.6.2.5 CSA 控制寄存器(仅限 DRV8353F)(地址 = 0x06h)
        6. 8.6.2.6 驱动器配置寄存器(仅限 DRV8353F)(地址 = 0x07h)
  9. 应用和实现
    1. 9.1 应用信息
    2. 9.2 典型应用
      1. 9.2.1 主要应用
        1. 9.2.1.1 设计要求
        2. 9.2.1.2 详细设计过程
          1. 9.2.1.2.1 外部 MOSFET 支持
            1. 9.2.1.2.1.1 MOSFET 示例
          2. 9.2.1.2.2 IDRIVE 配置
            1. 9.2.1.2.2.1 IDRIVE 示例
          3. 9.2.1.2.3 VDS 过流监视器配置
            1. 9.2.1.2.3.1 VDS 过流示例
          4. 9.2.1.2.4 感测放大器双向配置 (DRV8353F)
            1. 9.2.1.2.4.1 检测放大器示例
          5. 9.2.1.2.5 单电源功率耗散
          6. 9.2.1.2.6 单电源功率耗散示例
        3. 9.2.1.3 应用曲线
      2. 9.2.2 备选应用
        1. 9.2.2.1 设计要求
        2. 9.2.2.2 详细设计过程
          1. 9.2.2.2.1 感测放大器单向配置
            1. 9.2.2.2.1.1 检测放大器示例
            2. 9.2.2.2.1.2 双电源功率耗散
            3. 9.2.2.2.1.3 双电源功率耗散示例
  10. 10电源相关建议
    1. 10.1 确定大容量电容的大小
  11. 11布局
    1. 11.1 布局指南
    2. 11.2 布局示例
  12. 12器件和文档支持
    1. 12.1 器件支持
      1. 12.1.1 器件命名规则
    2. 12.2 文档支持
      1. 12.2.1 相关文档
    3. 12.3 相关链接
    4. 12.4 接收文档更新通知
    5. 12.5 支持资源
    6. 12.6 商标
    7. 12.7 Electrostatic Discharge Caution
    8. 12.8 术语表
  13. 13机械、封装和可订购信息

封装选项

机械数据 (封装 | 引脚)
散热焊盘机械数据 (封装 | 引脚)
订购信息

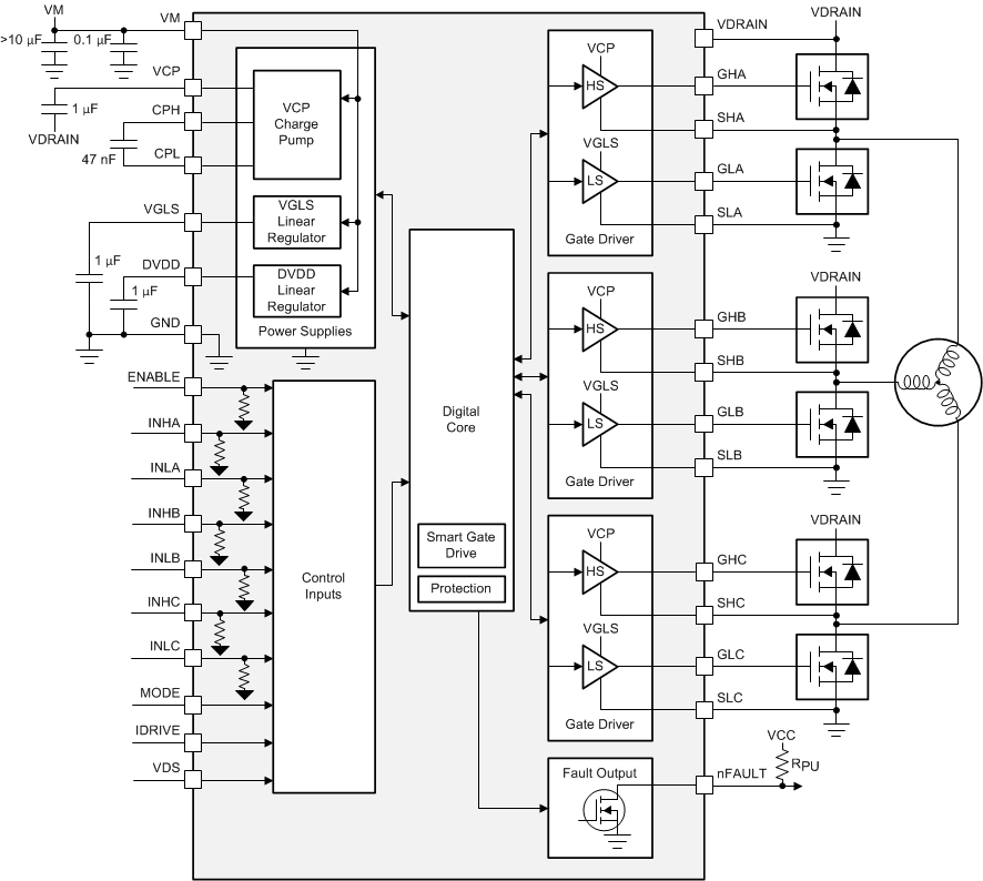
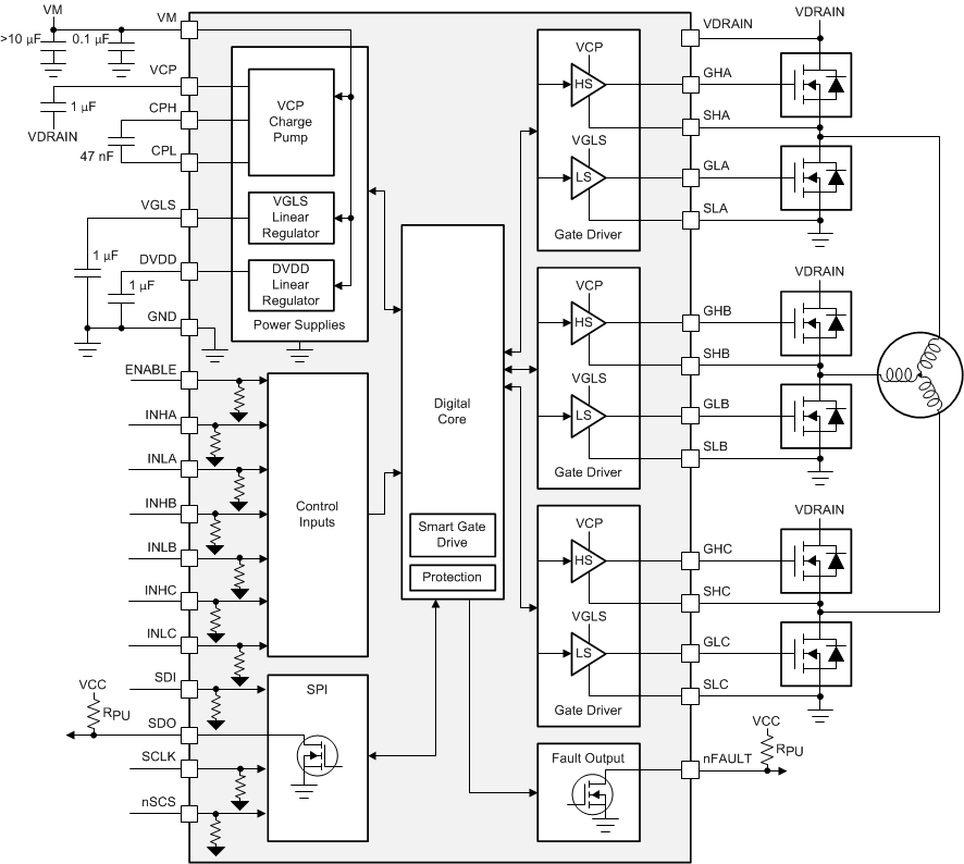
功能方框图

GUID-E0F590BB-29B9-4149-8895-4755AEA1482D-low.gif图 8-1 DRV8350FH 的方框图
GUID-A1BAF36B-178A-446A-BA0C-E277BDA3C627-low.gif图 8-2 DRV8350FS 的方框图
GUID-2E38BCF9-6D3B-4FCA-9724-0AC4273D8DF9-low.gif图 8-3 DRV8353FH 的方框图
GUID-C8D2E3F6-6D21-450E-8534-9C28F466D4FC-low.gif图 8-4 DRV8353FS 的方框图