ZHCSZ33 October   2025 DRV8311-Q1

PRODUCTION DATA  

  1.   1
  2. 特性
  3. 应用
  4. 说明
  5. 器件比较表
  6. 引脚配置和功能
  7. 规格
    1. 6.1 绝对最大额定值
    2. 6.2 ESD 等级
    3. 6.3 建议运行条件
    4. 6.4 热性能信息
    5. 6.5 电气特性
    6. 6.6 SPI 时序要求
    7. 6.7 SPI 次级器件模式时序
    8. 6.8 典型特性
  8. 详细说明
    1. 7.1 概述
    2. 7.2 功能方框图
    3. 7.3 特性说明
      1. 7.3.1  输出级
      2. 7.3.2  控制模式
        1. 7.3.2.1 6x PWM 模式(仅限 DRV8311S-Q1 和 DRV8311H-Q1 型号)
        2. 7.3.2.2 3x PWM 模式(仅限 DRV8311S-Q1 和 DRV8311H-Q1 型号)
        3. 7.3.2.3 PWM 生成模式(DRV8311S-Q1 和 DRV8311P-Q1 型号)
      3. 7.3.3  器件接口模式
        1. 7.3.3.1 串行外设接口 (SPI)
        2. 7.3.3.2 硬件接口
      4. 7.3.4  AVDD 线性稳压器
      5. 7.3.5  电荷泵
      6. 7.3.6  压摆率控制
      7. 7.3.7  跨导(死区时间)
      8. 7.3.8  传播延迟
      9. 7.3.9  引脚图
        1. 7.3.9.1 逻辑电平输入引脚(内部下拉)
        2. 7.3.9.2 逻辑电平输入引脚(内部上拉)
        3. 7.3.9.3 开漏引脚
        4. 7.3.9.4 推挽引脚
        5. 7.3.9.5 四电平输入引脚
      10. 7.3.10 电流检测放大器
        1. 7.3.10.1 电流检测放大器操作
        2. 7.3.10.2 电流检测放大器失调电压校正
      11. 7.3.11 保护功能
        1. 7.3.11.1 VM 电源欠压锁定 (NPOR)
        2. 7.3.11.2 欠压保护 (UVP)
        3. 7.3.11.3 过流保护 (OCP)
          1. 7.3.11.3.1 OCP 锁存关断 (OCP_MODE = 010b)
          2. 7.3.11.3.2 OCP 自动重试(OCP_MODE = 000b 或 001b)
          3. 7.3.11.3.3 OCP 仅报告 (OCP_MODE = 011b)
          4. 7.3.11.3.4 OCP 已禁用 (OCP_MODE = 111b)
        4. 7.3.11.4 过热保护
          1. 7.3.11.4.1 热警告 (OTW)
          2. 7.3.11.4.2 热关断 (OTSD)
    4. 7.4 器件功能模式
      1. 7.4.1 功能模式
        1. 7.4.1.1 睡眠模式
        2. 7.4.1.2 运行模式
        3. 7.4.1.3 故障复位(CLR_FLT 或 nSLEEP 复位脉冲)
    5. 7.5 SPI 通信
      1. 7.5.1 编程
        1. 7.5.1.1 SPI 和 tSPI 格式
  9. DRV8311-Q1 寄存器
  10. 应用和实施
    1. 9.1 应用信息
    2. 9.2 典型应用
      1. 9.2.1 三相无刷直流电机控制
        1. 9.2.1.1 详细设计过程
          1. 9.2.1.1.1 电机电压
        2. 9.2.1.2 驱动器传播延迟和死区时间
        3. 9.2.1.3 延迟补偿
        4. 9.2.1.4 电流检测和输出滤波
        5. 9.2.1.5 应用曲线
    3. 9.3 三相无刷直流 tSPI 电机控制
      1. 9.3.1 详细设计过程
    4. 9.4 备选应用
    5. 9.5 电源相关建议
      1. 9.5.1 大容量电容
    6. 9.6 布局
      1. 9.6.1 布局指南
      2. 9.6.2 布局示例
      3. 9.6.3 散热注意事项
        1. 9.6.3.1 功率损耗和结温估算
  11. 10器件和文档支持
    1. 10.1 支持资源
    2. 10.2 商标
    3. 10.3 静电放电警告
    4. 10.4 术语表
  12. 11修订历史记录
  13. 12机械、封装和可订购信息

封装选项

机械数据 (封装 | 引脚)
散热焊盘机械数据 (封装 | 引脚)
订购信息

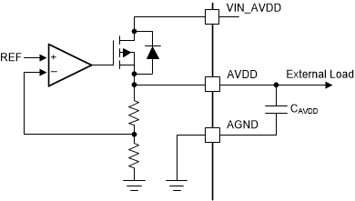
AVDD 线性稳压器

DRV8311-Q1 系列器件中集成了一个 3.3V、100mA 线性稳压器,可为外部电路供电。AVDD 稳压器用于为 DRV8311-Q1 的内部数字功能加电,还可以为低功耗 MCU 或其他不高于 100mA 的电路提供电源电压。AVDD 稳压器的输出在 AVDD 和 AGND 引脚附近旁路,通过一个 X5R 或 X7R、最高 4.7µF、6.3V 的陶瓷电容器直接连接回相邻的 AGND 接地引脚。

AVDD 标称空载输出电压为 3.3V。

DRV8311-Q1 AVDD 线性稳压器方框图图 7-16 AVDD 线性稳压器方框图

可以使用 方程式 1 来计算 AVDD 线性稳压器导致的器件中耗散的功率。

方程式 1. P = (VVIN_AVDD - VAVDD) x IAVDD

AVDD 稳压器的电源输入电压 (VIN_AVDD) 可以与 VM 电源电压相同,也可以低于或高于 VM 电源电压。