ZHCSZ33 October   2025 DRV8311-Q1

PRODUCTION DATA  

  1.   1
  2. 特性
  3. 应用
  4. 说明
  5. 器件比较表
  6. 引脚配置和功能
  7. 规格
    1. 6.1 绝对最大额定值
    2. 6.2 ESD 等级
    3. 6.3 建议运行条件
    4. 6.4 热性能信息
    5. 6.5 电气特性
    6. 6.6 SPI 时序要求
    7. 6.7 SPI 次级器件模式时序
    8. 6.8 典型特性
  8. 详细说明
    1. 7.1 概述
    2. 7.2 功能方框图
    3. 7.3 特性说明
      1. 7.3.1  输出级
      2. 7.3.2  控制模式
        1. 7.3.2.1 6x PWM 模式(仅限 DRV8311S-Q1 和 DRV8311H-Q1 型号)
        2. 7.3.2.2 3x PWM 模式(仅限 DRV8311S-Q1 和 DRV8311H-Q1 型号)
        3. 7.3.2.3 PWM 生成模式(DRV8311S-Q1 和 DRV8311P-Q1 型号)
      3. 7.3.3  器件接口模式
        1. 7.3.3.1 串行外设接口 (SPI)
        2. 7.3.3.2 硬件接口
      4. 7.3.4  AVDD 线性稳压器
      5. 7.3.5  电荷泵
      6. 7.3.6  压摆率控制
      7. 7.3.7  跨导(死区时间)
      8. 7.3.8  传播延迟
      9. 7.3.9  引脚图
        1. 7.3.9.1 逻辑电平输入引脚(内部下拉)
        2. 7.3.9.2 逻辑电平输入引脚(内部上拉)
        3. 7.3.9.3 开漏引脚
        4. 7.3.9.4 推挽引脚
        5. 7.3.9.5 四电平输入引脚
      10. 7.3.10 电流检测放大器
        1. 7.3.10.1 电流检测放大器操作
        2. 7.3.10.2 电流检测放大器失调电压校正
      11. 7.3.11 保护功能
        1. 7.3.11.1 VM 电源欠压锁定 (NPOR)
        2. 7.3.11.2 欠压保护 (UVP)
        3. 7.3.11.3 过流保护 (OCP)
          1. 7.3.11.3.1 OCP 锁存关断 (OCP_MODE = 010b)
          2. 7.3.11.3.2 OCP 自动重试(OCP_MODE = 000b 或 001b)
          3. 7.3.11.3.3 OCP 仅报告 (OCP_MODE = 011b)
          4. 7.3.11.3.4 OCP 已禁用 (OCP_MODE = 111b)
        4. 7.3.11.4 过热保护
          1. 7.3.11.4.1 热警告 (OTW)
          2. 7.3.11.4.2 热关断 (OTSD)
    4. 7.4 器件功能模式
      1. 7.4.1 功能模式
        1. 7.4.1.1 睡眠模式
        2. 7.4.1.2 运行模式
        3. 7.4.1.3 故障复位(CLR_FLT 或 nSLEEP 复位脉冲)
    5. 7.5 SPI 通信
      1. 7.5.1 编程
        1. 7.5.1.1 SPI 和 tSPI 格式
  9. DRV8311-Q1 寄存器
  10. 应用和实施
    1. 9.1 应用信息
    2. 9.2 典型应用
      1. 9.2.1 三相无刷直流电机控制
        1. 9.2.1.1 详细设计过程
          1. 9.2.1.1.1 电机电压
        2. 9.2.1.2 驱动器传播延迟和死区时间
        3. 9.2.1.3 延迟补偿
        4. 9.2.1.4 电流检测和输出滤波
        5. 9.2.1.5 应用曲线
    3. 9.3 三相无刷直流 tSPI 电机控制
      1. 9.3.1 详细设计过程
    4. 9.4 备选应用
    5. 9.5 电源相关建议
      1. 9.5.1 大容量电容
    6. 9.6 布局
      1. 9.6.1 布局指南
      2. 9.6.2 布局示例
      3. 9.6.3 散热注意事项
        1. 9.6.3.1 功率损耗和结温估算
  11. 10器件和文档支持
    1. 10.1 支持资源
    2. 10.2 商标
    3. 10.3 静电放电警告
    4. 10.4 术语表
  12. 11修订历史记录
  13. 12机械、封装和可订购信息

封装选项

机械数据 (封装 | 引脚)
散热焊盘机械数据 (封装 | 引脚)
订购信息

SPI 和 tSPI 格式

SPI 格式 - 带奇偶校验

SDI 输入数据的字长为 24 位,包含以下格式:

  • 1 个读取或写入位,W(位 B23)
  • 6 个地址位,A(位 B22 至 B17)
  • 奇偶校验位,P(位 B16)
  • 15 个数据位和 1 个奇偶校验位,D(位 B15 到 B0)

SDO 输出数据字长为 24 位。最高有效位是状态位,最低有效 16 位是所访问寄存器的数据内容。

表 7-7 SPI 的 SDI 输入数据字格式
R/W地址奇偶校验奇偶校验DATA
B23B22B21B20B19B18B17B16B15B14B13B12B11B10B9B8B7B6B5B4B3B2B1B0
W0A5A4A3A2A1A0PPD14D13D12D11D10D9D8D7D6D5D4D3D2D1D0
表 7-8 SDO 输出数据字格式
状态DATA
B23B22B21B20B19B18B17B16B15B14B13B12B11B10B9B8B7B6B5B4B3B2B1B0
S7S6S5S4S3S2S1S0D15D14D13D12D11D10D9D8D7D6D5D4D3D2D1D0

tSPI 格式 - 带奇偶校验

SDI 输入数据的字长为 32 位,包含以下格式:

  • 1 个读取或写入位,W(位 B31)
  • 4 个次级器件 ID 位,AD(位 B30 至 B27)
  • 8 个地址位,A(位 B26 至 B19)
  • 2 个保留位,0(位 B18、位 B17)
  • 奇偶校验位,P(位 B16)
  • 15 个数据位和 1 个奇偶校验位,D(位 B15 到 B0)

SDO 输出数据字长为 24 位。前 8 位是状态位,后 16 位是所访问寄存器的数据内容。格式与表 7-8 中所示的标准 SPI 相同

表 7-9 带奇偶校验的 tSPI - SDI 输入数据字格式
R/W 次级器件 ID 地址 00 奇偶校验 奇偶校验 DATA
B31 B30 B29 B28 B27 B26 - B19 B18 B17 B16 B15 B14 - B0
W0 0 0 AD1 AD0 A7 - A0 0 0 P P D14 - D0

下面详细介绍了 SPI 和 tSPI 帧格式中使用的各个位。

读取/写入位 (R/W):R/W (W0) 位为 0 表示 SPI/tSPI 写入事务。对于读取操作,RW 位需要为 1。

次级器件 ID 位 (AD):同一片选信号上的每个 tSPI 次级器件都应具有唯一标识符。次级器件 ID 字段是 tSPI 次级器件的 4 位唯一标识符。要成功执行读取/写入事务,次级器件 ID 字段需要与次级器件地址匹配。在 DRV8311P/S-Q1 中,次级器件地址的两个最高有效位设置为 00。次级器件地址的两个最低有效位可以使用 AD1 和 AD0 引脚进行配置。次级器件地址 15 (0xF) 保留用于通用广播,当次级器件 ID 字段设置为 15 时,同一总线上的所有器件都将接受写入操作。因此,DRV8311P/S-Q1 的有效 tSPI 次级器件地址范围为 0 至 3 和 15(通用广播地址)。

地址位 (A):tSPI 次级器件采用 8 位寄存器地址,而 SPI 次级器件采用 6 位寄存器地址。每个 tSPI 次级器件都有两个专用的 8 位地址指针,一个用于读取,一个用于写入。在顺序读取事务期间,读取地址指针自动递增。在顺序写入事务期间,写入地址指针和读取地址指针都将自动递增。

奇偶校验位 (P):SPI/tSPI 输入数据帧的标头和数据字段都包含用于单比特错误检测的奇偶校验位。使用的奇偶校验机制是偶校验,例如 16 位块(包括奇偶校验位)中 1 的数量是偶数。仅当奇偶校验成功时,数据才会写入内部寄存器。在读取操作期间,tSPI 次级器件在所读取数据的 MSB 上插入一个奇偶校验位。可通过配置 SYS_CTRL 寄存器的 SPI_PEN 位来启用或禁用奇偶校验。默认情况下会禁用奇偶校验。

注: 尽管默认情况下会禁用奇偶校验,但 TI 建议启用奇偶校验,以防止 single-bit 错误。

错误处理

奇偶校验错误:检测到奇偶校验错误时,次级器件会通过以下方式做出响应。锁存奇偶校验错误并在 nFAULT 上报告。错误状态可在 SYS_STS 寄存器的 SPI_PARITY 字段上读取。标头中的奇偶校验错误不会阻止次级器件使用数据进行响应。SDO 将由所指向的次级器件驱动。检测到奇偶校验错误时,对写入地址指针和器件寄存器的更新将被忽略。对于顺序写入,检测到奇偶校验错误时,任何后续寄存器写入都将被忽略。

帧错误:任何不完整的 tSPI 帧都将报告为帧错误。如果 tSPI 时钟周期数不是 16 的倍数,则传输视为不完整。帧错误将锁存在 SYS_STS 寄存器的 FRM_ERR 字段中并在 nFAULT 上指示。

SPI 读取/写入序列

SPI 读取序列:SPI 读取事务包含一个 8 位标头(R/W - 1 位,地址 - 6 位和相关方 - 1 位),后跟 16 位虚拟数据字。接收到标头的第一个字节后,次级器件会返回 8 位的器件状态信息作为响应。接收到标头的地址字段后,读取地址指针会立即更新。标头中的读取地址用作寄存器读取的起始地址。16 位传输完成后,读取地址指针自动递增。数据传输长度不受次级器件限制。只要初级器件传输虚拟字,次级器件就会返回数据作为响应。如果启用了奇偶校验错误检查,则读取数据的 MSB 将替换为计算出的奇偶校验位

SPI 写入序列:SPI 写入事务包含一个 8 位标头,后跟要写入寄存器组的 16 位数据字。与读取事务类似,被寻址的次级器件在接收到标头的第一个字节时返回 8 位的器件状态信息作为进行响应。接收到标头字节后,写入地址指针就会更新。标头中的写入地址用作顺序寄存器写入的起始地址。读取地址指针将保留前一个 tSPI 事务中读取的寄存器的地址。数据传输长度不受次级器件限制。16 位传输完成后,读取和写入地址指针都将自动递增。从初级器件接收数据时,SDO 将由读取地址指针所指向的寄存器数据驱动。

tSPI 通信序列

tSPI 的功能与常规 SPI 类似,但在同一片选信号 (nSCS) 下增加了对多个器件的支持。任何现有的 SPI 初级器件都能够通过修改帧格式来实现与 tSPI 次级器件通信。有效的 tSPI 帧必须满足以下条件(类似于 SPI 接口):

  • 当 nSCS 引脚从高电平转换为低电平,以及从低电平转换为高电平时,SCLK 引脚应该为低电平。nSCS 引脚从高电平切换到低电平表示帧开始,帧结束时从低电平切换到高电平。
  • 当 nSCS 引脚被拉为高电平时,SCLK 和 SDI 引脚上的任何信号都将被忽略,并且 SDO 引脚处于高阻态。
  • 数据会在 SCLK 信号的下降沿捕捉,并在 SCLK 信号的上升沿被驱动。
  • 最高有效位 (MSB) 最先移入和移出。
  • 必须至少发生 16 个 SCLK 周期,事务才有效,单个事务中的 SCLK 周期数必须是 16 的倍数。
  • 如果发送到 SDI 引脚的数据字位数不是 16 的倍数,则会发生帧错误并会忽略多余的 SCLK 周期。
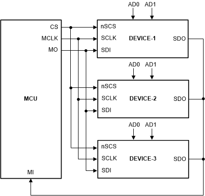
DRV8311-Q1 同一片选信号上有多个器件的 tSPI 方框图图 7-34 同一片选信号上有多个器件的 tSPI 方框图
DRV8311-Q1 具有 PWM_SYNC 的 tSPI图 7-35 具有 PWM_SYNC 的 tSPI

tSPI 读取序列:tSPI 读取事务具有一个 16 位标头(R/W - 1 位,次级器件 ID - 4 位,地址 - 8 位,保留 - 2 位和相关方 - 1 位),后跟 16 位虚拟数据字。接收到标头的第一个字节后,匹配的次级器件 ID 字段(使用 AD0 和 AD1 引脚配置)所指向的次级器件会返回 8 位器件状态信息作为响应。标头中的读取地址用作寄存器读取的起始地址。16 位传输完成后,该地址自动递增。数据传输长度不受次级器件限制。只要初级器件传输虚拟字,次级器件就会返回数据作为响应。如果启用了奇偶校验错误检查,则读取数据的 MSB 将替换为计算出的奇偶校验位。

tSPI 写入序列:tSPI 写入事务具有一个 16 位标头,后跟要写入寄存器组的 16 位数据字。与读取事务类似,被寻址的次级器件在接收到标头的第一个字节时返回 8 位的器件状态信息作为进行响应。标头中的写入地址用作顺序寄存器写入的起始地址。数据传输长度不受次级器件限制。16 位传输完成后,写入和读取地址指针都将自动递增。从初级器件接收数据时,SDO 将由读取地址指针所指向的寄存器数据驱动

tSPI 读取地址更新序列:次级器件中的独立读写地址指针允许在将数据写入一组寄存器的同时从另一组寄存器读取数据。为实现这一点,初级器件应在 tSPI 写入事务之前首先发送一个读取地址更新帧。读取地址帧只是带有标头的 tSPI 读取序列。第一个 tSPI 事务将读取地址指针更新为所需的寄存器地址。第二个 tSPI 事务是寄存器写入序列。在此序列期间,次级器件通过 SDO 发送的数据将来自在上一个 tSPI 读取序列中初始化的读取地址指针所指向的寄存器。

带奇偶校验的 tSPI 读取/写入序列如图 7-36 所示。SPI 帧标头标记为 CMD[15:8] 和 CMD[7:0]。

DRV8311-Q1 带奇偶校验的 tSPI 读取/写入图 7-36 带奇偶校验的 tSPI 读取/写入