ZHCSDE3I February   2015  – January 2025 DP83867CR , DP83867IR

PRODUCTION DATA  

  1.   1
  2. 特性
  3. 应用
  4. 说明
  5. Device Comparison
  6. Pin Configuration and Functions
    1.     7
    2. 5.1 Unused Pins
  7. Specifications
    1. 6.1  Absolute Maximum Ratings
    2. 6.2  ESD Ratings
    3. 6.3  Recommended Operating Conditions
    4. 6.4  Thermal Information
    5. 6.5  Electrical Characteristics
    6. 6.6  Power-Up Timing
    7. 6.7  Reset Timing
    8. 6.8  MII Serial Management Timing
    9. 6.9  RGMII Timing
    10. 6.10 GMII Transmit Timing
    11. 6.11 GMII Receive Timing
    12. 6.12 100Mbps MII Transmit Timing
    13. 6.13 100Mbps MII Receive Timing #GUID-033E0939-17C5-4DC1-9C2C-A3998C85D8B1/SNLS4845065
    14. 6.14 10Mbps MII Transmit Timing
    15. 6.15 10Mbps MII Receive Timing
    16. 6.16 DP83867IR/CR Start of Frame Detection Timing
    17. 6.17 Timing Diagrams
    18. 6.18 Typical Characteristics
  8. Detailed Description
    1. 7.1 Overview
    2. 7.2 Functional Block Diagram
    3. 7.3 Feature Description
      1. 7.3.1 WoL (Wake-on-LAN) Packet Detection
        1. 7.3.1.1 Magic Packet Structure
        2. 7.3.1.2 Magic Packet Example
        3. 7.3.1.3 Wake-on-LAN Configuration and Status
      2. 7.3.2 Start of Frame Detect for IEEE 1588 Time Stamp
        1. 7.3.2.1 SFD Latency Variation and Determinism
          1. 7.3.2.1.1 1000Mb SFD Variation in Master Mode
          2. 7.3.2.1.2 1000Mb SFD Variation in Slave Mode
          3. 7.3.2.1.3 100Mb SFD Variation
      3. 7.3.3 Clock Output
    4. 7.4 Device Functional Modes
      1. 7.4.1 MAC Interfaces
        1. 7.4.1.1 Reduced GMII (RGMII)
          1. 7.4.1.1.1 1000Mbps Mode Operation
          2. 7.4.1.1.2 1000Mbps Mode Timing
          3. 7.4.1.1.3 10- and 100Mbps Mode
        2. 7.4.1.2 Gigabit MII (GMII)
        3. 7.4.1.3 Media Independent Interface (MII)
          1. 7.4.1.3.1 Nibble-wide MII Data Interface
          2. 7.4.1.3.2 Collision Detect
          3. 7.4.1.3.3 Carrier Sense
      2. 7.4.2 Serial Management Interface
        1. 7.4.2.1 Extended Address Space Access
          1. 7.4.2.1.1 Write Address Operation
          2. 7.4.2.1.2 Read Address Operation
          3. 7.4.2.1.3 Write (No Post Increment) Operation
          4. 7.4.2.1.4 Read (No Post Increment) Operation
          5. 7.4.2.1.5 Write (Post Increment) Operation
          6. 7.4.2.1.6 Read (Post Increment) Operation
          7. 7.4.2.1.7 Example of Read Operation Using Indirect Register Access
          8. 7.4.2.1.8 Example of Write Operation Using Indirect Register Access
      3. 7.4.3 Auto-Negotiation
        1. 7.4.3.1 Speed and Duplex Selection - Priority Resolution
        2. 7.4.3.2 Master and Slave Resolution
        3. 7.4.3.3 Pause and Asymmetrical Pause Resolution
        4. 7.4.3.4 Next Page Support
        5. 7.4.3.5 Parallel Detection
        6. 7.4.3.6 Restart Auto-Negotiation
        7. 7.4.3.7 Enabling Auto-Negotiation Through Software
        8. 7.4.3.8 Auto-Negotiation Complete Time
        9. 7.4.3.9 Auto-MDIX Resolution
      4. 7.4.4 Loopback Mode
        1. 7.4.4.1 Near-End Loopback
          1. 7.4.4.1.1 MII Loopback
          2. 7.4.4.1.2 PCS Loopback
          3. 7.4.4.1.3 Digital Loopback
          4. 7.4.4.1.4 Analog Loopback
        2. 7.4.4.2 External Loopback
        3. 7.4.4.3 Far-End (Reverse) Loopback
      5. 7.4.5 BIST Configuration
      6. 7.4.6 Cable Diagnostics
        1. 7.4.6.1 TDR
        2. 7.4.6.2 Energy Detect
        3. 7.4.6.3 Fast Link Detect
        4. 7.4.6.4 Speed Optimization
        5. 7.4.6.5 Mirror Mode
        6. 7.4.6.6 Interrupt
        7. 7.4.6.7 IEEE 802.3 Test Modes
    5. 7.5 Programming
      1. 7.5.1 Strap Configuration
      2. 7.5.2 LED Configuration
      3. 7.5.3 LED Operation From 1.8V I/O VDD Supply
      4. 7.5.4 PHY Address Configuration
      5. 7.5.5 Reset Operation
        1. 7.5.5.1 Hardware Reset
        2. 7.5.5.2 IEEE Software Reset
        3. 7.5.5.3 Global Software Reset
        4. 7.5.5.4 Global Software Restart
      6. 7.5.6 Power-Saving Modes
        1. 7.5.6.1 IEEE Power Down
        2. 7.5.6.2 Deep Power-Down Mode
        3. 7.5.6.3 Active Sleep
        4. 7.5.6.4 Passive Sleep
    6. 7.6 Register Maps
      1. 7.6.1   Basic Mode Control Register (BMCR)
      2. 7.6.2   Basic Mode Status Register (BMSR)
      3. 7.6.3   PHY Identifier Register #1 (PHYIDR1)
      4. 7.6.4   PHY Identifier Register #2 (PHYIDR2)
      5. 7.6.5   Auto-Negotiation Advertisement Register (ANAR)
      6. 7.6.6   Auto-Negotiation Link Partner Ability Register (ANLPAR) (BASE Page)
      7. 7.6.7   Auto-Negotiate Expansion Register (ANER)
      8. 7.6.8   Auto-Negotiation Next Page Transmit Register (ANNPTR)
      9. 7.6.9   Auto-Negotiation Next Page Receive Register (ANNPRR)
      10. 7.6.10  1000BASE-T Configuration Register (CFG1)
      11. 7.6.11  Status Register 1 (STS1)
      12. 7.6.12  Extended Register Addressing
        1. 7.6.12.1 Register Control Register (REGCR)
        2. 7.6.12.2 Address or Data Register (ADDAR)
      13. 7.6.13  1000BASE-T Status Register (1KSCR)
      14. 7.6.14  PHY Control Register (PHYCR)
      15. 7.6.15  PHY Status Register (PHYSTS)
      16. 7.6.16  MII Interrupt Control Register (MICR)
      17. 7.6.17  Interrupt Status Register (ISR)
      18. 7.6.18  Configuration Register 2 (CFG2)
      19. 7.6.19  Receiver Error Counter Register (RECR)
      20. 7.6.20  BIST Control Register (BISCR)
      21. 7.6.21  Status Register 2 (STS2)
      22. 7.6.22  LED Configuration Register 1 (LEDCR1)
      23. 7.6.23  LED Configuration Register 2 (LEDCR2)
      24. 7.6.24  LED Configuration Register (LEDCR3)
      25. 7.6.25  Configuration Register 3 (CFG3)
      26. 7.6.26  Control Register (CTRL)
      27. 7.6.27  Testmode Channel Control (TMCH_CTRL)
      28. 7.6.28  Robust Auto MDIX Timer Configuration Register (AMDIX_TMR_CFG)
      29. 7.6.29  Fast Link Drop Configuration Register (FLD_CFG)
      30. 7.6.30  Fast Link Drop Threshold Configuration Register (FLD_THR_CFG)
      31. 7.6.31  Configuration Register 4 (CFG4)
      32. 7.6.32  RGMII Control Register (RGMIICTL)
      33. 7.6.33  RGMII Control Register 2 (RGMIICTL2)
      34. 7.6.34  100BASE-TX Configuration (100CR)
      35. 7.6.35  Viterbi Module Configuration (VTM_CFG)
      36. 7.6.36  Skew FIFO Status (SKEW_FIFO)
      37. 7.6.37  Strap Configuration Status Register 1 (STRAP_STS1)
      38. 7.6.38  Strap Configuration Status Register 2 (STRAP_STS2)
      39. 7.6.39  BIST Control and Status Register 1 (BICSR1)
      40. 7.6.40  BIST Control and Status Register 2 (BICSR2)
      41. 7.6.41  BIST Control and Status Register 3 (BICSR3)
      42. 7.6.42  BIST Control and Status Register 4 (BICSR4)
      43. 7.6.43  Configuration for Receiver's Equalizer (CRE)
      44. 7.6.44  RGMII Delay Control Register (RGMIIDCTL)
      45. 7.6.45  ANA_LD_TXG_FINE_GAINSEL_AB (ALTFGAB)
      46. 7.6.46  ANA_LD_TXG_FINE_GAINSEL_CD (ALTFGCD)
      47. 7.6.47  ANA_LD_FILTER_TUNE_AB (ALFTAB)
      48. 7.6.48  ANA_LD_FILTER_TUNE_CD (ALFTCD)
      49. 7.6.49  Configuration of Receiver's LPF (CRLPF)
      50. 7.6.50  Enable Control of Receiver's Equalizer (ECRE)
      51. 7.6.51  PLL Clock-out Control Register (PLLCTL)
      52. 7.6.52  Sync FIFO Control (SYNC_FIFO_CTRL)
      53. 7.6.53  Loopback Configuration Register (LOOPCR)
      54. 7.6.54  DSP Configuration (DSP_CONFIG)
      55. 7.6.55  DSP Feedforward Equalizer Configuration (DSP_FFE_CFG)
      56. 7.6.56  Receive Configuration Register (RXFCFG)
      57. 7.6.57  Receive Status Register (RXFSTS)
      58. 7.6.58  Pattern Match Data Register 1 (RXFPMD1)
      59. 7.6.59  Pattern Match Data Register 2 (RXFPMD2)
      60. 7.6.60  Pattern Match Data Register 3 (RXFPMD3)
      61. 7.6.61  SecureOn Pass Register 2 (RXFSOP1)
      62. 7.6.62  SecureOn Pass Register 2 (RXFSOP2)
      63. 7.6.63  SecureOn Pass Register 3 (RXFSOP3)
      64. 7.6.64  Receive Pattern Register 1 (RXFPAT1)
      65. 7.6.65  Receive Pattern Register 2 (RXFPAT2)
      66. 7.6.66  Receive Pattern Register 3 (RXFPAT3)
      67. 7.6.67  Receive Pattern Register 4 (RXFPAT4)
      68. 7.6.68  Receive Pattern Register 5 (RXFPAT5)
      69. 7.6.69  Receive Pattern Register 6 (RXFPAT6)
      70. 7.6.70  Receive Pattern Register 7 (RXFPAT7)
      71. 7.6.71  Receive Pattern Register 8 (RXFPAT8)
      72. 7.6.72  Receive Pattern Register 9 (RXFPAT9)
      73. 7.6.73  Receive Pattern Register 10 (RXFPAT10)
      74. 7.6.74  Receive Pattern Register 11 (RXFPAT11)
      75. 7.6.75  Receive Pattern Register 12 (RXFPAT12)
      76. 7.6.76  Receive Pattern Register 13 (RXFPAT13)
      77. 7.6.77  Receive Pattern Register 14 (RXFPAT14)
      78. 7.6.78  Receive Pattern Register 15 (RXFPAT15)
      79. 7.6.79  Receive Pattern Register 16 (RXFPAT16)
      80. 7.6.80  Receive Pattern Register 17 (RXFPAT17)
      81. 7.6.81  Receive Pattern Register 18 (RXFPAT18)
      82. 7.6.82  Receive Pattern Register 19 (RXFPAT19)
      83. 7.6.83  Receive Pattern Register 20 (RXFPAT20)
      84. 7.6.84  Receive Pattern Register 21 (RXFPAT21)
      85. 7.6.85  Receive Pattern Register 22 (RXFPAT22)
      86. 7.6.86  Receive Pattern Register 23 (RXFPAT23)
      87. 7.6.87  Receive Pattern Register 24 (RXFPAT24)
      88. 7.6.88  Receive Pattern Register 25 (RXFPAT25)
      89. 7.6.89  Receive Pattern Register 26 (RXFPAT26)
      90. 7.6.90  Receive Pattern Register 27 (RXFPAT27)
      91. 7.6.91  Receive Pattern Register 28 (RXFPAT28)
      92. 7.6.92  Receive Pattern Register 29 (RXFPAT29)
      93. 7.6.93  Receive Pattern Register 30 (RXFPAT30)
      94. 7.6.94  Receive Pattern Register 31 (RXFPAT31)
      95. 7.6.95  Receive Pattern Register 32 (RXFPAT32)
      96. 7.6.96  Receive Pattern Byte Mask Register 1 (RXFPBM1)
      97. 7.6.97  Receive Pattern Byte Mask Register 2 (RXFPBM2)
      98. 7.6.98  Receive Pattern Byte Mask Register 3 (RXFPBM3)
      99. 7.6.99  Receive Pattern Byte Mask Register 4 (RXFPBM4)
      100. 7.6.100 Receive Pattern Control (RXFPATC)
      101. 7.6.101 I/O Configuration (IO_MUX_CFG)
      102. 7.6.102 GPIO Mux Control Register 1 (GPIO_MUX_CTRL1)
      103. 7.6.103 GPIO Mux Control Register 2 (GPIO_MUX_CTRL2)
      104. 7.6.104 GPIO Mux Control Register (GPIO_MUX_CTRL)
      105. 7.6.105 TDR General Configuration Register 1 (TDR_GEN_CFG1)
      106. 7.6.106 TDR Peak Locations Register 1 (TDR_PEAKS_LOC_1)
      107. 7.6.107 TDR Peak Locations Register 2 (TDR_PEAKS_LOC_2)
      108. 7.6.108 TDR Peak Locations Register 3 (TDR_PEAKS_LOC_3)
      109. 7.6.109 TDR Peak Locations Register 4 (TDR_PEAKS_LOC_4)
      110. 7.6.110 TDR Peak Locations Register 5 (TDR_PEAKS_LOC_5)
      111. 7.6.111 TDR Peak Locations Register 6 (TDR_PEAKS_LOC_6)
      112. 7.6.112 TDR Peak Locations Register 7 (TDR_PEAKS_LOC_7)
      113. 7.6.113 TDR Peak Locations Register 8 (TDR_PEAKS_LOC_8)
      114. 7.6.114 TDR Peak Locations Register 9 (TDR_PEAKS_LOC_9)
      115. 7.6.115 TDR Peak Locations Register 10 (TDR_PEAKS_LOC_10)
      116. 7.6.116 TDR Peak Amplitudes Register 1 (TDR_PEAKS_AMP_1)
      117. 7.6.117 TDR Peak Amplitudes Register 2 (TDR_PEAKS_AMP_2)
      118. 7.6.118 TDR Peak Amplitudes Register 3 (TDR_PEAKS_AMP_3)
      119. 7.6.119 TDR Peak Amplitudes Register 4 (TDR_PEAKS_AMP_4)
      120. 7.6.120 TDR Peak Amplitudes Register 5 (TDR_PEAKS_AMP_5)
      121. 7.6.121 TDR Peak Amplitudes Register 6 (TDR_PEAKS_AMP_6)
      122. 7.6.122 TDR Peak Amplitudes Register 7 (TDR_PEAKS_AMP_7)
      123. 7.6.123 TDR Peak Amplitudes Register 8 (TDR_PEAKS_AMP_8)
      124. 7.6.124 TDR Peak Amplitudes Register 9 (TDR_PEAKS_AMP_9)
      125. 7.6.125 TDR Peak Amplitudes Register 10 (TDR_PEAKS_AMP_10)
      126. 7.6.126 TDR General Status (TDR_GEN_STATUS)
      127. 7.6.127 TDR Peak Sign AB (TDR_PEAK_SIGN_A_B)
      128. 7.6.128 TDR Peak Sign CD (TDR_PEAK_SIGN_C_D)
  9. Application and Implementation
    1. 8.1 Application Information
    2. 8.2 Typical Application
      1. 8.2.1 Design Requirements
        1. 8.2.1.1 Cable Line Driver
        2. 8.2.1.2 Clock In (XI) Recommendation
        3. 8.2.1.3 Crystal Recommendations
        4. 8.2.1.4 Clock Out (CLK_OUT) Phase Noise
      2. 8.2.2 Detailed Design Procedure
        1. 8.2.2.1 MAC Interface
          1. 8.2.2.1.1 RGMII Layout Guidelines
          2. 8.2.2.1.2 GMII Layout Guidelines
        2. 8.2.2.2 Media Dependent Interface (MDI)
          1. 8.2.2.2.1 MDI Layout Guidelines
      3. 8.2.3 Application Curves
    3. 8.3 Power Supply Recommendations
    4. 8.4 Layout
      1. 8.4.1 Layout Guidelines
        1. 8.4.1.1 Signal Traces
        2. 8.4.1.2 Return Path
        3. 8.4.1.3 Transformer Layout
        4. 8.4.1.4 Metal Pour
        5. 8.4.1.5 PCB Layer Stacking
      2. 8.4.2 Layout Example
  10. Device and Documentation Support
    1. 9.1 Documentation Support
      1. 9.1.1 Related Documentation
    2. 9.2 接收文档更新通知
    3. 9.3 支持资源
    4. 9.4 Trademarks
    5. 9.5 静电放电警告
    6. 9.6 术语表
  11. 10Revision History
  12. 11Mechanical, Packaging, and Orderable Information

封装选项

请参考 PDF 数据表获取器件具体的封装图。

机械数据 (封装 | 引脚)
  • RGZ|48
  • PAP|64
散热焊盘机械数据 (封装 | 引脚)
订购信息

Timing Diagrams

DP83867IR DP83867CR Power-Up Timing Figure 6-1 Power-Up Timing
DP83867IR DP83867CR Reset Timing Figure 6-2 Reset Timing
DP83867IR DP83867CR MII Serial Management
                    Timing Figure 6-3 MII Serial Management Timing
DP83867IR DP83867CR RGMII Transmit Multiplexing
                    and Timing Diagram Figure 6-4 RGMII Transmit Multiplexing and Timing Diagram
DP83867IR DP83867CR RGMII Receive Multiplexing and
                    Timing Diagram Figure 6-5 RGMII Receive Multiplexing and Timing Diagram
DP83867IR DP83867CR GMII
                    Transmit Timing Figure 6-6 GMII Transmit Timing
DP83867IR DP83867CR GMII Receive Timing Figure 6-7 GMII Receive Timing
DP83867IR DP83867CR 100Mbps MII Transmit
                    Timing Figure 6-8 100Mbps MII Transmit Timing
DP83867IR DP83867CR 100Mbps MII Receive
                    Timing Figure 6-9 100Mbps MII Receive Timing
DP83867IR DP83867CR 10Mbps MII Transmit
                    Timing Figure 6-10 10Mbps MII Transmit Timing
DP83867IR DP83867CR 10Mbps
                    MII Receive Timing Figure 6-11 10Mbps MII Receive Timing
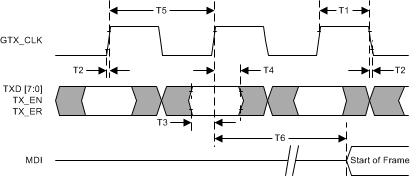
DP83867IR DP83867CR DP83867IR/CR Start of Frame Delimiter Timing Figure 6-12 DP83867IR/CR Start of Frame Delimiter Timing