ZHCU458J March   2018  – February 2025 TMS320F28P550SG , TMS320F28P550SJ , TMS320F28P559SG-Q1 , TMS320F28P559SJ-Q1

 

  1.   1
  2.   说明
  3.   资源
  4.   特性
  5.   应用
  6.   6
  7. 1系统说明
    1. 1.1 主要系统规格
  8. 2系统概述
    1. 2.1 方框图
    2. 2.2 重点产品
      1. 2.2.1  UCC21710
      2. 2.2.2  UCC5350
      3. 2.2.3  TMS320F28379D
      4. 2.2.4  AMC3306M05
      5. 2.2.5  OPA4388
      6. 2.2.6  TMCS1123
      7. 2.2.7  AMC0330R
      8. 2.2.8  AMC0381D
      9. 2.2.9  UCC14341
      10. 2.2.10 UCC33421
    3. 2.3 系统设计原理
      1. 2.3.1 三相 T 型逆变器
        1. 2.3.1.1 架构概述
        2. 2.3.1.2 LCL 滤波器设计
        3. 2.3.1.3 电感器设计
        4. 2.3.1.4 SiC MOSFET 选型
        5. 2.3.1.5 损耗估算
      2. 2.3.2 电压感测
      3. 2.3.3 电流检测
      4. 2.3.4 系统辅助电源
      5. 2.3.5 栅极驱动器
        1. 2.3.5.1 1200V SiC MOSFET
        2. 2.3.5.2 650V SiC MOSFET
        3. 2.3.5.3 栅极驱动器辅助电源
      6. 2.3.6 控制设计
        1. 2.3.6.1 电流环路设计
        2. 2.3.6.2 PFC 直流母线电压调节环路设计
  9. 3硬件、软件、测试要求和测试结果
    1. 3.1 所需的硬件和软件
      1. 3.1.1 硬件
        1. 3.1.1.1 所需的测试硬件
        2. 3.1.1.2 设计中使用的微控制器资源 (TMS320F28379D)
        3. 3.1.1.3 F28377D、F28379D 控制卡设置
        4. 3.1.1.4 设计中使用的微控制器资源 (TMS320F280039C)
      2. 3.1.2 软件
        1. 3.1.2.1 固件入门
          1. 3.1.2.1.1 打开 CCS 工程
          2. 3.1.2.1.2 Digital Power SDK 软件架构
          3. 3.1.2.1.3 中断和实验结构
          4. 3.1.2.1.4 构建、加载和调试固件
          5. 3.1.2.1.5 CPU 负载
        2. 3.1.2.2 保护方案
        3. 3.1.2.3 PWM 开关方案
        4. 3.1.2.4 ADC 负载
    2. 3.2 测试和结果
      1. 3.2.1 实验 1
      2. 3.2.2 测试逆变器运行情况
        1. 3.2.2.1 实验 2
        2. 3.2.2.2 实验 3
        3. 3.2.2.3 实验 4
      3. 3.2.3 测试 PFC 运行情况
        1. 3.2.3.1 实验 5
        2. 3.2.3.2 实验 6
        3. 3.2.3.3 实验 7
      4. 3.2.4 效率测试设置
      5. 3.2.5 测试结果
        1. 3.2.5.1 PFC 模式
          1. 3.2.5.1.1 PFC 启动 – 230VRMS、400VL-L 交流电压
          2. 3.2.5.1.2 稳态结果 - PFC 模式
          3. 3.2.5.1.3 效率、THD 和功率因数结果、60Hz – PFC 模式
          4. 3.2.5.1.4 阶跃负载变化时的瞬态测试
        2. 3.2.5.2 逆变器模式
  10. 4设计文件
    1. 4.1 原理图
    2. 4.2 物料清单
    3. 4.3 PCB 布局建议
      1. 4.3.1 布局图
    4. 4.4 Altium 工程
    5. 4.5 Gerber 文件
    6. 4.6 装配图
  11. 5商标
  12. 6关于作者
  13. 7修订历史记录

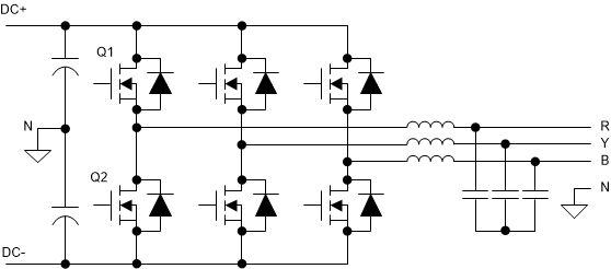
架构概述

若要了解三级 T 型逆变器背后的推动力,需要了解传统两级逆变器的一些背景知识。图 2-4 展示了此架构的典型实现。

TIDA-01606 两级三相逆变器架构图 2-4 两级三相逆变器架构

为简化分析,将只看其中一条桥臂。

TIDA-01606 两级单相逆变器桥臂图 2-5 两级单相逆变器桥臂

在此示例中,两个开关器件形成一对,有四种可能的导通状态,与其他相位无关。

TIDA-01606 Q1 和 Q2 关断图 2-6 Q1 和 Q2 关断
TIDA-01606 Q1 关断,Q2 导通图 2-8 Q1 关断,Q2 导通
TIDA-01606 Q1 导通,Q2 关断图 2-7 Q1 导通,Q2 关断
TIDA-01606 Q1 和 Q2 导通(无效)图 2-9 Q1 和 Q2 导通(无效)

观察通过逆变器的电流路径可以看出,每个开关器件必须能够阻断 DC+ 和 DC– 之间存在的完整直流链路电压。在传统的低压系统 (< 600V) 中,这种功能对于现货供应的常见现成 IGBT 来说是微不足道的。然而,如果在不增加电流的情况下将直流链路电压推高以增加功率吞吐量(这是电力电子领域的一个普遍趋势),则此限制功能为支持的电压范围设定了一个上限。

此外,增加的电压会导致传统 IGBT 的开关损耗增加。即使这些器件能够支持更高的电压,其中的低 dV/dt 也会加剧。该 dV/dt 决定了一个器件从导通转换到关断的速度(反之亦然),从而确定这些状态中每一个状态之间的死区时间。开关时间或死区时间的延长意味着开关处于完全导通状态的时间更少,从而导致效率降低。

两级逆变器的这两个主要缺点推动了本设计中采用的实现方案的诞生。

标准两级逆变器之后的更高一级是 T 型三级逆变器。这种类型的实现方法是在开关节点和由大容量输入电容器建立的直流链路的中性点之间插入两个背对背开关器件。这两个开关器件置于共发射极配置中,以便能够通过导通或关断一个或另一个器件来控制电流。这种配置还使两个器件能够共用一个偏置电源,因为栅极-发射极电压采用相同的基准。图 2-10 所示为该实现方案的简化视图。

注:

E6 硬件中间开关配置为共源开关。然而,E7 硬件中间开关配置为共漏极开关。以下 T 型示例图是使用共源配置完成的。

TIDA-01606 三级 T 型、三相逆变器架构图 2-10 三级 T 型、三相逆变器架构

为了帮助了解该架构的优势,逆变器再次减少为一条桥臂。

TIDA-01606 三级 T 型、单相逆变器桥臂图 2-11 三级 T 型、单相逆变器桥臂

添加两个额外的开关器件会使系统控制复杂化,但在不同调制点期间对电流进行评估的同样过程能够说明架构的优势。此外,还可以演示一个简化的换向方案,说明 T 型逆变器的控制并不比传统的两级架构困难很多。

一条桥臂具有三种可能的连接状态:DC+、DC– 或 N。这种连接可通过分别闭合 Q1、闭合 Q3 和 Q4 以及闭合 Q2 来实现。但是,该方案取决于系统中当前的路径。更确切地说,对于 DC+ 连接,可以闭合 Q1 和 Q3,对于中性点连接,可以闭合 Q2 和 Q4,而对于 DC– 连接,可以闭合 Q2 和 Q4。该方案的工作情况与电流方向无关,如以下各图所示。

TIDA-01606 Q1 导通,Q2 关断,Q3 导通,Q4 关断图 2-12 Q1 导通,Q2 关断,Q3 导通,Q4 关断
TIDA-01606 Q1 关断,Q2 关断,Q3 导通,Q4 导通图 2-14 Q1 关断,Q2 关断,Q3 导通,Q4 导通
TIDA-01606 Q1 关断,Q2 关断,Q3 导通,Q4 关断图 2-13 Q1 关断,Q2 关断,Q3 导通,Q4 关断

此示例首先通过闭合 Q1 和 Q3 将输出相位连接到 DC+,从而从系统输出电流。为了转换到 N 连接,先断开 Q1 并经过一个死区时间延时后闭合 Q4。这种设置允许电流自然流过 Q3 并流过 Q4 的二极管。

TIDA-01606 Q1 导通,Q2 关断,Q3 导通,Q4 关断图 2-15 Q1 导通,Q2 关断,Q3 导通,Q4 关断
TIDA-01606 Q1 关断,Q2 关断,Q3 导通,Q4 导通图 2-17 Q1 关断,Q2 关断,Q3 导通,Q4 导通
TIDA-01606 Q1 关断,Q2 关断,Q3 导通,Q4 关断图 2-16 Q1 关断,Q2 关断,Q3 导通,Q4 关断

对于负电流,可以使用相同的顺序。一旦 Q4 闭合,电流就会流过 Q4 并流过 Q3 的二极管,而不会流过 Q1 的二极管。

TIDA-01606 Q1 关断,Q2 关断,Q3 导通,Q4 导通图 2-18 Q1 关断,Q2 关断,Q3 导通,Q4 导通
TIDA-01606 Q1 导通,Q2 关断,Q3 导通,Q4 关断图 2-20 Q1 导通,Q2 关断,Q3 导通,Q4 关断
TIDA-01606 Q1 关断,Q2 关断,Q3 导通,Q4 关断图 2-19 Q1 关断,Q2 关断,Q3 导通,Q4 关断

将输出桥臂从 N 连接到具有正电流的 DC+ 时,可以观察到类似的自然电流。Q3 和 Q4 以完整的 N 连接开始闭合。Q4 关断,但电流仍流经其相关二极管。现在,闭合 Q1 会将电流从 N 自然地切换到 DC+。

TIDA-01606 Q1 关断,Q2 关断,Q3 导通,Q4 导通图 2-21 Q1 关断,Q2 关断,Q3 导通,Q4 导通
TIDA-01606 Q1 导通,Q2 关断,Q3 导通,Q4 关断图 2-23 Q1 导通,Q2 关断,Q3 导通,Q4 关断
TIDA-01606 Q1 关断,Q2 关断,Q3 导通,Q4 关断图 2-22 Q1 关断,Q2 关断,Q3 导通,Q4 关断

与前面针对负电流从 DC+ 转换到 N 连接的示例一样,同样的方案在这里也可用于正电流。Q3 和 Q4 开始闭合,将电流传导到 N。Q4 断开,使电流流过 Q1 的二极管。最后,Q1 闭合,电流继续沿相同方向流动。

所有这四种转换状态(DC+ 到 N、N 到 DC+,并涉及正向和反向电流)都可共用两个简单的开关方案。对于通过 Q2 转换到 DC– 或从 DC– 进行转换的情况,这一结论也成立。通过在所有开关周期内保留该方案,开关事件之间的简单死区延迟就足以避免击穿;但是,可以相对轻松地在控制软件中添加额外的保护。

这种调制方案的另一个好处是 Q3 和 Q4 绝不会同时开关。这一优点可降低器件上的电压应力以及偏置电源的额定功率,从而有效驱动这些器件。如前文所述,Q3 和 Q4 可共享大小适用于一个驱动器而不是两个驱动器的单电源。

Q1 和 Q2 仍然需要像在传统架构中的逆变器那样阻断完整的直流链路电压。若要使用更高的直流母线电压,此处仍须有完整电压 FET;但是,相关逆变器是背对背的且不会同时开关,因此中间桥臂上的两个开关的额定值可以更低。