ZHCADQ1A January   2024  – April 2024

 

  1.   1
  2.   摘要
  3.   商标
  4. 1通用德州仪器 (TI) 高压评估模块 (TI HV EVM) 用户安全指南
  5. 2简介
  6. 3系统说明
    1. 3.1 主要系统规格
  7. 4系统概述
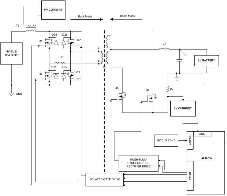
    1. 4.1 方框图
    2. 4.2 基本操作
    3. 4.3 系统设计原理
      1. 4.3.1 峰值电流模式控制 (PCMC) 实现
      2. 4.3.2 零电压开关 (ZVS) 或低压开关 (LVS)
      3. 4.3.3 同步整流
      4. 4.3.4 斜率补偿
  8. 5硬件
    1. 5.1 硬件概述
    2. 5.2 所需的硬件和测试仪器
    3. 5.3 TMDSCNCD263 controlCARD™ 更改
  9. 6软件
    1. 6.1 固件入门
      1. 6.1.1 打开 Code Composer Studio 工程
      2. 6.1.2 软件架构
      3. 6.1.3 工程文件夹结构
    2. 6.2 SysConfig 设置
      1. 6.2.1 EPWM 配置
      2. 6.2.2 ADC 配置
      3. 6.2.3 CMPSS 配置
    3. 6.3 增量构建
      1. 6.3.1 运行递增构建的过程 - PCMC
        1. 6.3.1.1 实验 1:采用开路电流和电压环路进行相位重叠检查
          1. 6.3.1.1.1 实验 1 的目标
          2. 6.3.1.1.2 实验 1 概述
          3. 6.3.1.1.3 实验 1 的过程
            1. 6.3.1.1.3.1 启动 CCS 并打开实验 1 的工程
            2. 6.3.1.1.3.2 为实验 1 构建和加载工程
            3. 6.3.1.1.3.3 实验 1 的调试环境窗口
            4. 6.3.1.1.3.4 运行实验 1 的代码
        2. 6.3.1.2 实验 2:闭合电流和开路电压环路
          1. 6.3.1.2.1 实验 2 的目标
          2. 6.3.1.2.2 实验 2 概述
          3. 6.3.1.2.3 实验 2 的过程
            1. 6.3.1.2.3.1 为实验 2 构建和加载工程
            2. 6.3.1.2.3.2 实验 2 的调试环境窗口
            3. 6.3.1.2.3.3 运行实验 2 的代码
        3. 6.3.1.3 实验 3:闭合电流和闭合电压环路
          1. 6.3.1.3.1 实验 3 的目标
          2. 6.3.1.3.2 实验 3 概述
          3. 6.3.1.3.3 实验 3 的过程
            1. 6.3.1.3.3.1 为实验 3 构建和加载工程
            2. 6.3.1.3.3.2 实验 3 的调试环境窗口
            3. 6.3.1.3.3.3 运行实验 3 的代码
  10. 7测试和结果
    1. 7.1 实验 0:基本 PWM 检查
    2. 7.2 实验 1:采用开路电流和电压环路进行相位重叠检查
    3. 7.3 实验 2:闭合电流和开路电压环路
    4. 7.4 实验 3:闭合电流和闭合电压环路
  11. 8参考资料
  12. 9修订历史记录

方框图

TIDM-02009 系统方框图图 4-1 系统方框图