ZHCABY4B March   2023  – September 2025 MSPM0L1105 , MSPM0L1106 , MSPM0L1303 , MSPM0L1304 , MSPM0L1304-Q1 , MSPM0L1305 , MSPM0L1305-Q1 , MSPM0L1306 , MSPM0L1306-Q1 , MSPM0L1343 , MSPM0L1344 , MSPM0L1345 , MSPM0L1346

 

  1.   1
  2.   摘要
  3.   商标
  4. MSPM0L 硬件设计检查清单
  5. MSPM0L 器件中的电源
    1. 2.1 数字电源
    2. 2.2 模拟电源
    3. 2.3 内置电源和电压基准
    4. 2.4 推荐的电源去耦电路
  6. 复位和电源监控器
    1. 3.1 数字电源
    2. 3.2 电源监控器
  7. 时钟系统
    1. 4.1 内部振荡器
    2. 4.2 外部时钟输出 (CLK_OUT)
    3. 4.3 频率时钟计数器 (FCC)
  8. 调试器
    1. 5.1 调试端口引脚和引脚排列
    2. 5.2 使用标准 JTAG 连接器的调试端口连接
  9. 主要模拟外设
    1. 6.1 ADC 设计注意事项
    2. 6.2 OPA 设计注意事项
    3. 6.3 DAC 设计注意事项
    4. 6.4 COMP 设计注意事项
    5. 6.5 GPAMP 设计注意事项
    6. 6.6 LCD 设计注意事项
  10. 主要数字外设
    1. 7.1 计时器资源和设计注意事项
    2. 7.2 UART 和 LIN 资源以及设计注意事项
    3. 7.3 I2C 和 SPI 设计注意事项
  11. GPIO
    1. 8.1 GPIO 输出开关速度和负载电容
    2. 8.2 GPIO 灌电流和拉电流
    3. 8.3 高速 GPIO
    4. 8.4 开漏 GPIO 可在没有电平转换器的情况下支持 5V 通信
    5. 8.5 在没有电平转换器的情况下与 1.8V 器件通信
    6. 8.6 未使用引脚连接
  12. 布局指南
    1. 9.1 电源布局
    2. 9.2 接地布局注意事项
    3. 9.3 布线、过孔和其他 PCB 元件
    4. 9.4 如何选择电路板层和建议堆叠
  13. 10引导加载程序
    1. 10.1 引导加载程序简介
    2. 10.2 引导加载程序硬件设计注意事项
      1. 10.2.1 物理通信接口
      2. 10.2.2 硬件调用
  14. 11参考资料
  15. 12修订历史记录

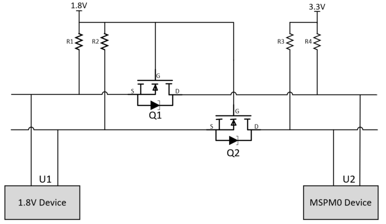
在没有电平转换器的情况下与 1.8V 器件通信

MSPM0L 系列器件使用 3.3V 逻辑电平(不包括 ODIO)。为了在没有外部电平转换器器件的情况下与 1.8V 器件通信,图 8-2 给出了一个用于连接 1.8V 器件的建议电路。

 与 1.8V 器件通信的建议电路图 8-2 与 1.8V 器件通信的建议电路

此电路中使用了两个 MOSFET。检查 VGS 以确认该 MOSFET 能够在低 RDS (on) 下完全导通:对于 1.8V 器件,请使用低于 1.8V 的 VGS MOSFET。但是,不要使用过低的 VGS MOSFET,因为这会导致 MOSFET 在极低的电压下导通(MCU 逻辑将其判断为 0),从而导致通信逻辑错误。

U1 输出和 U2 输入

  1. U1 输出 1.8V 高电平,Q1 VGS 约为 0,因此 Q1 关闭,U2 通过 R4 读取 3.3V 高电平
  2. U1 输出:低电平,Q1 VGS 接近 1.8V,因此 Q1 导通,U2 读取 低电平

U1 输入和 U2 输出

  1. U2 输出 3.3V 高电平,U1 通过 R1 保持 1.8V,且 Q1 关断,因此 U1 读取 1.8V 高电平
  2. U2 输出:低电平,U1 先通过 R1 保持 1.8V,但 MOSFET 中的二极管会将 U1 拉低至 0.7V(二极管压降),进而使 VGS 大于导通电压,Q1 导通,U1 读取低电平