ZHCABW8A June   2020  – November 2022 LM5156 , LM5156-Q1 , LM51561 , LM51561-Q1 , LM51561H , LM51561H-Q1 , LM5156H , LM5156H-Q1

 

  1.   如何使用 LM5156 设计升压转换器
  2. 1LM5156 设计示例
  3. 2示例应用
  4. 3计算和元件选型
    1. 3.1  开关频率
    2. 3.2  电感器计算
    3. 3.3  电流检测电阻计算
      1. 3.3.1 电流检测电阻和斜率补偿电阻选型
      2. 3.3.2 电流检测电阻滤波器计算
    4. 3.4  电感器选型
    5. 3.5  二极管选型
    6. 3.6  MOSFET 选型
    7. 3.7  输出电容器选型
    8. 3.8  输入电容器选型
    9. 3.9  UVLO 电阻选型
    10. 3.10 软启动电容器选型
    11. 3.11 反馈电阻器选型
    12. 3.12 控制环路补偿
      1. 3.12.1 选择环路交叉频率 (fCROSS)
      2. 3.12.2 确定所需 RCOMP
      3. 3.12.3 确定所需 CCOMP
      4. 3.12.4 确定所需 CHF
    13. 3.13 效率估算
  5. 4元件选型摘要
    1.     25
  6. 5小信号频率分析
    1. 5.1 升压稳压器调制器建模
    2. 5.2 补偿建模
    3. 5.3 开环建模
  7. 6修订历史记录

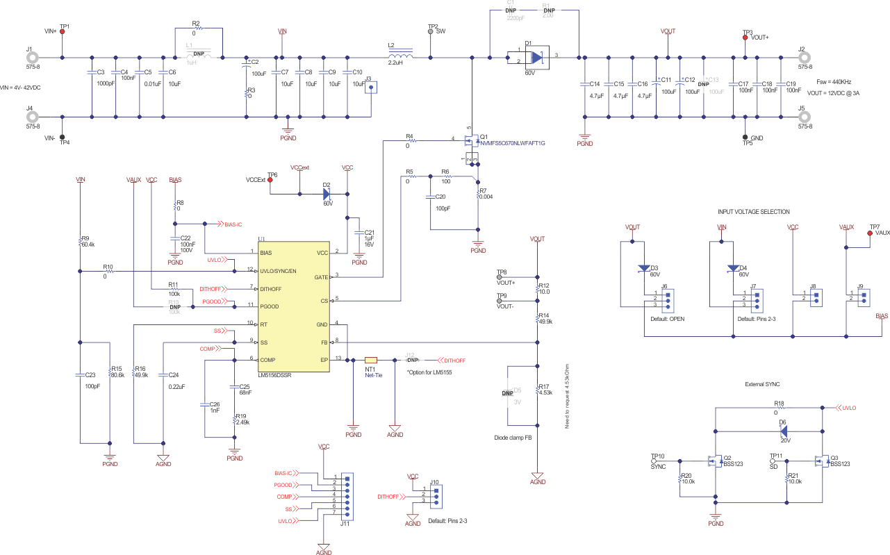
GUID-2F51CF27-4CDE-407F-9F62-B346337B1599-low.gif图 4-6 LM5156EVM-BST 原理图