ZHCABK1A February   2022  – March 2024 ADS1119 , ADS1120 , ADS1120-Q1 , ADS112C04 , ADS112U04 , ADS1130 , ADS1131 , ADS114S06 , ADS114S06B , ADS114S08 , ADS114S08B , ADS1158 , ADS1219 , ADS1220 , ADS122C04 , ADS122U04 , ADS1230 , ADS1231 , ADS1232 , ADS1234 , ADS1235 , ADS1235-Q1 , ADS124S06 , ADS124S08 , ADS1250 , ADS1251 , ADS1252 , ADS1253 , ADS1254 , ADS1255 , ADS1256 , ADS1257 , ADS1258 , ADS1258-EP , ADS1259 , ADS1259-Q1 , ADS125H01 , ADS125H02 , ADS1260 , ADS1260-Q1 , ADS1261 , ADS1261-Q1 , ADS1262 , ADS1263 , ADS127L01 , ADS130E08 , ADS131A02 , ADS131A04 , ADS131E04 , ADS131E06 , ADS131E08 , ADS131E08S , ADS131M02 , ADS131M03 , ADS131M04 , ADS131M06 , ADS131M08

 

  1.   1
  2.   摘要
  3.   商标
  4. 1电桥概述
  5. 2电桥结构
    1. 2.1 电桥拓扑结构中的有源元件
      1. 2.1.1 具有一个有源元件的电桥
        1. 2.1.1.1 使用电流激励在具有一个有源元件的电桥中降低非线性
      2. 2.1.2 在对面支路中具有两个有源元件的电桥
        1. 2.1.2.1 使用电流激励消除对面支路中具有两个有源元件的电桥中的非线性
      3. 2.1.3 在同一支路中具有两个有源元件的电桥
      4. 2.1.4 具有四个有源元件的电桥
    2. 2.2 应变仪和电桥结构
  6. 3电桥连接
    1. 3.1 比例式测量
    2. 3.2 四线电桥
    3. 3.3 六线电桥
  7. 4电桥测量的电气特性
    1. 4.1 电桥灵敏度
    2. 4.2 电桥电阻
    3. 4.3 输出共模电压
    4. 4.4 失调电压
    5. 4.5 满量程误差
    6. 4.6 非线性误差和迟滞
    7. 4.7 漂移
    8. 4.8 蠕变和蠕变恢复
  8. 5信号链设计注意事项
    1. 5.1 放大
      1. 5.1.1 仪表放大器
        1. 5.1.1.1 INA 架构和运行
        2. 5.1.1.2 INA 误差源
      2. 5.1.2 集成式 PGA
        1. 5.1.2.1 集成式 PGA 架构和运行
        2. 5.1.2.2 使用集成 PGA 的优点
    2. 5.2 噪声
      1. 5.2.1 ADC 噪声数据表
      2. 5.2.2 计算电桥测量系统的 NFC
    3. 5.3 通道扫描时间和信号带宽
      1. 5.3.1 噪声性能
      2. 5.3.2 ADC 转换延迟
      3. 5.3.3 数字滤波器频率响应
    4. 5.4 交流激励
    5. 5.5 校准
      1. 5.5.1 失调校准
      2. 5.5.2 增益校准
      3. 5.5.3 校准示例
  9. 6电桥测量电路
    1. 6.1 使用比例基准和单极低电压 (≤ 5V) 激励源的四线电阻式电桥测量
      1. 6.1.1 原理图
      2. 6.1.2 优缺点
      3. 6.1.3 参数和变量
      4. 6.1.4 设计说明
      5. 6.1.5 测量转换
      6. 6.1.6 通用寄存器设置
    2. 6.2 使用比例基准和单极低电压 (≤ 5V) 激励源的六线电阻式电桥测量
      1. 6.2.1 原理图
      2. 6.2.2 优缺点
      3. 6.2.3 参数和变量
      4. 6.2.4 设计说明
      5. 6.2.5 测量转换
      6. 6.2.6 通用的寄存器设置
    3. 6.3 使用伪比例基准和单极高电压 (> 5V) 激励源的四线电阻式电桥测量
      1. 6.3.1 原理图
      2. 6.3.2 优缺点
      3. 6.3.3 参数和变量
      4. 6.3.4 设计注意事项
      5. 6.3.5 测量转换
      6. 6.3.6 通用的寄存器设置
    4. 6.4 使用伪比例基准和非对称高电压 (> 5V) 激励源的四线电阻式电桥测量
      1. 6.4.1 原理图
      2. 6.4.2 优缺点
      3. 6.4.3 参数和变量
      4. 6.4.4 设计注意事项
      5. 6.4.5 测量转换
      6. 6.4.6 通用的寄存器设置
    5. 6.5 使用比例基准和电流激励的四线电阻式电桥测量
      1. 6.5.1 原理图
      2. 6.5.2 优缺点
      3. 6.5.3 参数和变量
      4. 6.5.4 设计注意事项
      5. 6.5.5 测量转换
      6. 6.5.6 通用寄存器设置
    6. 6.6 使用伪比例基准和单极低电压 (≤ 5V) 激励源,测量多个串联四线电阻式电桥
      1. 6.6.1 原理图
      2. 6.6.2 优缺点
      3. 6.6.3 参数和变量
      4. 6.6.4 设计说明
      5. 6.6.5 测量转换
      6. 6.6.6 通用的寄存器设置
    7. 6.7 使用带比例基准和单极低电压 (≤ 5V) 激励源的单通道 ADC 测量多个并联的四线电阻式电桥
      1. 6.7.1 原理图
      2. 6.7.2 优缺点
      3. 6.7.3 参数和变量
      4. 6.7.4 设计说明
      5. 6.7.5 测量转换
      6. 6.7.6 通用的寄存器设置
    8. 6.8 使用带比例基准和单极低电压 (≤ 5V) 激励源的多通道 ADC 测量多个并联的四线电阻式电桥
      1. 6.8.1 原理图
      2. 6.8.2 优缺点
      3. 6.8.3 参数和变量
      4. 6.8.4 设计说明
      5. 6.8.5 测量转换
      6. 6.8.6 通用的寄存器设置
  10. 7总结
  11. 8Revision History

INA 架构和运行

图 5-1 中显示了基本的三运算放大器 INA,但也有其他拓扑结构。

GUID-20211110-SS0I-J6SX-MLN6-CTWZ1HN0MTZZ-low.svg图 5-1 基本 INA 拓扑结构

图 5-1 中的 INA 放大 AINP 和 AINN 之间的电压。放大器增益由外部增益设置电阻 RG 和内部反馈电阻 RF 确定。AINP 和 AINN 处的电压通过 A1 和 A2 以及两个 RF 电阻器强制传递到 RG 上。这会迫使相同电流流过所有三个电阻器以产生增益。差分放大器由运算放大器 A3 和四个电阻器 R 构成,充当单位增益缓冲器。经过放大的电压在 INA 的 REF 和 VOUT 引脚之间进行测量。REF 引脚设置输出电压的基准点,选择它通常是为了与 ADC 共模范围匹配。INA 增益由 RG 设置,并按方程式 18 确定:

方程式 18. G = 1 + (2 • RF) / RG

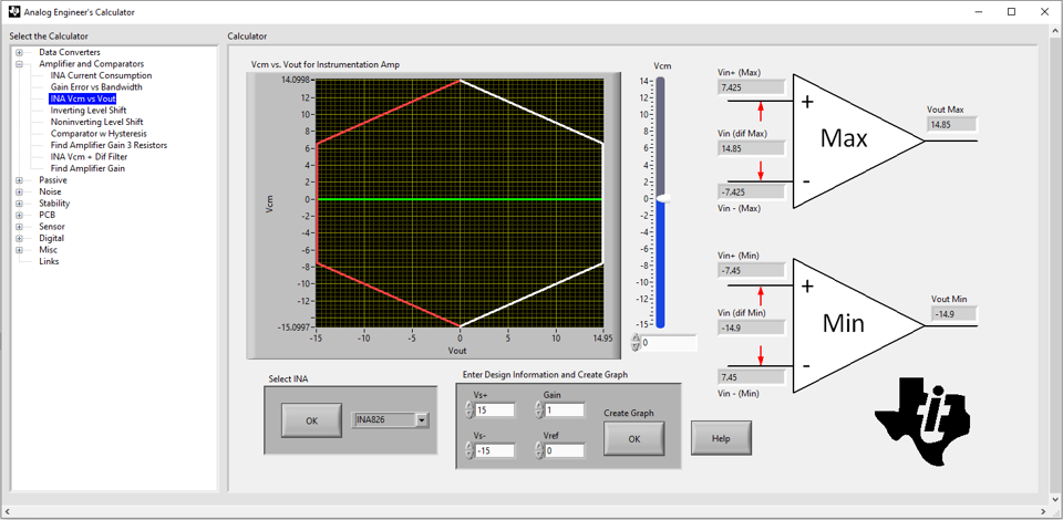
大多数 INA 都支持高达 1000V/V 的大电压增益。不过,与高增益相关的一个实际困难是,它会将输入信号共模电压限制为大概 1/2 Vs。在 INA 拓扑结构中,输入共模电压必须与图 5-1 中由 A1 和 A2 构成的第一个运算放大器级的输出共模电压相匹配。由于 RG 的电压经过放大后成为 A1 和 A2 的输出,因此 A1 和 A2 的输出电压受这些电压与任一电源(V+ 或 V–)接近程度的限制。由于这一限制,需要选择适当的 INA 和电桥激励电源,以使电桥输出处于 INA 测量范围内。模拟工程师计算器中的 INA Vcm 与 Vout 工具可根据一系列 INA 的输出电压计算输入共模范围,从而简化了这一过程。图 5-2 显示了此工具使用 INA826 时的示例。

GUID-20211206-SS0I-MZLH-JQQG-TNXHKCR0PK9G-low.png图 5-2 模拟工程师计算器中的 INA Vcm 与 Vout 工具