ZHCAB89 February   2021 ADS1120 , ADS112C04 , ADS112S14 , ADS112U04 , ADS114S06 , ADS114S06B , ADS114S08 , ADS114S08B , ADS1220 , ADS122C04 , ADS122C14 , ADS122S14 , ADS122U04 , ADS124S06 , ADS124S08 , ADS125H02 , ADS1260 , ADS1261 , ADS1262 , ADS1263

 

  1.   摘要
  2.   商标
  3. 1引言
  4. 2用于检测 RTD 系统中断线问题的功能
    1. 2.1 使用持续 VREF 监控器来检测断线
    2. 2.2 使用周期性 VREF 监控器来检测断线
    3. 2.3 使用单独的模拟输入来检测断线
  5. 3不同 RTD 配置的断线检测方法
    1. 3.1 2 线 RTD 中的断线检测
    2. 3.2 3 线 RTD 中的断线检测
      1. 3.2.1 单 IDAC、3 线 RTD 系统中的断线检测
        1. 3.2.1.1 在单 IDAC、3 线 RTD 系统中检测引线 2 上的断线问题
          1. 3.2.1.1.1 在采用高侧 RREF 的单 IDAC、3 线 RTD 系统中检测引线 2 上的断线问题
        2. 3.2.1.2 单 IDAC、3 线 RTD 系统的断线检测总结
      2. 3.2.2 双 IDAC、3 线 RTD 系统中的断线检测
        1. 3.2.2.1 在采用低侧 RREF 的双 IDAC、3 线 RTD 系统中检测引线 1 或 2 断线问题
        2. 3.2.2.2 在采用高侧 RREF 的双 IDAC、3 线 RTD 系统中检测引线 1 或 2 断线问题
        3. 3.2.2.3 双 IDAC、3 线 RTD 系统的断线检测总结
    3. 3.3 4 线 RTD 系统中的断线检测
      1. 3.3.1 在采用低侧 RREF 的 4 线 RTD 系统中检测引线 2 和引线 3 上的断线问题
      2. 3.3.2 在采用高侧 RREF 的 4 线 RTD 系统中检测引线 2 和引线 3 上的断线问题
      3. 3.3.3 4 线 RTD 系统的断线检测总结
  6. 4适用于 RTD 断线检测的稳定时间注意事项
  7. 5总结
  8.   A 集成式 PGA 电源轨检测如何帮助识别断线问题
  9.   B 用于 RTD 断线检测的伪代码
    1.     B.1 用于 2 线 RTD 系统(低侧或高侧 RREF)的伪代码
    2.     B.2 用于单 IDAC、3 线 RTD 系统(低侧或高侧 RREF)的伪代码
    3.     B.3 用于双 IDAC、3 线 RTD 系统(低侧或高侧 RREF)的伪代码
    4.     B.4 用于 4 线 RTD 系统(低侧或高侧 RREF)的伪代码

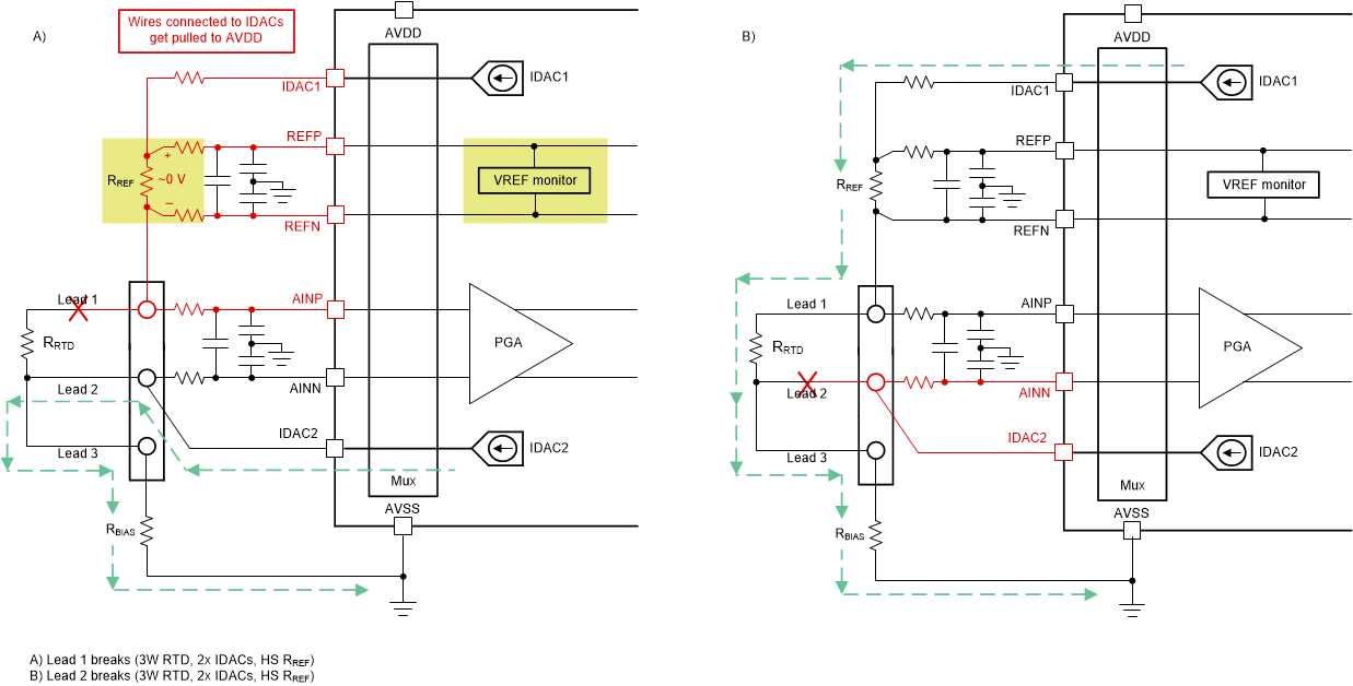
在采用高侧 RREF 的双 IDAC、3 线 RTD 系统中检测引线 1 或 2 断线问题

在高侧 RREF 配置中,系统正常运行时只有一个 IDAC 电流流过 RREF,因而需要根据断开的是哪条引线来使用不同的故障检测方案。图 3-9 显示了引线 1 断开(左)时与引线 2 断开时电流流动方式有何不同。

GUID-20210107-CA0I-GSJJ-WLM3-QSXM9ZQ2NMGW-low.gif图 3-9 采用高侧 RREF 的双 IDAC、3 线 RTD 系统中引线 1(左)或引线 2(右)断开

图 3-9a 所示,VREF 监控器检测高侧 RREF 配置中引线 1 上的断线问题。在这种情况下,VREF 监控器会被触发 ,因为引线 1 断开会消除 IDAC1 的接地路径,使得 RREF 上的电压接近零。来自 IDAC2 的电流仍会通过 RBIAS 流入地,但并不影响 VREF 监控器观察到的结果。

在高侧 RREF 配置中,VREF 监控器无法检测到引线 2 的断线情况。如图 3-9b 所示,IDAC1 电流仍会流过 RREF,因此 VREF 监控器不会指示故障。这时根据测量结果上的变化来检测引线 2 的断线情况。

在采用高侧 RREF 的双 IDAC、3 线 RTD 系统中,系统正常运行时,AINx 引脚上应该存在以下电压(由Equation8Equation9 确定):

Equation8. VAINP (no wire break) = IDAC1 · (RRTD + RLEAD1 + RLEAD3 + RBIAS) + IDAC2 · (RLEAD3 + RBIAS)
Equation9. VAINN (no wire break) = IDAC1 · (RLEAD3 + RBIAS) + IDAC2 · (RLEAD2 + RLEAD3 + RBIAS)

AINP 和 AINN 之间产生的差分电压 VIN (no wire break)可以通过Equation10 计算,其中假定 RLEAD1 = RLEAD2 = RLEAD3 且 IDAC1 = IDAC2:

Equation10. VIN (no wire break) = VAINP – VAINN = IDAC1 · RRTD

因此,如果未发生导致电路运行方式发生改变的故障,AINP 上的电压会始终大于 AINN,因为 IDAC 电流只会朝一个方向流动。因此,系统正常运行时始终会产生正输出代码。

相比之下,当引线 2 断开时,IDAC2 接地路径会消失,从而强制 IDAC2 电流进入高阻抗模拟输入 AINN。高阻抗作用相当于开路,因此当 IDAC 电路尝试保持恒定电流时,AINN 上的电压会升高。最终,此电压会被驱动至正电源 (AVDD),使得目前的 AINN 也约等于 AVDD。

另外,AINP 上的电压实际上会降低,因为 IDAC2 不再能够流过 RLEAD3 和 RBIAS,进而导致 AINP 处出现一个绝对电压,如Equation11 所示:

Equation11. VAINP(wire break) = IDAC1 · (RRTD + RLEAD1 + RLEAD3 + RBIAS)

如果 AINN 被拉至 AVDD 且 AINP 幅度减小,VAINN (wire break) 会大于 VAINP (wire break),进而导致负输出代码。

此诊断例程与 Topic Link Label3.2.1.1.1中采用高层 RREF 的单 IDAC、3 线 RTD 系统所采用的例程非常相似,尽管在这种情况下无需切换至 ADC 内部基准或更改 IDAC 电流强度。实际上,在采用高侧 RREF 的双 IDAC、3 线 RTD 系统中,两种检测方案都需要单独的诊断测量,以便在无需中断精确 RTD 测量的情况下进行断线检测。