ZHCAAM4A October 2019 – August 2021 LM66100 , TPS63802 , TPS63805 , TPS63806
大多数降压/升压直流/直流转换器允许器件电流反向流动。之所以出现这种情况是因为这些器件具有负电流能力。TPS63802 的典型负峰值电流目标设置为 0.9A。即使目标为负值,平均电流也低于峰值电流。
图 2-6 峰值电流运行,反向电流为了允许反向电流流动,需要满足两个条件。首先,输出电压目标必须略低于施加的输出电压。

其中
其次,需要强制转换器进入不断开关的 PWM 模式。在 TPS63802 中,MODE 引脚需拉至 VIN。
如果这两个条件都满足,转换器会尝试通过汲取电流来调整输出电压。该电流会为输入侧的超级电容器充电,直到触发输入过压保护特性,在 TPS63802 中,该触发值通常为 5.7V。
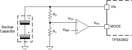
对于包含两节电池的超级电容器设计,最大电压通常为 5.4V。因此,需要实施外部电压监控电路以停止充电。可通过将工作模式从强制 PWM 模式更改为 PFM 模式来停止充电。此设计使用一个简单的电阻分压器和一个运算放大器 (TLV522)。
图 2-7 停止对备用电容充电的一般实现方案由于存在备用电容的漏电流、TPS63802 的静态电流和通过电阻分压器(R2、R3)的电流,超级电容器会缓慢放电。当电压 VTH 下降至低于比较器的下限阈值时,MODE 引脚将恢复强制 PWM 模式,以便再次为超级电容器充电。图 2-4 所示为在稳态运行中已充电的超级电容器的电压。
图 2-8 稳态条件下的备用电容器电压在此设计中通过一个简单的运算放大器 TLV522 实现了超级电容器电压监控器。TLV522 没有内部基准,因此使用 TLV431 生成 1.25V 基准。
图 2-9 超级电容器电压监控器的实现方案原理图系统设计人员可能会因为几个原因而选择以低于 TPS63802 全部 1.2A 容量的电流为超级电容器充电,例如为了限制主系统电源的成本,或减少热量积聚和散热需求。为此,PMP30693 包含充电电流限制器功能。
INA181 电流感测放大器用于测量感测电阻上的电压并输出一个控制电压。该电压通过一个电阻连接到反馈引脚。它可以调整反馈电压,使转换器停止充电。这会限制平均电流。
图 2-10 电流限制电路实现方案的简化原理图此参考设计能够将充电电流限制在低至 50mA。

其中
可通过以下公式计算电流限值:
