ZHCSMX7A August   2021  – December 2021 TPS92519-Q1

PRODUCTION DATA  

  1. 特性
  2. 应用
  3. 说明
  4. Revision History
  5. Pin Configuration and Functions
  6. Specifications
    1. 6.1 Absolute Maximum Ratings
    2. 6.2 ESD Ratings
    3. 6.3 Recommended Operating Conditions
    4. 6.4 Thermal Information
    5. 6.5 Electrical Characteristics
    6. 6.6 Typical Characteristics
  7. Detailed Description
    1. 7.1 Overview
    2. 7.2 Functional Block Diagram
    3. 7.3 Feature Description
      1. 7.3.1  Buck Converter Switching Operation
      2. 7.3.2  Switching Frequency and Adaptive On-Time Control
      3. 7.3.3  Minimum On-Time, Off-Time, and Inductor Ripple
      4. 7.3.4  Enable
      5. 7.3.5  LED Current Regulation and Error Amplifier
      6. 7.3.6  Start-up Sequence
      7. 7.3.7  Analog Dimming and Forced Continuous Conduction Mode
      8. 7.3.8  External PWM Dimming and Input Undervoltage Lockout (UVLO)
      9. 7.3.9  Shunt FET Dimming or Matrix Beam Application
      10. 7.3.10 Bias Supply
      11. 7.3.11 Bootstrap Supply
      12. 7.3.12 Faults and Diagnostics
      13. 7.3.13 Output Short Circuit Fault
      14. 7.3.14 Output Open Circuit Fault
      15. 7.3.15 Parallel Operation
    4. 7.4 Device Functional Modes
      1. 7.4.1 Power On Reset (POR)
      2. 7.4.2 Run Mode
      3. 7.4.3 Sleep Mode
  8. Application and Implementation
    1. 8.1 Application Information
      1. 8.1.1  Duty Cycle Consideration
      2. 8.1.2  Switching Frequency Selection
      3. 8.1.3  LED Current Set Point
      4. 8.1.4  Inductor Selection
      5. 8.1.5  Output Capacitor Selection
      6. 8.1.6  Input Capacitor Selection
      7. 8.1.7  Bootstrap Capacitor Selection
      8. 8.1.8  Compensation Capacitor Selection
      9. 8.1.9  Input Undervoltage Protection
      10. 8.1.10 CSN Protection Diode
    2. 8.2 Typical Application
      1. 8.2.1 Design Requirements
      2. 8.2.2 Detailed Design Procedure
        1. 8.2.2.1 Calculating Duty Cycle
        2. 8.2.2.2 Calculating Minimum On-Time and Off-Time
        3. 8.2.2.3 Minimum Switching Frequency
        4. 8.2.2.4 LED Current Set Point
        5. 8.2.2.5 Inductor Selection
        6. 8.2.2.6 Output Capacitor Selection
        7. 8.2.2.7 Bootstrap Capacitor Selection
        8. 8.2.2.8 Compensation Capacitor Selection
        9. 8.2.2.9 PWM Dimming and Input Voltage Protection
      3. 8.2.3 Application Curves
  9. Power Supply Recommendations
  10. 10Layout
    1. 10.1 Layout Guidelines
      1. 10.1.1 Compact Layout for EMI Reduction
        1. 10.1.1.1 Ground Plane
    2. 10.2 Layout Example
  11. 11Device and Documentation Support
    1. 11.1 Documentation Support
      1. 11.1.1 Related Documentation
    2. 11.2 Receiving Notification of Documentation Updates
    3. 11.3 支持资源
    4. 11.4 Trademarks
    5. 11.5 术语表
  12. 12Mechanical, Packaging, and Orderable Information

封装选项

机械数据 (封装 | 引脚)
散热焊盘机械数据 (封装 | 引脚)
订购信息

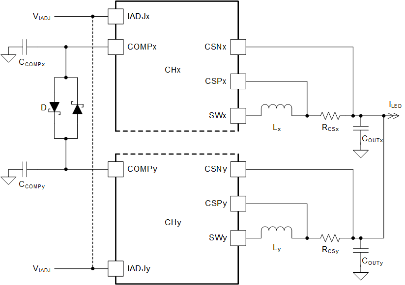
Parallel Operation

The adaptive on-time control technique enables parallel operation of two or more channels with independent current sharing and regulation. Each channel operates independently and delivers current based on the corresponding IADJx set point. To equally share current amongst channels, the IADJx for all channels must be connected to the external reference voltage.

GUID-20210401-CA0I-N0BF-RZNX-7QP1MDM91VBX-low.gif Figure 7-11 Parallel Channel Configuration

Startup requires all channels to be enabled simultaneously by synchronizing the rising edge of IADJx voltage above VIADJx(SD) rising threshold. This simultaneous enabling ensures that the soft-start ramp is synchronized and current sharing is achieved after COMP voltage increases above the rising startup threshold, VCOMPx(ST).

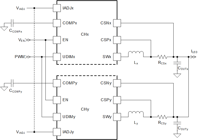
PWM dimming is achieved by connecting the external PWM signal to UDIMx pin of all parallel channels. All parallel channels have to be controlled by single PWM dimming reference. TI does not recommend to PWM dim individual parallel channels.

Additional considerations are necessary to account for bootstrap capacitor tolerance and the impact of the capacitor variation when PWM dimming multiple parallel channels. Ensure that bootstrap capacitor voltage is above the undervoltage threshold, VBSTx(UV) for all operating conditions. For application requiring very low PWM duty cycle or low PWM dimming frequency, TI recommends to connect the COMPx pin of all parallel channels using nonparallel diodes, as shown in Figure 7-12. This connection allows the parallel channels to respond and recovery from bootstrap undervoltage fault when operating at low PWM dimming duty cycles.

GUID-20210401-CA0I-WQL6-FMVB-5JTL8T3DCLT0-low.gif Figure 7-12 Parallel Channel Configuration for PWM Dimming Operation