ZHCSOU1 February   2023 DS90UB638-Q1

PRODUCTION DATA  

  1. 特性
  2. 应用
  3. 说明
  4. Revision History
  5. Pin Configuration and Functions
  6. Specifications
    1. 6.1  Absolute Maximum Ratings
    2. 6.2  ESD Ratings
    3. 6.3  Recommended Operating Conditions
    4. 6.4  Thermal Information
    5. 6.5  DC Electrical Characteristics
    6. 6.6  AC Electrical Characteristics
    7. 6.7  AC Electrical Characteristics CSI-2
    8. 6.8  Recommended Timing for the Serial Control Bus
    9. 6.9  Timing Diagrams
    10. 6.10 Typical Characteristics
  7. Detailed Description
    1. 7.1 Overview
      1. 7.1.1 Functional Description
    2. 7.2 Functional Block Diagram
    3. 7.3 Feature Description
    4. 7.4 Device Functional Modes
      1. 7.4.1  CSI-2 Mode
      2. 7.4.2  RAW Mode
      3. 7.4.3  RX MODE Pin
      4. 7.4.4  REFCLK
      5. 7.4.5  Crystal Recommendations
      6. 7.4.6  Receiver Port Control
      7. 7.4.7  LOCK and PASS Status
      8. 7.4.8  Adaptive Equalizer
        1. 7.4.8.1 Adaptive Equalizer Algorithm
        2. 7.4.8.2 AEQ Settings
          1. 7.4.8.2.1 AEQ Start-Up and Initialization
          2. 7.4.8.2.2 AEQ Range
          3. 7.4.8.2.3 AEQ Timing
          4. 7.4.8.2.4 AEQ Threshold
      9. 7.4.9  Channel Monitor Loop-Through Output Driver (CMLOUT)
        1. 7.4.9.1 Code Example for CMLOUT FPD-Link III RX Port 0:
      10. 7.4.10 RX Port Status
        1. 7.4.10.1 RX Parity Status
        2. 7.4.10.2 FPD-Link Decoder Status
        3. 7.4.10.3 RX Port Input Signal Detection
        4. 7.4.10.4 Line Counter
        5. 7.4.10.5 Line Length
      11. 7.4.11 Sensor Status
      12. 7.4.12 GPIO Support
        1. 7.4.12.1 GPIO Input Control and Status
        2. 7.4.12.2 GPIO Output Pin Control
        3.       49
        4. 7.4.12.3 Forward Channel GPIO
        5. 7.4.12.4 Back Channel GPIO
        6. 7.4.12.5 Other GPIO Pin Controls
      13. 7.4.13 Line Valid and Frame Valid Indicators
      14. 7.4.14 CSI-2 Protocol Layer
      15. 7.4.15 CSI-2 Short Packet
      16. 7.4.16 CSI-2 Long Packet
      17. 7.4.17 CSI-2 Data Type Identifier
      18. 7.4.18 Virtual Channel and Context
      19. 7.4.19 CSI-2 Transmitter Frequency
      20. 7.4.20 CSI-2 Replicate Mode
      21. 7.4.21 CSI-2 Transmitter Output Control
      22. 7.4.22 CSI-2 Transmitter Status
      23. 7.4.23 Video Buffers
      24. 7.4.24 CSI-2 Line Count and Line Length
      25. 7.4.25 FrameSync Operation
        1. 7.4.25.1 External FrameSync Control
        2. 7.4.25.2 Internally Generated FrameSync
          1. 7.4.25.2.1 Code Example for Internally Generated FrameSync
    5. 7.5 Programming
      1. 7.5.1  Serial Control Bus and Bidirectional Control Channel
        1. 7.5.1.1 Bidirectional Control
        2. 7.5.1.2 Device Address
        3. 7.5.1.3 Basic I2C Serial Bus Operation
      2. 7.5.2  I2C Target Operation
      3. 7.5.3  Remote Target Operation
      4. 7.5.4  Remote Target Addressing
      5. 7.5.5  I2C Controller Proxy
      6. 7.5.6  I2C Controller Proxy Timing
        1. 7.5.6.1 Code Example for Configuring Fast Mode Plus I2C Operation
      7. 7.5.7  Interrupt Support
        1. 7.5.7.1 Code Example to Enable Interrupts
        2. 7.5.7.2 FPD-Link III Receive Port Interrupts
          1. 7.5.7.2.1 Interrupts on Forward Channel GPIO
          2. 7.5.7.2.2 Interrupts on Change in Sensor Status
        3. 7.5.7.3 Code Example to Readback Interrupts
        4. 7.5.7.4 CSI-2 Transmit Port Interrupts
      8. 7.5.8  Error Handling
        1. 7.5.8.1 Receive Frame Threshold
        2. 7.5.8.2 Port PASS Control
      9. 7.5.9  Pattern Generation
        1. 7.5.9.1 Reference Color Bar Pattern
        2. 7.5.9.2 Fixed Color Patterns
        3. 7.5.9.3 Packet Generator Programming
          1. 7.5.9.3.1 Determining Color Bar Size
        4. 7.5.9.4 Code Example for Pattern Generator
      10. 7.5.10 FPD-Link BIST Mode
        1. 7.5.10.1 BIST Operation Through BISTEN Pin
        2. 7.5.10.2 BIST Operation Through Register Control
    6. 7.6 Unique ID
    7. 7.7 Register Maps
      1. 7.7.1   I2C Device ID Register
      2. 7.7.2   Reset Register
      3. 7.7.3   General Configuration Register
      4. 7.7.4   Revision/Mask ID Register
      5. 7.7.5   DEVICE_STS Register
      6. 7.7.6   PAR_ERR_THOLD_HI Register
      7. 7.7.7   PAR_ERR_THOLD_LO Register
      8. 7.7.8   BCC Watchdog Control Register
      9. 7.7.9   I2C Control 1 Register
      10. 7.7.10  I2C Control 2 Register
      11. 7.7.11  SCL High Time Register
      12. 7.7.12  SCL Low Time Register
      13. 7.7.13  RX_PORT_CTL Register
      14. 7.7.14  IO_CTL Register
      15. 7.7.15  GPIO_PIN_STS Register
      16. 7.7.16  GPIO_INPUT_CTL Register
      17. 7.7.17  GPIO0_PIN_CTL Register
      18. 7.7.18  GPIO1_PIN_CTL Register
      19. 7.7.19  GPIO2_PIN_CTL Register
      20. 7.7.20  GPIO3_PIN_CTL Register
      21. 7.7.21  GPIO4_PIN_CTL Register
      22. 7.7.22  GPIO5_PIN_CTL Register
      23. 7.7.23  GPIO6_PIN_CTL Register
      24. 7.7.24  RESERVED Register
      25. 7.7.25  FS_CTL Register
      26. 7.7.26  FS_HIGH_TIME_1 Register
      27. 7.7.27  FS_HIGH_TIME_0 Register
      28. 7.7.28  FS_LOW_TIME_1 Register
      29. 7.7.29  FS_LOW_TIME_0 Register
      30. 7.7.30  MAX_FRM_HI Register
      31. 7.7.31  MAX_FRM_LO Register
      32. 7.7.32  CSI_PLL_CTL Register
      33. 7.7.33  FWD_CTL1 Register
      34. 7.7.34  FWD_CTL2 Register
      35. 7.7.35  FWD_STS Register
      36. 7.7.36  INTERRUPT_CTL Register
      37. 7.7.37  INTERRUPT_STS Register
      38. 7.7.38  RESERVED Register
      39. 7.7.39  CSI_CTL Register
      40. 7.7.40  CSI_CTL2 Register
      41. 7.7.41  CSI_STS Register
      42. 7.7.42  CSI_TX_ICR Register
      43. 7.7.43  CSI_TX_ISR Register
      44. 7.7.44  CSI_TEST_CTL Register
      45. 7.7.45  CSI_TEST_PATT_HI Register
      46. 7.7.46  CSI_TEST_PATT_LO Register
      47. 7.7.47  RESERVED Register
      48. 7.7.48  RESERVED Register
      49. 7.7.49  RESERVED Register
      50. 7.7.50  RESERVED Register
      51. 7.7.51  RESERVED Register
      52. 7.7.52  RESERVED Register
      53. 7.7.53  SFILTER_CFG Register
      54. 7.7.54  AEQ_CTL1 Register
      55. 7.7.55  AEQ_ERR_THOLD Register
      56. 7.7.56  RESERVED Register
      57. 7.7.57  FPD3_CAP Register
      58. 7.7.58  FPD3_PORT_SEL Register
      59. 7.7.59  RX_PORT_STS1 Register
      60. 7.7.60  RX_PORT_STS2 Register
      61. 7.7.61  RX_FREQ_HIGH Register
      62. 7.7.62  RX_FREQ_LOW Register
      63. 7.7.63  SENSOR_STS_0 Register
      64. 7.7.64  SENSOR_STS_1 Register
      65. 7.7.65  SENSOR_STS_2 Register
      66. 7.7.66  SENSOR_STS_3 Register
      67. 7.7.67  RX_PAR_ERR_HI Register
      68. 7.7.68  RX_PAR_ERR_LO Register
      69. 7.7.69  BIST_ERR_COUNT Register
      70. 7.7.70  BCC_CONFIG Register
      71. 7.7.71  DATAPATH_CTL1 Register
      72. 7.7.72  DATAPATH_CTL2 Register
      73. 7.7.73  SER_ID Register
      74. 7.7.74  SER_ALIAS_ID Register
      75. 7.7.75  TargetID[0] Register
      76. 7.7.76  TargetID[1] Register
      77. 7.7.77  TargetID[2] Register
      78. 7.7.78  TargetID[3] Register
      79. 7.7.79  TargetID[4] Register
      80. 7.7.80  TargetID[5] Register
      81. 7.7.81  TargetID[6] Register
      82. 7.7.82  TargetID[7] Register
      83. 7.7.83  TargetAlias[0] Register
      84. 7.7.84  TargetAlias[1] Register
      85. 7.7.85  TargetAlias[2] Register
      86. 7.7.86  TargetAlias[3] Register
      87. 7.7.87  TargetAlias[4] Register
      88. 7.7.88  TargetAlias[5] Register
      89. 7.7.89  TargetAlias[6] Register
      90. 7.7.90  TargetAlias[7] Register
      91. 7.7.91  PORT_CONFIG Register
      92. 7.7.92  BC_GPIO_CTL0 Register
      93. 7.7.93  BC_GPIO_CTL1 Register
      94. 7.7.94  CSI_VC_MAP Register
      95. 7.7.95  LINE_COUNT_HI Register
      96. 7.7.96  LINE_COUNT_LO Register
      97. 7.7.97  LINE_LEN_1 Register
      98. 7.7.98  LINE_LEN_0 Register
      99. 7.7.99  FREQ_DET_CTL Register
      100. 7.7.100 MAILBOX_1 Register
      101. 7.7.101 MAILBOX_2 Register
      102. 7.7.102 CSI_RX_STS Register
      103. 7.7.103 CSI_ERR_COUNTER Register
      104. 7.7.104 PORT_CONFIG2 Register
      105. 7.7.105 PORT_PASS_CTL Register
      106. 7.7.106 SEN_INT_RISE_CTL Register
      107. 7.7.107 SEN_INT_FALL_CTL Register
      108. 7.7.108 RESERVED Register
      109. 7.7.109 REFCLK_FREQ Register
      110. 7.7.110 RESERVED Register
      111. 7.7.111 IND_ACC_CTL Register
      112. 7.7.112 IND_ACC_ADDR Register
      113. 7.7.113 IND_ACC_DATA Register
      114. 7.7.114 BIST Control Register
      115. 7.7.115 RESERVED Register
      116. 7.7.116 RESERVED Register
      117. 7.7.117 RESERVED Register
      118. 7.7.118 RESERVED Register
      119. 7.7.119 MODE_IDX_STS Register
      120. 7.7.120 LINK_ERROR_COUNT Register
      121. 7.7.121 FPD3_ENC_CTL Register
      122. 7.7.122 RESERVED Register
      123. 7.7.123 GPIO_PD_CTL Register
      124. 7.7.124 PORT_DEBUG Register
      125. 7.7.125 AEQ_CTL2 Register
      126. 7.7.126 AEQ_STATUS Register
      127. 7.7.127 ADAPTIVE EQ BYPASS Register
      128. 7.7.128 AEQ_MIN_MAX Register
      129. 7.7.129 RESERVED Register
      130. 7.7.130 RESERVED Register
      131. 7.7.131 PORT_ICR_HI Register
      132. 7.7.132 PORT_ICR_LO Register
      133. 7.7.133 PORT_ISR_HI Register
      134. 7.7.134 PORT_ISR_LO Register
      135. 7.7.135 FC_GPIO_STS Register
      136. 7.7.136 FC_GPIO_ICR Register
      137. 7.7.137 SEN_INT_RISE_STS Register
      138. 7.7.138 SEN_INT_FALL_STS Register
      139. 7.7.139 FPD3_RX_ID0 Register
      140. 7.7.140 FPD3_RX_ID1 Register
      141. 7.7.141 FPD3_RX_ID2 Register
      142. 7.7.142 FPD3_RX_ID3 Register
      143. 7.7.143 FPD3_RX_ID4 Register
      144. 7.7.144 FPD3_RX_ID5 Register
      145. 7.7.145 I2C_RX0_ID Register
      146. 7.7.146 RESERVED Register
      147. 7.7.147 RESERVED Register
      148. 7.7.148 Indirect Access Registers
      149. 7.7.149 249
      150. 7.7.150 Reserved Register
      151. 7.7.151 PGEN_CTL Register
      152. 7.7.152 PGEN_CFG Register
      153. 7.7.153 PGEN_CSI_DI Register
      154. 7.7.154 PGEN_LINE_SIZE1 Register
      155. 7.7.155 PGEN_LINE_SIZE0 Register
      156. 7.7.156 PGEN_BAR_SIZE1 Register
      157. 7.7.157 PGEN_BAR_SIZE0 Register
      158. 7.7.158 PGEN_ACT_LPF1 Register
      159. 7.7.159 PGEN_ACT_LPF0 Register
      160. 7.7.160 PGEN_TOT_LPF1 Register
      161. 7.7.161 PGEN_TOT_LPF0 Register
      162. 7.7.162 PGEN_LINE_PD1 Register
      163. 7.7.163 PGEN_LINE_PD0 Register
      164. 7.7.164 PGEN_VBP Register
      165. 7.7.165 PGEN_VFP Register
      166. 7.7.166 PGEN_COLOR0 Register
      167. 7.7.167 PGEN_COLOR1 Register
      168. 7.7.168 PGEN_COLOR2 Register
      169. 7.7.169 PGEN_COLOR3 Register
      170. 7.7.170 PGEN_COLOR4 Register
      171. 7.7.171 PGEN_COLOR5 Register
      172. 7.7.172 PGEN_COLOR6 Register
      173. 7.7.173 PGEN_COLOR7 Register
      174. 7.7.174 PGEN_COLOR8 Register
      175. 7.7.175 PGEN_COLOR9 Register
      176. 7.7.176 PGEN_COLOR10 Register
      177. 7.7.177 PGEN_COLOR11 Register
      178. 7.7.178 PGEN_COLOR12 Register
      179. 7.7.179 PGEN_COLOR13 Register
      180. 7.7.180 PGEN_COLOR14 Register
      181. 7.7.181 RESERVED Register
      182. 7.7.182 CSI0_TCK_PREP Register
      183. 7.7.183 CSI0_TCK_ZERO Register
      184. 7.7.184 CSI0_TCK_TRAIL Register
      185. 7.7.185 CSI0_TCK_POST Register
      186. 7.7.186 CSI0_THS_PREP Register
      187. 7.7.187 CSI0_THS_ZERO Register
      188. 7.7.188 CSI0_THS_TRAIL Register
      189. 7.7.189 CSI0_THS_EXIT Register
      190. 7.7.190 CSI0_TPLX Register
      191. 7.7.191 291
  8. Application and Implementation
    1. 8.1 Application Information
      1. 8.1.1 System
      2. 8.1.2 Power-over-Coax
    2. 8.2 Typical Application
      1. 8.2.1 Design Requirements
      2. 8.2.2 Detailed Design Procedure
      3. 8.2.3 Application Curves
    3. 8.3 System Examples
  9. Power Supply Recommendations
    1. 9.1 VDD and VDDIO Power Supply
    2. 9.2 Power-Up Sequencing
      1. 9.2.1 PDB Pin
      2. 9.2.2 System Initialization
  10. 10Layout
    1. 10.1 PCB Layout Guidelines
      1. 10.1.1 Ground
      2. 10.1.2 Routing FPD-Link III Signal Traces and PoC Filter
      3. 10.1.3 Routing CSI-2 Signal Traces
    2. 10.2 Layout Examples
  11. 11Device and Documentation Support
    1. 11.1 Documentation Support
      1. 11.1.1 Related Documentation
    2. 11.2 支持资源
    3. 11.3 Trademarks
    4. 11.4 静电放电警告
    5. 11.5 术语表
  12. 12Mechanical, Packaging, and Orderable Information

封装选项

机械数据 (封装 | 引脚)
散热焊盘机械数据 (封装 | 引脚)
订购信息

Timing Diagrams

GUID-80ADA496-3B7F-4BB9-A994-F694A27CBDB6-low.gifFigure 6-1 LVCMOS Transition Times
GUID-9DEBAB46-6522-4E8A-8D1D-FD7145ABBF6C-low.gifFigure 6-2 FPD-Link III Receiver VID, VIN, VCM
GUID-D6A7A97E-2452-4315-A00C-C6A27F82B4BC-low.gifFigure 6-3 Deserializer Data Lock Time
GUID-F8E3050A-E196-456B-BCC7-484F8C1C0F67-low.gifFigure 6-4 I2C Serial Control Bus Timing
GUID-6708C69A-EE45-450A-8F12-92FF2C9A84ED-low.gifFigure 6-5 Clock and Data Timing in HS Transmission
GUID-78037C7F-E4A3-48AA-9B14-9B10ABC9D555-low.gifFigure 6-6 High-Speed Data Transmission Burst
GUID-557C1BE1-3AC5-446F-9E1D-12C6D337AB58-low.gifFigure 6-7 Switching the Clock Lane Between Clock Transmission and Low-Power Mode
GUID-9C48CE0F-5A49-4051-B2EE-03ADB12B424B-low.gifFigure 6-8 Long Line Packets and Short Frame Sync Packets
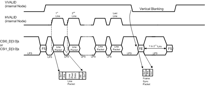
GUID-4F7F04BD-2A75-4CDF-96F5-EDD2A10CFAA7-low.gifFigure 6-9 CSI-2 General Frame Format
GUID-ADEEF069-007B-45AB-8CF7-4B0E2D73E70D-low.pngFigure 6-10 MIPI CSI-2 Data Lane Configuration