ZHCSKQ5A July   2020  – April 2021 DRV8706-Q1

PRODUCTION DATA  

  1. 特性
  2. 应用
  3. 说明
  4. 修订历史记录
    1.     器件比较表
  5. 引脚配置
    1.     DRV8706-Q1_RHB 封装 (VQFN) 引脚功能
  6. 规格
    1. 6.1 绝对最大额定值
    2. 6.2 ESD 等级
    3. 6.3 建议运行条件
    4. 6.4 热性能信息
    5. 6.5 电气特性
    6. 6.6 时序要求
    7. 6.7 时序图
    8. 6.8 典型特性
  7. 详细说明
    1. 7.1 概述
    2. 7.2 功能方框图
    3. 7.3 特性说明
      1. 7.3.1 外部元件
      2. 7.3.2 器件接口类型
        1. 7.3.2.1 串行外设接口 (SPI)
        2. 7.3.2.2 硬件 (H/W)
      3. 7.3.3 输入 PWM 模式
        1. 7.3.3.1 半桥控制
        2. 7.3.3.2 H 桥控制
        3. 7.3.3.3 分离式 HS 和 LS 螺线管控制
      4. 7.3.4 智能栅极驱动器
        1. 7.3.4.1 功能方框图
        2. 7.3.4.2 压摆率控制 (IDRIVE)
        3. 7.3.4.3 栅极驱动状态机 (TDRIVE)
      5. 7.3.5 倍增(单级)电荷泵
      6. 7.3.6 宽共模差分电流分流放大器
      7. 7.3.7 引脚图
        1. 7.3.7.1 逻辑电平输入引脚(DRVOFF,IN1/EN,IN2/PH,nHIZx,nSLEEP,nSCS,SCLK,SDI)
        2. 7.3.7.2 逻辑电平推挽输出 (SDO)
        3. 7.3.7.3 逻辑电平开漏输出 (nFAULT)
        4. 7.3.7.4 四电平输入(GAIN)
        5. 7.3.7.5 六电平输入(IDRIVE,VDS)
      8. 7.3.8 保护和诊断
        1. 7.3.8.1  栅极驱动器禁用和启用(DRVOFF 和 EN_DRV)
        2. 7.3.8.2  故障复位 (CLR_FLT)
        3. 7.3.8.3  DVDD 逻辑电源上电复位 (DVDD_POR)
        4. 7.3.8.4  PVDD 电源欠压监控器 (PVDD_UV)
        5. 7.3.8.5  PVDD 电源过压监控器 (PVDD_OV)
        6. 7.3.8.6  VCP 电荷泵欠压锁定 (VCP_UV)
        7. 7.3.8.7  MOSFET VDS 过流保护 (VDS_OCP)
        8. 7.3.8.8  栅极驱动器故障 (VGS_GDF)
        9. 7.3.8.9  热警告 (OTW)
        10. 7.3.8.10 热关断 (OTSD)
        11. 7.3.8.11 离线短路和开路负载检测(OOL 和 OSC)
        12. 7.3.8.12 故障检测和响应汇总表
    4. 7.4 器件功能模式
      1. 7.4.1 非运行或睡眠状态
      2. 7.4.2 待机状态
      3. 7.4.3 运行状态
    5. 7.5 编程
      1. 7.5.1 SPI 接口
      2. 7.5.2 SPI 格式
      3. 7.5.3 用于连接多个从器件的 SPI 接口
        1. 7.5.3.1 用于连接菊花链中多个从器件的 SPI 接口
    6. 7.6 寄存器映射
      1. 7.6.1 状态寄存器
      2. 7.6.2 控制寄存器
  8. 应用和实现
    1. 8.1 应用信息
    2. 8.2 典型应用
      1. 8.2.1 设计要求
      2. 8.2.2 详细设计过程
        1. 8.2.2.1 栅极驱动器配置
          1. 8.2.2.1.1 VCP 负载计算示例
          2. 8.2.2.1.2 IDRIVE 计算示例
        2. 8.2.2.2 电流分流放大器配置
        3. 8.2.2.3 功率耗散
      3. 8.2.3 应用曲线
  9. 布局
    1. 9.1 布局指南
    2. 9.2 布局示例
  10. 10器件和文档支持
    1. 10.1 文档支持
      1. 10.1.1 相关文档
      2. 10.1.2 接收文档更新通知
    2. 10.2 支持资源
    3. 10.3 商标
    4. 10.4 静电放电警告
    5. 10.5 术语表
  11. 11机械、封装和可订购信息

封装选项

请参考 PDF 数据表获取器件具体的封装图。

机械数据 (封装 | 引脚)
  • RHB|32
散热焊盘机械数据 (封装 | 引脚)
订购信息

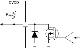
逻辑电平开漏输出 (nFAULT)

GUID-7006A2E2-F4D0-445F-A43C-503C8E685D13-low.gif图 7-17 开漏输出结构 (nFAULT)