ZHCSIS3D September   2018  – June 2025 DP83869HM

PRODUCTION DATA  

  1.   1
  2. 特性
  3. 应用
  4. 说明
  5. Device Comparison
  6. Pin Configuration and Functions
  7. Specifications
    1. 6.1 Absolute Maximum Ratings
    2. 6.2 ESD Ratings
    3. 6.3 Recommended Operating Conditions
    4. 6.4 Thermal Information
    5. 6.5 Electrical Characteristics
    6. 6.6 Timing Requirements
    7. 6.7 Timing Diagrams
    8. 6.8 Typical Characteristics
  8. Detailed Description
    1. 7.1 Overview
    2. 7.2 Functional Block Diagram
    3. 7.3 Feature Description
      1. 7.3.1  WoL (Wake-on-LAN) Packet Detection
        1. 7.3.1.1 Magic Packet Structure
        2. 7.3.1.2 Wake-on-LAN Configuration and Status
      2. 7.3.2  Start of Frame Detect for IEEE 1588 Time Stamp
        1. 7.3.2.1 SFD Latency Variation and Determinism
          1. 7.3.2.1.1 1000Mb SFD Variation in Leader Mode
          2. 7.3.2.1.2 1000Mb SFD Variation in Follower Mode
          3. 7.3.2.1.3 100-Mb SFD Variation
      3. 7.3.3  Clock Output
      4. 7.3.4  Loopback Mode
        1. 7.3.4.1 Near-End Loopback
          1. 7.3.4.1.1 MII Loopback
          2. 7.3.4.1.2 PCS Loopback
          3. 7.3.4.1.3 Digital Loopback
          4. 7.3.4.1.4 Analog Loopback
          5. 7.3.4.1.5 External Loopback
          6. 7.3.4.1.6 Far-End (Reverse) Loopback
        2.       37
      5. 7.3.5  BIST Configuration
      6. 7.3.6  Interrupt
      7. 7.3.7  Power-Saving Modes
        1. 7.3.7.1 IEEE Power Down
        2. 7.3.7.2 Active Sleep
        3. 7.3.7.3 Passive Sleep
      8. 7.3.8  Mirror Mode
      9. 7.3.9  Speed Optimization
      10. 7.3.10 Cable Diagnostics
        1. 7.3.10.1 TDR
      11. 7.3.11 Fast Link Drop
      12. 7.3.12 Jumbo Frames
    4. 7.4 Device Functional Modes
      1. 7.4.1  Copper Ethernet
        1. 7.4.1.1 1000BASE-T
        2. 7.4.1.2 100BASE-TX
        3. 7.4.1.3 10BASE-Te
      2. 7.4.2  Fiber Ethernet
        1. 7.4.2.1 1000BASE-X
        2. 7.4.2.2 100BASE-FX
      3. 7.4.3  Serial GMII (SGMII)
      4. 7.4.4  Reduced GMII (RGMII)
        1. 7.4.4.1 1000Mbps Mode Operation
        2. 7.4.4.2 1000Mbps Mode Timing
        3. 7.4.4.3 10 and 100Mbps Mode
      5. 7.4.5  Media Independent Interface (MII)
      6. 7.4.6  Bridge Modes
        1. 7.4.6.1 RGMII-to-SGMII Mode
        2. 7.4.6.2 SGMII-to-RGMII Mode
        3.       67
      7. 7.4.7  Media Convertor Mode
      8. 7.4.8  Register Configuration for Operational Modes
        1. 7.4.8.1 RGMII-to-Copper Ethernet Mode
        2. 7.4.8.2 RGMII-to-1000Base-X Mode
        3. 7.4.8.3 RGMII-to-100Base-FX Mode
        4. 7.4.8.4 RGMII-to-SGMII Bridge Mode
        5. 7.4.8.5 1000M Media Convertor Mode
        6. 7.4.8.6 100M Media Convertor Mode
        7. 7.4.8.7 SGMII-to-Copper Ethernet Mode
      9. 7.4.9  Serial Management Interface
        1. 7.4.9.1 Extended Register Space Access
          1. 7.4.9.1.1 Read (No Post Increment) Operation
          2. 7.4.9.1.2 Write (No Post Increment) Operation
      10. 7.4.10 Auto-Negotiation
        1. 7.4.10.1 Speed and Duplex Selection - Priority Resolution
        2. 7.4.10.2 Leader and Follower Resolution
        3. 7.4.10.3 Pause and Asymmetrical Pause Resolution
        4. 7.4.10.4 Next Page Support
        5. 7.4.10.5 Parallel Detection
        6. 7.4.10.6 Restart Auto-Negotiation
        7. 7.4.10.7 Enabling Auto-Negotiation Through Software
        8. 7.4.10.8 Auto-Negotiation Complete Time
        9. 7.4.10.9 Auto-MDIX Resolution
    5. 7.5 Programming
      1. 7.5.1 Strap Configuration
        1. 7.5.1.1 Straps for PHY Address
        2. 7.5.1.2 Strap for DP83869HM Functional Mode Selection
        3. 7.5.1.3 LED Default Configuration Based on Device Mode
        4. 7.5.1.4 Straps for RGMII/SGMII to Copper
        5. 7.5.1.5 Straps for RGMII to 1000Base-X
        6. 7.5.1.6 Straps for RGMII to 100Base-FX
        7. 7.5.1.7 Straps for Bridge Mode (SGMII-RGMII)
        8. 7.5.1.8 Straps for 100M Media Convertor
        9. 7.5.1.9 Straps for 1000M Media Convertor
      2. 7.5.2 LED Configuration
      3. 7.5.3 Reset Operation
        1. 7.5.3.1 Hardware Reset
        2. 7.5.3.2 IEEE Software Reset
        3. 7.5.3.3 Global Software Reset
        4. 7.5.3.4 Global Software Restart
    6. 7.6 Register Maps
      1. 7.6.1 DP83869 Registers
  9. Application and Implementation
    1. 8.1 Application Information
    2. 8.2 Typical Applications
      1. 8.2.1 Copper Ethernet Typical Application
        1. 8.2.1.1 Design Requirements
        2. 8.2.1.2 Detailed Design Procedure
          1. 8.2.1.2.1 Clock Input
            1. 8.2.1.2.1.1 Crystal Recommendations
            2. 8.2.1.2.1.2 External Clock Source Recommendation
            3. 8.2.1.2.1.3 Clock Out (CLK_OUT) Phase Noise
          2. 8.2.1.2.2 Magnetics Requirements
            1. 8.2.1.2.2.1 Magnetics Connection
        3. 8.2.1.3 Application Curves
      2. 8.2.2 Fiber Ethernet Typical Ethernet
        1. 8.2.2.1 Design Requirements
        2. 8.2.2.2 Detailed Design Procedure
          1. 8.2.2.2.1 Transceiver Connections
        3. 8.2.2.3 Application Curves
    3. 8.3 Power Supply Recommendations
      1. 8.3.1 Two-Supply Configuration
      2. 8.3.2 Three-Supply Configuration
    4. 8.4 Layout
      1. 8.4.1 Layout Guidelines
        1. 8.4.1.1 Signal Traces
          1. 8.4.1.1.1 MAC Interface Layout Guidelines
            1. 8.4.1.1.1.1 SGMII Layout Guidelines
            2. 8.4.1.1.1.2 RGMII Layout Guidelines
          2. 8.4.1.1.2 MDI Layout Guidelines
        2. 8.4.1.2 Return Path
        3. 8.4.1.3 Transformer Layout
        4. 8.4.1.4 Metal Pour
        5. 8.4.1.5 PCB Layer Stacking
      2. 8.4.2 Layout Example
  10. Device and Documentation Support
    1. 9.1 Documentation Support
      1. 9.1.1 Related Documentation
    2. 9.2 Receiving Notification of Documentation Updates
    3. 9.3 支持资源
    4. 9.4 Trademarks
    5. 9.5 静电放电警告
    6. 9.6 术语表
  11. 10Revision History
  12. 11Mechanical, Packaging, and Orderable Information

封装选项

机械数据 (封装 | 引脚)
散热焊盘机械数据 (封装 | 引脚)
订购信息

Timing Diagrams

DP83869HM Power-Up Timing Figure 6-1 Power-Up Timing
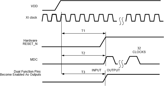
DP83869HM Reset Timing Figure 6-2 Reset Timing
DP83869HM Copper Link Timing Figure 6-3 Copper Link Timing
DP83869HM 100Mbps MII Transmit
                    Timing Figure 6-4 100Mbps MII Transmit Timing
DP83869HM 100Mbps MII Receive
                    Timing Figure 6-5 100Mbps MII Receive Timing
DP83869HM RGMII Transmit Multiplexing
                    and Timing Diagram Figure 6-6 RGMII Transmit Multiplexing and Timing Diagram
DP83869HM RGMII Receive Multiplexing and
                    Timing Diagram Figure 6-7 RGMII Receive Multiplexing and Timing Diagram
DP83869HM Serial Management Interface
                    Timing Figure 6-8 Serial Management Interface Timing