ZHCSKT8C February   2020  – December 2024 CC3235MODAS , CC3235MODASF , CC3235MODS , CC3235MODSF

PRODUCTION DATA  

  1.   1
  2. 特性
  3. 应用
  4. 说明
  5. 功能方框图
  6. 器件比较
    1. 5.1 相关产品
  7. 引脚配置和功能
    1. 6.1 CC3235MODx 和 CC3235MODAx 引脚图
    2. 6.2 引脚属性和引脚多路复用
      1. 6.2.1 模块引脚说明
    3. 6.3 信号说明
    4. 6.4 模拟和数字多路复用引脚的驱动强度和复位状态
    5. 6.5 芯片上电后、复位释放之前的焊盘状态
    6. 6.6 未使用引脚的连接
  8. 规格
    1. 7.1  绝对最大额定值
    2. 7.2  ESD 等级
    3. 7.3  建议运行条件
    4. 7.4  电流消耗(CC3235MODS 和 CC3235MODAS)
      1.      21
      2.      22
    5. 7.5  电流消耗(CC3235MODSF 和 CC3235MODASF)
      1.      24
      2.      25
    6. 7.6  2.4GHz 频带的 TX 功率控制
    7. 7.7  5GHz 的 TX 功率控制
    8. 7.8  欠压和断电条件
    9. 7.9  GPIO 引脚的电气特性
      1. 7.9.1 引脚内部上拉和下拉电气特性 (25°C)
    10. 7.10 CC3235MODAx 天线特性
    11. 7.11 WLAN 接收器特性
      1.      33
      2.      34
    12. 7.12 WLAN 发送器特性
      1.      36
      2.      37
    13. 7.13 BLE 与 WLAN 共存要求
    14. 7.14 复位要求
    15. 7.15 MOB 和 MON 封装的热阻特性
    16. 7.16 时序和开关特性
      1. 7.16.1 上电时序
      2. 7.16.2 下电时序
      3. 7.16.3 器件复位
      4. 7.16.4 从休眠时序中唤醒
      5. 7.16.5 外设时序
        1. 7.16.5.1  SPI
          1. 7.16.5.1.1 SPI 主模式
          2. 7.16.5.1.2 SPI 从模式
        2. 7.16.5.2  I2S
          1. 7.16.5.2.1 I2S 发送模式
          2. 7.16.5.2.2 I2S 接收模式
        3. 7.16.5.3  GPIO
          1. 7.16.5.3.1 GPIO 输入转换时间参数
        4. 7.16.5.4  I2C
        5. 7.16.5.5  IEEE 1149.1 JTAG
        6. 7.16.5.6  ADC
        7. 7.16.5.7  摄像头并行端口
        8. 7.16.5.8  UART
        9. 7.16.5.9  外部闪存接口
        10. 7.16.5.10 SD 主机
        11. 7.16.5.11 计时器
  9. 详细说明
    1. 8.1  概述
    2. 8.2  功能方框图
    3. 8.3  Arm Cortex-M4 处理器内核子系统
    4. 8.4  Wi-Fi 网络处理器子系统
      1. 8.4.1 WLAN
      2. 8.4.2 网络堆栈
    5. 8.5  安全性
    6. 8.6  FIPS 140-2 1 级认证
    7. 8.7  电源管理子系统
      1. 8.7.1 VBAT 宽电压连接
    8. 8.8  低功耗工作模式
    9. 8.9  存储器
      1. 8.9.1 内部存储器
        1. 8.9.1.1 SRAM
        2. 8.9.1.2 ROM
        3. 8.9.1.3 闪存存储器
        4. 8.9.1.4 存储器映射
    10. 8.10 恢复出厂默认配置
    11. 8.11 引导模式
      1. 8.11.1 引导模式列表
    12. 8.12 无主机模式
    13. 8.13 器件资格认证
      1. 8.13.1 FCC 认证和声明
      2. 8.13.2 IC/ISED 认证和声明
      3. 8.13.3 ETSI/CE 认证
      4. 8.13.4 MIC 认证
    14. 8.14 模块标识
    15. 8.15 终端产品标示
    16. 8.16 面向最终用户的手册信息
  10. 应用、实施和布局
    1. 9.1 典型应用
      1. 9.1.1 与 BLE/2.4GHz 无线电共存
      2. 9.1.2 天线选择(仅限 CC3235MODx)
      3. 9.1.3 典型应用原理图 (CC3235MODx)
      4. 9.1.4 典型应用原理图 (CC3235MODAx)
    2. 9.2 器件连接和布局基本准则
      1. 9.2.1 电源去耦和大容量电容
      2. 9.2.2 复位
      3. 9.2.3 未使用的引脚
    3. 9.3 PCB 布局指南
      1. 9.3.1 总体布局建议
      2. 9.3.2 CC3235MODx 射频布局建议
        1. 9.3.2.1 天线放置和布线
        2. 9.3.2.2 传输线注意事项
      3. 9.3.3 CC3235MODAx 射频布局建议
  11. 10环境要求和 SMT 规格
    1. 10.1 PCB 折弯
    2. 10.2 操作环境
      1. 10.2.1 端子
      2. 10.2.2 下降
    3. 10.3 贮存条件
      1. 10.3.1 打开防潮袋前
      2. 10.3.2 防潮袋打开
    4. 10.4 PCB 组装指南
      1. 10.4.1 PCB 焊盘图案和散热过孔
      2. 10.4.2 SMT 组装建议
      3. 10.4.3 PCB 表面光洁度要求
      4. 10.4.4 焊接模板
      5. 10.4.5 封装布局
      6. 10.4.6 焊点检查
      7. 10.4.7 返修和更换
      8. 10.4.8 焊点空隙
    5. 10.5 烘烤条件
    6. 10.6 回流焊条件
  12. 11器件和文档支持
    1. 11.1 开发工具和软件
    2. 11.2 固件更新
    3. 11.3 器件命名规则
    4. 11.4 文档支持
    5. 11.5 相关链接
    6. 11.6 支持资源
    7. 11.7 商标
    8. 11.8 静电放电警告
    9. 11.9 术语表
  13. 12修订历史记录
  14. 13机械、封装和可订购信息
    1. 13.1 机械、焊盘和焊锡膏制图
    2. 13.2 封装选项附录
      1. 13.2.1 封装信息
      2. 13.2.2 卷带包装信息
      3. 13.2.3 CC3235MODx 卷带规格
      4. 13.2.4 CC3235MODAx 卷带规格

封装选项

请参考 PDF 数据表获取器件具体的封装图。

机械数据 (封装 | 引脚)
  • MOB|63
散热焊盘机械数据 (封装 | 引脚)
订购信息

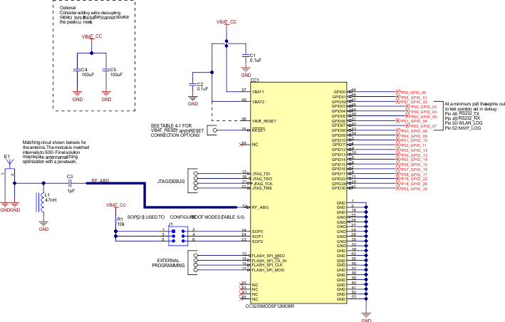
典型应用原理图 (CC3235MODx)

图 9-3 展示了使用 CC3235MODx 模块的典型应用原理图。请参阅 CC3235MODx 的完整参考原理图。

请注意,CC3235MODx 和 CC3235MODAx 模块的参考原理图相同。这两个参考之间的区别在于天线及匹配电路。设计人员无法使用 CC3235MODAx 的引脚 31,因为它直接与集成天线相连。

注:

实施射频设计时,建议参考以下指导原则:

  • 确保射频路径的设计采用 50Ω 阻抗。
  • 建议在 PCB 制造后优化天线阻抗 π 匹配网络,将 PCB 寄生效应纳入考量。
  • 射频路径上的级联无源器件之间可能需要 π 或 L 匹配和调优。

 

CC3235MODS CC3235MODSF CC3235MODAS CC3235MODASF CC3235MODx 典型应用原理图图 9-3 CC3235MODx 典型应用原理图

表 9-1 提供了图 9-3 中使用 CC3235MODx 模块的典型应用的物料清单。

如需完整功能的参考设计,请参阅 CC3235MODAx SimpleLink™ 和物联网硬件设计文件

表 9-1 物料清单
数量器件参考制造商器件型号说明
2C1、C20.1µFMurataGRM155R61A104KA01D电容器,陶瓷,0.1µF,10V,±10%,X5R,0402
1C31pFMurataGRM1555C1H1R0CA01D电容器,陶瓷,1pF,50V,±5%,C0G/NP0,0402
2C4、C5100µFMurataLMK325ABJ107MMHT电容器,陶瓷,100µF,10V,±20%,X5R,AEC-Q200 3 级,1210
1E12.4GHz、5GHz 天线EthertronicsM830520天线蓝牙 WLAN Zigbee®
1L14.7nHMurataLQG15HS4N7C02D电感,多层,空芯,4.7nH,0.7A,0.16Ω,SMD
1R110kVishay-DaleCRCW040210K0JNED电阻,10k,5%,0.063W,AEC-Q200 0 级,0402
1CC1CC3235MODx德州仪器 (TI)CC3235MODSM2MOB/CC3235MODSF12MOBSimpleLink™ Wi-Fi® 和物联网模块解决方案,一款单芯片双频带无线 MCU,MOB0063A