ZHCSTN5A June   2024  – May 2025 ADS8681W , ADS8685W , ADS8689W

PRODUCTION DATA  

  1.   1
  2. 特性
  3. 应用
  4. 说明
  5. 引脚配置和功能
  6. 规格
    1. 5.1 绝对最大额定值
    2. 5.2 ESD 等级
    3. 5.3 建议运行条件
    4. 5.4 热性能信息
    5. 5.5 电气特性
    6. 5.6 时序要求
    7. 5.7 开关特性
    8. 5.8 时序图
    9. 5.9 典型特性
  7. 详细说明
    1. 6.1 概述
    2. 6.2 功能方框图
    3. 6.3 特性说明
      1. 6.3.1 模拟输入结构
      2. 6.3.2 模拟输入阻抗
      3. 6.3.3 输入保护电路
      4. 6.3.4 可编程增益放大器 (PGA)
      5. 6.3.5 二阶低通滤波器 (LPF)
      6. 6.3.6 ADC 驱动器
      7. 6.3.7 基准
        1. 6.3.7.1 内部基准
        2. 6.3.7.2 外部基准
      8. 6.3.8 ADC 传递函数
      9. 6.3.9 警报功能
        1. 6.3.9.1 输入警报
        2. 6.3.9.2 AVDD 警报
    4. 6.4 器件功能模式
      1. 6.4.1 主机到器件连接拓扑
        1. 6.4.1.1 单个器件:所有 multiSPI 选项
        2. 6.4.1.2 单个器件:标准 SPI 接口
        3. 6.4.1.3 多个器件:菊花链拓扑
      2. 6.4.2 器件工作模式
        1. 6.4.2.1 RESET 状态
        2. 6.4.2.2 ACQ 状态
        3. 6.4.2.3 CONV 状态
    5. 6.5 编程
      1. 6.5.1 数据传输帧
      2. 6.5.2 输入命令字和寄存器写入操作
      3. 6.5.3 输出数据字
      4. 6.5.4 数据传输协议
        1. 6.5.4.1 配置器件的协议
        2. 6.5.4.2 从器件读取数据时使用的协议
          1. 6.5.4.2.1 支持单 SDO-x 的传统、SPI 兼容 (SYS-xy-S) 协议
          2. 6.5.4.2.2 支持双 SDO-x 的传统、SPI 兼容 (SYS-xy-S) 协议
          3. 6.5.4.2.3 源同步 (SRC) 协议
            1. 6.5.4.2.3.1 输出时钟源选项
            2. 6.5.4.2.3.2 输出总线宽度选项
  8. 寄存器映射
    1. 7.1 器件配置和寄存器映射
      1. 7.1.1 DEVICE_ID_REG 寄存器(地址 = 00h)
      2. 7.1.2 RST_PWRCTL_REG 寄存器(地址 = 04h)
      3. 7.1.3 SDI_CTL_REG 寄存器(地址 = 08h)
      4. 7.1.4 SDO_CTL_REG 寄存器(地址 = 0Ch)
      5. 7.1.5 DATAOUT_CTL_REG 寄存器(地址 = 10h)
      6. 7.1.6 RANGE_SEL_REG 寄存器(地址 = 14h)
      7. 7.1.7 ALARM_REG 寄存器(地址 = 20h)
      8. 7.1.8 ALARM_H_TH_REG 寄存器(地址 = 24h)
      9. 7.1.9 ALARM_L_TH_REG 寄存器(地址 = 28h)
  9. 应用和实施
    1. 8.1 应用信息
    2. 8.2 典型应用
      1. 8.2.1 设计要求
      2. 8.2.2 详细设计过程
        1. 8.2.2.1 警报功能
      3. 8.2.3 应用曲线
    3. 8.3 电源相关建议
      1. 8.3.1 电源去耦
      2. 8.3.2 节能
        1. 8.3.2.1 NAP 模式
        2. 8.3.2.2 掉电 (PD) 模式
    4. 8.4 布局
      1. 8.4.1 布局指南
      2. 8.4.2 布局示例
  10. 器件和文档支持
    1. 9.1 文档支持
      1. 9.1.1 相关文档
    2. 9.2 接收文档更新通知
    3. 9.3 支持资源
    4. 9.4 商标
    5. 9.5 静电放电警告
    6. 9.6 术语表
  11. 10修订历史记录
  12. 11机械、封装和可订购信息

封装选项

机械数据 (封装 | 引脚)
散热焊盘机械数据 (封装 | 引脚)
订购信息

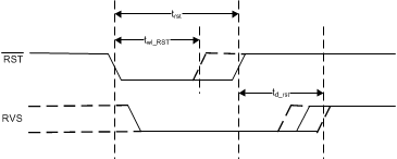
时序图

ADS8681W ADS8685W ADS8689W 转换周期时序图图 5-1 转换周期时序图
ADS8681W ADS8685W ADS8689W 异步复位时序图图 5-2 异步复位时序图
ADS8681W ADS8685W ADS8689W CPHA = 0 时的标准 SPI 接口时序图图 5-3 CPHA = 0 时的标准 SPI 接口时序图
ADS8681W ADS8685W ADS8689W CPHA = 1 时的标准 SPI 接口时序图图 5-4 CPHA = 1 时的标准 SPI 接口时序图
ADS8681W ADS8685W ADS8689W 双 SDO-x 和 CPHA = 0 时的 multiSPI 接口时序图图 5-5 双 SDO-x 和 CPHA = 0 时的 multiSPI 接口时序图
ADS8681W ADS8685W ADS8689W 双 SDO-x 和 CPHA = 1 时的 multiSPI 接口时序图图 5-6 双 SDO-x 和 CPHA = 1 时的 multiSPI 接口时序图
ADS8681W ADS8685W ADS8689W multiSPI 源同步外部时钟串行接口时序图图 5-7 multiSPI 源同步外部时钟串行接口时序图
ADS8681W ADS8685W ADS8689W multiSPI 源同步内部时钟串行接口时序图图 5-8 multiSPI 源同步内部时钟串行接口时序图