ZHCUCX3B July   2018  – March 2025 ADS9224R , ADS9234R

 

  1.   1
  2.   ADS9224REVM-PDK
  3.   商标
  4. 1概述
    1. 1.1 ADS9224REVM-PDK 特性
    2. 1.2 ADS9224REVM 特性
  5. 2模拟接口
    1. 2.1 信号源连接器
    2. 2.2 ADC 差分输入信号驱动器
      1. 2.2.1 输入信号路径
    3. 2.3 ADS9224R 内部基准
  6. 3数字接口
    1. 3.1 适用于 ADC 数字 IO 的 multiSPI
  7. 4电源
  8. 5设置
    1. 5.1 默认跳线设置
    2. 5.2 EVM 图形用户界面 (GUI) 软件安装
  9. 6运行
    1. 6.1 用于 ADC 控制的 EVM GUI 全局设置
    2. 6.2 寄存器映射配置工具
    3. 6.3 时域显示工具
    4. 6.4 频谱分析工具
    5. 6.5 直方图工具
  10. 7ADS9224REVM 物料清单、PCB 布局和原理图
    1. 7.1 物料清单
    2. 7.2 PCB 布局
    3. 7.3 原理图
  11. 8修订历史记录

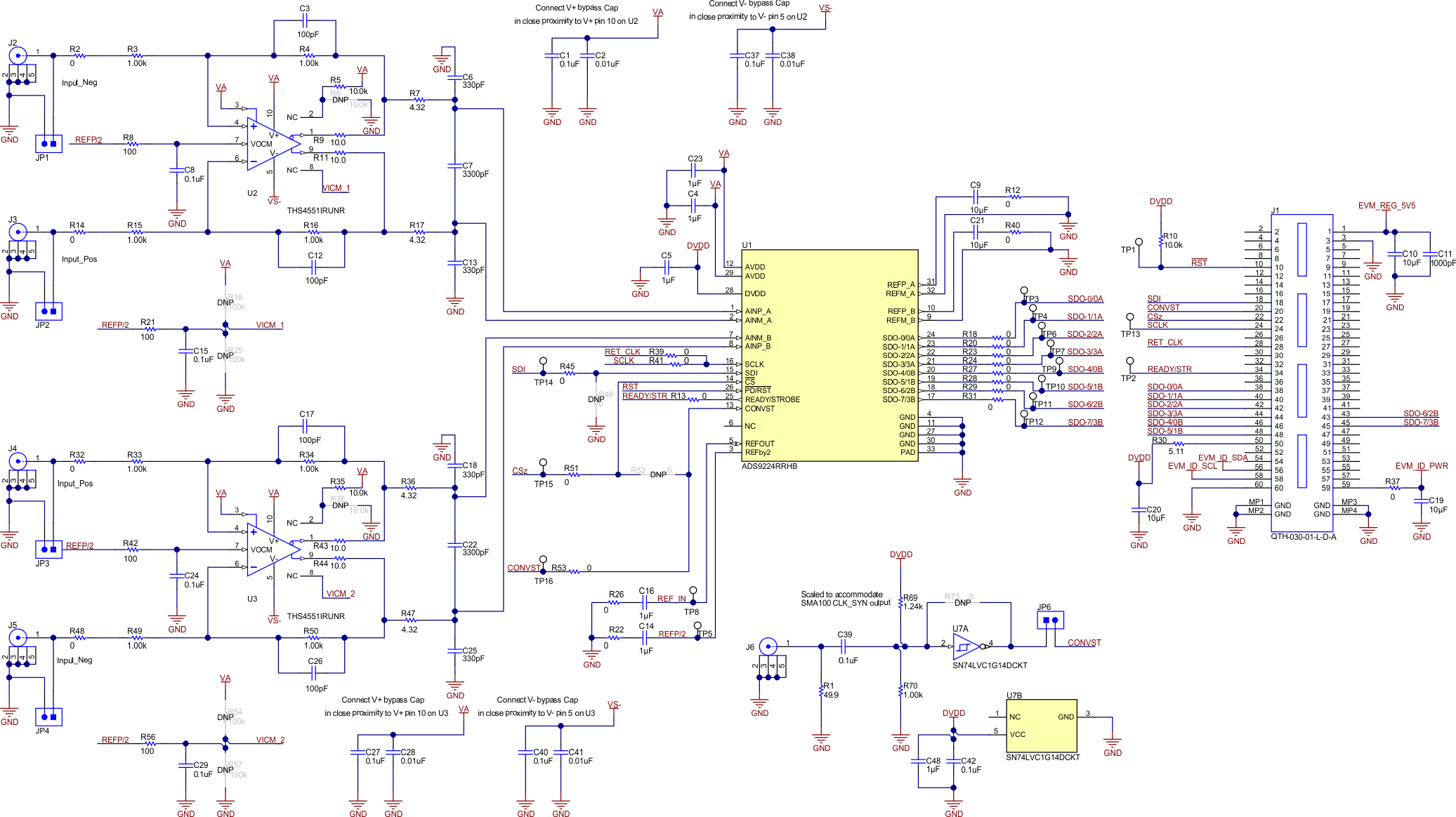
原理图

图 7-6图 7-7 展示了 EVM 原理图。

 ADS9224REVM 原理图 1图 7-6 ADS9224REVM 原理图 1
 ADS9224REVM 原理图 2图 7-7 ADS9224REVM 原理图 2