ZHCUB02A october   2022  – may 2023

 

  1.   1
  2.   摘要
  3.   商标
  4. 1EVM 概览
    1. 1.1 ADS131B26Q1EVM-PDK 特性
    2. 1.2 ADS131B26Q1EVM-PDK 快速入门指南
  5. 2模拟接口
    1. 2.1 端子块和测试点
    2. 2.2 ADC1A 和 ADC1B
    3. 2.3 ADC2A 和 ADC2B
    4. 2.4 ADC3A 和 ADC3B
  6. 3数字接口
    1. 3.1 连接到 PHI 控制器
    2. 3.2 数字接头
    3. 3.3 时钟选项
  7. 4电源
    1. 4.1 直流/直流转换器电路
    2. 4.2 ADC 电源
    3. 4.3 电源和电压基准去耦
  8. 5ADS131B26Q1EVM-PDK 初始设置
    1. 5.1 默认跳线设置
    2. 5.2 EVM 图形用户界面 (GUI) 软件安装
  9. 6ADS131B26Q1EVM-PDK 软件参考
    1. 6.1 用于 ADC 控制的全局设置
    2. 6.2 寄存器映射配置
      1. 6.2.1 寄存器映射基本知识
      2. 6.2.2 ADC1A、ADC3A 和 ADC1B、ADC3B 配置
      3. 6.2.3 ADC2A 和 ADC2B 配置
    3. 6.3 分析工具
      1. 6.3.1 时域显示
      2. 6.3.2 频谱分析工具
      3. 6.3.3 直方图分析
      4. 6.3.4 序列发生器分析
  10. 7ADS131B26Q1EVM-PDK 物料清单、PCB 布局和原理图
    1. 7.1 物料清单 (BOM)
    2. 7.2 PCB 布局
    3. 7.3 原理图
  11. 8修订历史记录

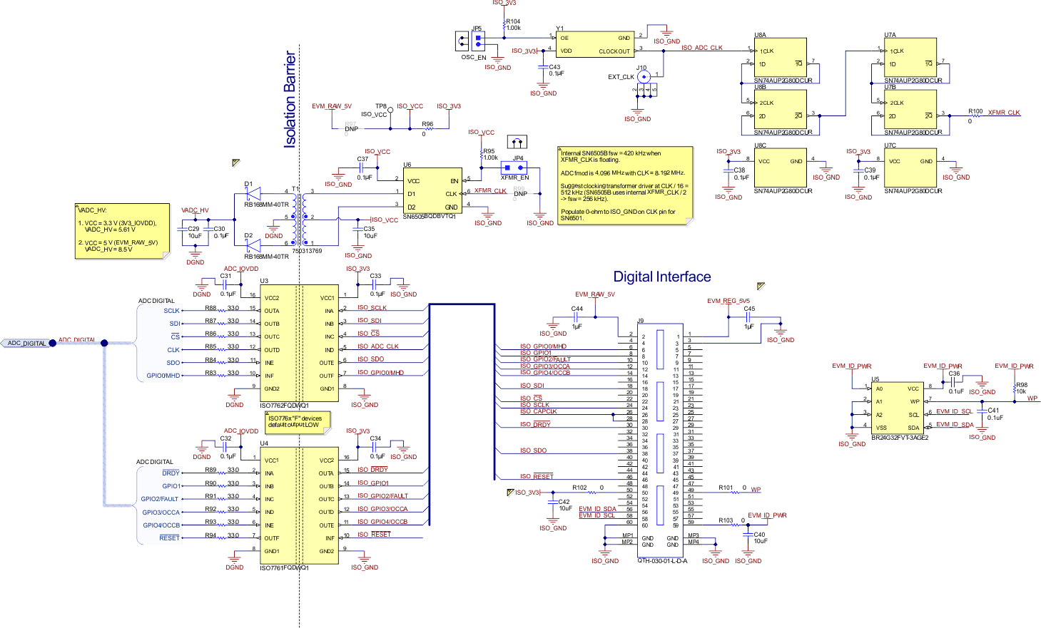
原理图

图 7-7图 7-8 包含 ADS131B26Q1EVM-PDK 的原理图。

GUID-20230502-SS0I-BFTC-3BSS-R2CR9PTQZ9HH-low.svg图 7-7 模拟输入、ADC 电源和接口连接
GUID-20220920-SS0I-PWBQ-Q9XJ-B4BNFBZSVS4P-low.gif图 7-8 数字隔离器、直流/直流电源、外部时钟和 PHI 控制器
GUID-20230502-SS0I-RFRQ-KWBP-BVQP4LGD4FD8-low.svg图 7-9 硬件、标识、杂项