ZHCU970 January   2022 TMP61 , TMP61-Q1 , TMP63 , TMP63-Q1 , TMP64 , TMP64-Q1

 

  1.   摘要
  2.   商标
  3. 1引言
    1. 1.1 NTC 热敏电阻与 TMP6 线性热敏电阻系列
    2. 1.2 NTC/线性热敏电阻 TCR
    3. 1.3 NTC 与硅基线性热敏电阻的利弊对比
    4. 1.4 TMP6 精度
  4. 2典型 NTC 热敏电阻的设计注意事项
    1. 2.1 电压偏置的 NTC 热敏电阻网络
    2. 2.2 引脚排列/极性
    3. 2.3 将 NTC 热敏电阻硬件设计转换为 TMP6 线性热敏电阻设计
    4. 2.4 简单的查找表
  5. 3软件变化
    1. 3.1 固件设计注意事项
    2. 3.2 过采样
    3. 3.3 硬件和软件中的低通滤波
    4. 3.4 校准
  6. 4满量程电压输出的设计注意事项
    1. 4.1 简单的电流偏置
    2. 4.2 有效电压偏置
  7. 5结论
  8. 6其他资源/注意事项
    1. 6.1 恒流源设计
    2. 6.2 TMP6 热敏电阻标准元件封装
    3. 6.3 用于 TMP6 和 NTC 热敏电阻的双电源方法

TMP6 热敏电阻标准元件封装

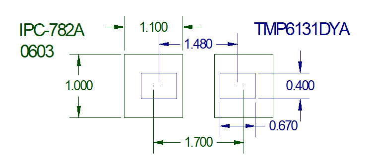
TMP6 热敏电阻当前采用的封装有 X1SON (DEC)、SOT-5X3 (DYA) 和 TO-92S (LPG)。DYA 封装置于 IPC-782A 0603 封装之上,不存在适配或焊接质量问题。TI 建议尽可能减少焊盘,以尽量减少多余的铜,从而充分提高器件的灵敏度。但是,改变封装是完全没必要的。封装尺寸对于器件的精度没有影响。另请注意,IPC 建议增加焊盘尺寸,以提高波峰焊的可靠性。使用标准的 0603 焊盘尺寸时,这对于此器件是有益的。

GUID-E6F79578-8F0C-4A58-B37B-54F948F275EE-low.png图 6-2 IPC-782A 0603 封装上的 TMP6 DYA 封装.

虽然数据表强调 SOT-5X3/DYA 封装与 0603/1608 封装兼容,但由于其独特的引线框尺寸,所以也与 0805/2012 封装兼容。

GUID-8ECB303B-CB74-428B-873A-2846FCB807F9-low.png图 6-3 IPC-782A-0805 封装上的 TMP6 热敏电阻 DYA.

当 DYA、IPC 0603 和 IPC 0805 PCB 封装叠放时,如下图所示,可以看到为 DYA 推荐的 PCB 封装的建议空间略大于 0603/1608 或 0805/2012。在此对比中,务必要注意,确保落在 0805/2012 焊盘上的 TMP6 热敏电阻引脚柱跟允许按照 IPC-A-610G 标准(关于焊接质量)的要求进行柱跟填角。与 0603/1608 或 DYA 封装相比, 0805/2012 封装具有更大的焊盘,因此端部和侧面填角很容易满足相同的 IPC-A-610G 要求。

有关更多详细信息,请参阅此处 e2e 论坛中的 TMP61 热敏电阻常见问题解答。