ZHCU481E october   2022  – july 2023

 

  1.   1
  2.   说明
  3.   资源
  4.   特性
  5.   应用
  6.   6
  7. 1系统说明
    1. 1.1 关键系统规格
  8. 2系统概述
    1. 2.1 方框图
    2. 2.2 重点产品
      1. 2.2.1 C2000 实时 MCU LaunchPad
      2. 2.2.2 SN65HVD78
      3. 2.2.3 TLV702
      4. 2.2.4 TPS22918-Q1
    3. 2.3 设计注意事项
      1. 2.3.1 Tamagawa T-Format 协议
      2. 2.3.2 C2000 T-Format 编码器接口概述
      3. 2.3.3 TIDM-1011 板实现
      4. 2.3.4 MCU 资源要求
      5. 2.3.5 特定于器件的资源使用情况
        1. 2.3.5.1 CRC 计算
        2. 2.3.5.2 输入、输出信号和 CLB 逻辑块
      6. 2.3.6 CLB T-Format 实现详细信息
        1. 2.3.6.1 事务波形
          1. 2.3.6.1.1 IDLE 状态
          2. 2.3.6.1.2 TRANSMIT_DATA 状态
          3. 2.3.6.1.3 WAIT_FOR_START 状态
          4. 2.3.6.1.4 RECEIVE_DATA 状态
        2. 2.3.6.2 通信逻辑块设计
        3. 2.3.6.3 逻辑视图
      7. 2.3.7 CLB 接收数据 CRC 实现
      8. 2.3.8 PM T-Format 编码器接口库
        1. 2.3.8.1 PM T-Format 参考设计命令
        2. 2.3.8.2 PM T-Format 参考设计中支持的函数
  9. 3硬件、软件、测试要求和测试结果
    1. 3.1 硬件
      1. 3.1.1 TIDM-1011 跳线配置
    2. 3.2 软件
      1. 3.2.1 C2000 驱动程序库 (DriverLib)
      2. 3.2.2 C2000 SysConfig
      3. 3.2.3 C2000 可配置逻辑块工具
      4. 3.2.4 安装 Code Composer Studio™ 和 C2000WARE-MOTORCONTROL-SDK
      5. 3.2.5 查找参考软件
    3. 3.3 测试和结果
      1. 3.3.1 硬件配置
      2. 3.3.2 构建和加载项目
      3. 3.3.3 运行代码
      4. 3.3.4 电缆长度验证
      5. 3.3.5 基准测试
      6. 3.3.6 疑难解答
  10. 4设计文件
  11. 5相关文档
    1. 5.1 商标
  12. 6术语
  13. 7关于作者
  14. 8修订历史记录

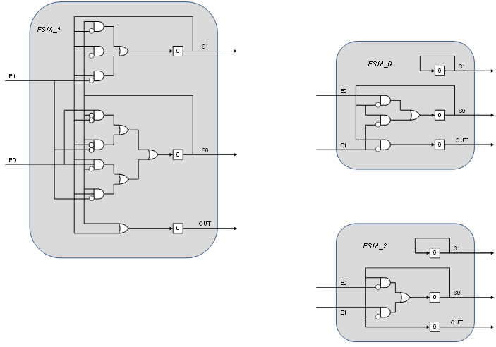
逻辑视图

以下几个图展示了与节 2.3.6.2相同的信息,不过是通过逻辑框图显示的。特别是:

  • 图 2-14图 2-15 展示了使用逻辑门的 CLB 块的内容。
  • 图 2-16 使用该逻辑来显示主状态机如何控制其他块。
  • 图 2-17 跟踪几个从其输入开始并经过一些相关逻辑的简单 CLB 输出信号。
  • 图 2-18 跟踪时钟到 SPI 输出,从 Input1 开始,经过 LUT_0、FSM_0、Counter_0,一直到 Ouput_LUT_0(受 FSM_1 的 3 个输出控制)。
  • 图 2-19 跟踪发送使能输出,从 Input0 和 Input1 开始,经过 LUT_0、Counter_0、Counter1 和 FSM_2(受 FSM_1 的 3 个输出控制)。
GUID-32F06DD0-4160-461F-A6F4-B426BF492046-low.gif图 2-14 LUT、OUTLUT 和计数器
GUID-065EE01D-9CA4-496B-AC98-CF78572C0D64-low.gif图 2-15 有限状态机
GUID-605BBDB0-5257-404B-B03B-8C5F67A5C134-low.png图 2-16 主状态机
GUID-3D3FB644-1D64-45E4-8AE6-40A8B1DB8DA7-low.png图 2-17 CLB 输出 – HLC Event0 和 EPWM 输出使能
注: 只有 F2837xD 设计会覆盖 ePWM 输出。
GUID-18FEAE0C-FD19-4E8C-9DB2-BADD7B0AC9A6-low.png图 2-18 CLB 输出 – 时钟到 SPI
GUID-B62E3361-E1B7-4FA6-97EE-37C10DB4DAF9-low.png图 2-19 CLB 输出 – RS485 使能