ZHCU476B May   2019  – October 2020

 

  1.   说明
  2.   资源
  3.   特性
  4.   应用
  5.   5
  6. 1系统说明
    1. 1.1 使用 TIDA-01580 测量的参数简介
    2. 1.2 高级系统说明
    3. 1.3 典型应用
    4. 1.4 系统规格和设计特性
    5. 1.5 主要系统规格
  7. 2系统概述
    1. 2.1 方框图
    2. 2.2 主要产品
      1. 2.2.1 AFE4900
      2. 2.2.2 CC2640R2F
      3. 2.2.3 TPS61099
      4. 2.2.4 TPS63036
      5. 2.2.5 TPD1E10B06
    3. 2.3 系统设计理论与设计注意事项
      1. 2.3.1  AFE4900 和电源
      2. 2.3.2  CC2640R2F 微控制器
      3. 2.3.3  PPG 测量
      4. 2.3.4  ECG 测量
        1. 2.3.4.1 两电极配置
        2. 2.3.4.2 三电极配置
      5. 2.3.5  选择用于驱动 LED 的 TX 电源(TX_SUP)值
      6. 2.3.6  生成用于驱动 LED 的 TX 电源电压
        1. 2.3.6.1 对输出电压进行编程
        2. 2.3.6.2 最大输出电流
        3. 2.3.6.3 输入和输出电容器选型
        4. 2.3.6.4 开关频率
        5. 2.3.6.5 TPS61099 升压转换器的 WEBENCH® 仿真
      7. 2.3.7  为 AFE4900 生成 RX 电源电压
        1. 2.3.7.1 设置输出电压
        2. 2.3.7.2 电容器选型
        3. 2.3.7.3 输出电流限制
        4. 2.3.7.4 电感器选型
        5. 2.3.7.5 TPS63036 的 TINA-TI™ 仿真
      8. 2.3.8  生成 I/O 电源电压
      9. 2.3.9  电池输入和充电电容器
      10. 2.3.10 电池寿命计算
        1. 2.3.10.1 AFE4900 电流消耗
        2. 2.3.10.2 CC2640R2F 电流消耗
        3. 2.3.10.3 导通状态电流计算
        4. 2.3.10.4 关断状态电流计算(考虑电池电压 = 3V)
      11. 2.3.11 外部存储器
      12. 2.3.12 LED 指示
      13. 2.3.13 传感器板与 ECG 板之间的连接
  8. 3硬件、软件、测试要求和测试结果
    1. 3.1 需要的硬件和软件
      1. 3.1.1 硬件
        1. 3.1.1.1 将光学传感器和 ECG 板连接至主板
        2. 3.1.1.2 PPG 传感器板之间的差异
      2. 3.1.2 软件
        1. 3.1.2.1 TIDA-01580 板的软件加载(BLE 的发送端)
        2. 3.1.2.2 为检查测量数据执行 LabVIEW™ 文件(BLE 的接收端)
    2. 3.2 测试和结果
      1. 3.2.1 测试设置
      2. 3.2.2 测试结果
        1. 3.2.2.1 使用 PPG(绿色 LED)和 ECG 测量心率
        2. 3.2.2.2 使用红色和红外 LED 测量 SpO2
        3. 3.2.2.3 PTT 测量
        4. 3.2.2.4 导联脱落检测
          1. 3.2.2.4.1 交流导联脱落检测
          2. 3.2.2.4.2 直流导联脱落检测
        5. 3.2.2.5 低电池电量指示
        6. 3.2.2.6 直流/直流转换器的波形
        7. 3.2.2.7 电池寿命测试
  9. 4设计文件
    1. 4.1 原理图
    2. 4.2 物料清单
    3. 4.3 PCB 布局建议
      1. 4.3.1  主板布局
      2. 4.3.2  PD 与 AFE 之间的连接
      3. 4.3.3  LED 与 AFE 之间的连接
      4. 4.3.4  ECG PAD 与 AFE 之间的连接
      5. 4.3.5  BT 与 AFE 之间的连接
      6. 4.3.6  BT 天线与芯片之间的连接
      7. 4.3.7  升压转换器
      8. 4.3.8  降压/升压转换器
      9. 4.3.9  PPG 传感器板布局
      10. 4.3.10 ECG 传感器板布局
      11. 4.3.11 布局图
    4. 4.4 Altium 工程
    5. 4.5 光绘文件
    6. 4.6 装配图
  10. 5软件文件
  11. 6相关文档
    1. 6.1 商标
  12. 7关于作者
  13.   Revision History

开关频率

可以使用 Equation5 来计算开关频率。

Equation5. GUID-D26C40C0-8BB8-4A23-AB70-8DBFB57DC2D9-low.gif

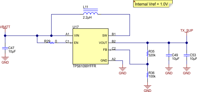
图 2-11 展示了升压转换器 TPS61099 的原理图。

GUID-24CDD230-E48D-401F-8ADB-13AF6DFC4827-low.gif图 2-11 TPS61099 升压转换器(VOUT = 4.2V)