ZHCACG9A june   2018  – march 2023 ADS1120 , ADS112C04 , ADS112S14 , ADS112U04 , ADS1147 , ADS1148 , ADS114S06 , ADS114S06B , ADS114S08 , ADS114S08B , ADS1220 , ADS122C04 , ADS122C14 , ADS122S14 , ADS122U04 , ADS1247 , ADS1248 , ADS124S06 , ADS124S08 , ADS125H02 , ADS1260 , ADS1261 , ADS1262 , ADS1263

 

  1.   RTD 测量基本指南
  2. 1RTD 概述
    1. 1.1 Callendar-Van Dusen 方程
    2. 1.2 RTD 容差标准
    3. 1.3 RTD 接线配置
    4. 1.4 比例式测量
      1. 1.4.1 引线电阻抵消
      2. 1.4.2 IDAC 电流斩波
    5. 1.5 设计注意事项
      1. 1.5.1 确定 RTD 的工作范围
      2. 1.5.2 设置激励电流源并考虑 RTD 自发热
      3. 1.5.3 设置基准电压和 PGA 增益
      4. 1.5.4 验证设计是否符合器件工作范围
      5. 1.5.5 设计迭代
  3. 2RTD 测量电路
    1. 2.1  采用低侧基准的两线 RTD 测量
      1. 2.1.1 原理图
      2. 2.1.2 优缺点
      3. 2.1.3 设计说明
      4. 2.1.4 测量转换
      5. 2.1.5 通用的寄存器设置
    2. 2.2  采用高侧基准的两线 RTD 测量
      1. 2.2.1 原理图
      2. 2.2.2 优缺点
      3. 2.2.3 设计说明
      4. 2.2.4 测量转换
      5. 2.2.5 通用的寄存器设置
    3. 2.3  三线 RTD 测量,低侧基准
      1. 2.3.1 原理图
      2. 2.3.2 优缺点
      3. 2.3.3 设计说明
      4. 2.3.4 测量转换
      5. 2.3.5 通用的寄存器设置
      6. 2.3.6 进行 IDAC 电流斩波以实现匹配
    4. 2.4  三线 RTD 测量,低侧基准,一个 IDAC 电流源
      1. 2.4.1 原理图
      2. 2.4.2 优缺点
      3. 2.4.3 设计说明
      4. 2.4.4 测量转换
      5. 2.4.5 配置寄存器设置
    5. 2.5  三线 RTD 测量,高侧基准
      1. 2.5.1 原理图
      2. 2.5.2 优缺点
      3. 2.5.3 设计说明
      4. 2.5.4 测量转换
      5. 2.5.5 配置寄存器设置
    6. 2.6  四线 RTD 测量,低侧基准
      1. 2.6.1 原理图
      2. 2.6.2 优缺点
      3. 2.6.3 设计说明
      4. 2.6.4 测量转换
      5. 2.6.5 配置寄存器设置
    7. 2.7  两个串联两线 RTD 测量,低侧基准
      1. 2.7.1 原理图
      2. 2.7.2 优缺点
      3. 2.7.3 设计说明
      4. 2.7.4 测量转换
      5. 2.7.5 配置寄存器设置
    8. 2.8  两个串联四线 RTD 测量
      1. 2.8.1 原理图
      2. 2.8.2 优缺点
      3. 2.8.3 设计说明
      4. 2.8.4 测量转换
      5. 2.8.5 配置测量设置
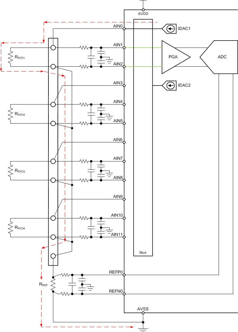
    9. 2.9  测量多个两线 RTD
      1. 2.9.1 原理图
      2. 2.9.2 优缺点
      3. 2.9.3 设计说明
      4. 2.9.4 测量转换
      5. 2.9.5 配置寄存器设置
    10. 2.10 测量多个三线 RTD
      1. 2.10.1 原理图
      2. 2.10.2 优缺点
      3. 2.10.3 设计说明
      4. 2.10.4 测量转换
      5. 2.10.5 配置寄存器设置
    11. 2.11 同时测量多个四线 RTD
      1. 2.11.1 原理图
      2. 2.11.2 优缺点
      3. 2.11.3 设计说明
      4. 2.11.4 测量转换
      5. 2.11.5 配置寄存器设置
    12. 2.12 采用低侧基准的通用 RTD 测量接口
      1. 2.12.1 原理图
      2. 2.12.2 优缺点
      3. 2.12.3 设计说明
        1. 2.12.3.1 通用测量接口 - 两线 RTD
        2. 2.12.3.2 通用测量接口 - 三线 RTD
        3. 2.12.3.3 通用测量接口 - 四线 RTD
      4. 2.12.4 测量转换
        1. 2.12.4.1 两线测量
        2. 2.12.4.2 三线测量
        3. 2.12.4.3 四线测量
      5. 2.12.5 配置寄存器设置
    13. 2.13 采用高侧基准的通用 RTD 测量接口
      1. 2.13.1 原理图
      2. 2.13.2 优缺点
      3. 2.13.3 设计说明
        1. 2.13.3.1 通用测量接口,高侧基准 - 两线 RTD
        2. 2.13.3.2 通用测量接口,高侧基准 - 三线 RTD
        3. 2.13.3.3 通用测量接口,高侧基准 - 四线 RTD
      4. 2.13.4 测量转换
        1. 2.13.4.1 两线测量
        2. 2.13.4.2 三线测量
        3. 2.13.4.3 四线测量
      5. 2.13.5 配置寄存器设置
  4. 3总结
  5. 4修订历史记录

原理图

GUID-968CBE6C-799A-4C20-A599-6724420F48B8-low.gif图 2-9 多个两线 RTD 测量电路