GERY022 December   2024 AMC0106M05 , AMC0106M25 , AMC0136 , AMC0311D , AMC0311S , AMC0386 , AMC0386-Q1 , AMC1100 , AMC1106M05 , AMC1200 , AMC1200-Q1 , AMC1202 , AMC1203 , AMC1204 , AMC1211-Q1 , AMC1300 , AMC1300B-Q1 , AMC1301 , AMC1301-Q1 , AMC1302-Q1 , AMC1303M2510 , AMC1304L25 , AMC1304M25 , AMC1305M25 , AMC1305M25-Q1 , AMC1306M05 , AMC1306M25 , AMC1311 , AMC1311-Q1 , AMC131M03 , AMC1336 , AMC1336-Q1 , AMC1350 , AMC1350-Q1 , AMC23C12 , AMC3301 , AMC3330 , AMC3330-Q1

 

  1.   1
  2.   Einführung
  3.   Einführung in die isolierte Signalkette
    1.     Vergleich isolierter Verstärker und isolierter Modulatoren
      1.      Kurzfassung
      2.      Einführung in isolierte Verstärker
      3.      Einführung in isolierte Modulatoren
      4.      Leistungsvergleich zwischen isolierten Verstärkern und isolierten Modulatoren
      5.      Isolierte Modulatoren in Traktionsumrichtern
      6.      Isolierte Verstärker und Modulatoren, Empfehlungen
      7.      Fazit
    2.     Die ersten Isolationsverstärker von TI mit extrem breiten Luft- und Kriechstrecken
      1.      Anwendungshinweis
  4.   Auswahlbäume
  5.   Strommessung
    1.     Shunt-Widerstandsauswahl für isolierte Datenwandler
      1.      17
    2.     Designüberlegungen für die isolierte Strommessung
      1.      19
      2.      Fazit
      3.      Quellennachweise
      4.      Verwandte Websites
    3.     Isolierte Strommessschaltung mit ±50 mV-Eingang und unsymmetrischem Ausgang
      1.      24
    4.     Isolierte Strommessschaltung mit ±50 mV-Eingang und Differenzausgang
      1.      26
    5.     Isolierte Strommessschaltung mit ±250 mV Eingangsbereich und unsymmetrischer Ausgangsspannung
      1.      Designziele
      2.      Designbeschreibung
      3.      Designhinweise
      4.      Designschritte
      5.      Design-Simulationen
      6.      DC-Simulationsergebnisse
      7.      Ergebnisse der AC-Simulation im geschlossenen Regelkreis
      8.      Ergebnisse der Transienten-Simulation
      9.      Designreferenzen
      10.      Design empfohlener isolierter Verstärker
      11.      Design Alternativer Isolierter Verstärker
    6.     Isolierter Strommessschaltkreis mit ±250 mV-Eingang und Differenzausgang
      1.      Designziele
      2.      Designbeschreibung
      3.      Designhinweise
      4.      Designschritte
      5.      Design-Simulationen
      6.      DC-Simulationsergebnisse
      7.      Ergebnisse der Closed-Loop-AC-Simulation
      8.      Ergebnisse der Transienten-Simulation
      9.      Designreferenzen
      10.      Vorgestellte Operationsverstärker
      11.      Design alternativer Operationsverstärker
    7.     Isolierter Überstromschutzschaltkreis
      1.      52
    8.     Anschluss eines Differenzialausgangsverstärkers (isoliert) an einen A/D-Wandler mit unsymmetrischem Eingang
      1.      54
    9.     Verwendung von AMC3311 zur Stromversorgung des AMC23C11 für isolierte Sensorik und Fehlererkennung
      1.      Anwendungshinweis
    10.     Isolierte Strommessschaltung mit Frontend-Verstärkungsstufe
      1.      58
    11.     Genauigkeitsvergleich von isolierten Shunt- und Geschlossener Regelkreis-Strommessungen
      1.      60
  6.   Spannungserfassung
    1.     Maximieren Sie die Leistungswandlung und die Wirksamkeit der Motorsteuerung durch isolierte Spannungserfassung
      1.      63
      2.      Lösungen zur Hochspannungserfassung
      3.      Integrierte Widerstandsbausteine
      4.      Unsymmetrische Ausgangsspannung
      5.      Anwendungsfälle für integrierte isolierte Spannungserkennung
      6.      Fazit
      7.      Weitere Ressourcen
    2.     Höhere Genauigkeit und Leistung mit integrierten isolierten Verstärkern und Modulatoren mit Hochspannungswiderstand
      1.      Kurzfassung
      2.      Einführung
      3.      Vorteile von isolierten Verstärkern und Modulatoren mit Hochspannungswiderstand
        1.       Platzsparend
        2.       Verbesserte Temperatur- und Lebensdauerdrift von integrierten HV-Widerständen
        3.       Ergebnisse mit hoher Genauigkeit
        4.       Beispiel für vollständig integrierte Widerstände vs. Zusätzlicher externer Widerstand
        5.       Bausteinauswahlbaum und gängige AC/DC-Anwendungsfälle
      4.      Zusammenfassung
      5.      Quellennachweise
    3.     Isolierte Verstärker mit differenziellen, unsymmetrischen Festverstärkern und ratiometrischen Ausgängen für Spannungssensoranwendungen
      1.      Kurzfassung
      2.      Einführung
      3.      Übersicht über differenzielle, unsymmetrische und ratiometrische Ausgänge mit fester Verstärkung
        1.       Isolierte Verstärker mit Differenzausgang
        2.       Isolierte Verstärker mit unsymmetrischem Ausgang mit fester Verstärkung
        3.       Trennverstärker mit unsymmetrischem, ratiometrischem Ausgang
      4.      Anwendungsbeispiele
        1.       Produktauswahlbaum
      5.      Zusammenfassung
      6.      Quellennachweise
    4.     Isolierte Spannungsmessschaltung mit ±250 mV-Eingang und Differenzausgang
      1.      93
    5.     Split-Tap-Verbindung für isolierte Line-to-Line-Spannungsmessung mit AMC3330
      1.      95
    6.     ±12 V-Spannungssensorschaltung mit isoliertem Verstärker und pseudo-differenziellem Eingang SAR-ADC
      1.      97
    7.     ±12 V-Spannungssensorschaltung mit isoliertem Verstärker und SAR-ADC mit Differenzeingang
      1.      99
    8.     Isolierter Schaltkreis zur Erkennung von Unter- und Überspannung
      1.      101
    9.     Isolierter Nulldurchgangsschaltkreis
      1.      103
    10.     Isolierter Spannungssensorschaltkreis mit ±480 V und Differenzausgang
      1.      105
  7.   EMI-Leistung
    1.     Beste EMI-Leistung in ihrer Klasse bei Strahlungsemissionen mit isolierten Verstärkern
      1.      Beste EMI-Leistung in ihrer Klasse bei Strahlungsemissionen mit isolierten Verstärkern
      2.      Einführung
      3.      Aktuelle Generation von isolierten Verstärkern von Texas Instruments Strahlungsemissionenleistung
      4.      Frühere Generationen von isolierten Verstärkern von Texas Instruments strahlen Störstrahlungsleistung aus
      5.      Fazit
      6.      Quellennachweise
    2.     Bewährte Methoden zur Dämpfung von EMI-Störstrahlungen der AMC3301-Familie
      1.      Kurzfassung
      2.      Einführung
      3.      Auswirkungen der Eingangsanschlüsse auf die Strahlungsemissionen der AMC3301-Familie
      4.      Dämpfung der Strahlungsemissionen der AMC3301-Familie
        1.       Ferritperlen und Gleichtaktdrosseln
        2.       Leiterplatten-Schaltpläne und bewährte Methoden für das Layout für die AMC3301-Familie
      5.      Verwendung mehrere AMC3301-Geräte
        1.       Bausteinausrichtung
        2.       Bewährte Methoden für das Leiterplatten-Layout für mehrere AMC3301
      6.      Fazit
      7.      Tabelle der AMC3301-Familie
  8.   Endgeräte
    1.     Vergleich von isolierten Shunt- und Hall-basierten Strommesslösungen in Hybrid- und Elektrofahrzeugen
      1.      128
    2.     Designüberlegungen für die Strommessung in DC-EV-Ladeanwendungen
      1.      Kurzfassung
      2.      Einführung
        1.       DC-Ladestation für Elektrofahrzeuge
        2.       Auswahl der Strommesstechnologie und äquivalentes Modell
          1.        Strommessung mit Shunt-basierter Lösung
          2.        Äquivalenzmodell der Sensortechnologie
      3.      Strommessung in AC/DC-Wandlern
        1.       Grundlegende Hardware und Steuerungsbeschreibung von AC/DC
          1.        AC Stromregelkreise
          2.        Gleichspannungsregelkreis
        2.       Punkt A und B – AC/DC AC-Phasenstrommessung
          1.        Auswirkungen der Bandbreite
            1.         Stationäre Zustandsanalyse: Grund- und Nulldurchgangs-Ströme
            2.         Transientenanalyse: Sprungleistung und Spannungseinbruchverhalten
          2.        Auswirkungen der Latenz
            1.         Fehleranalyse: Kurzschluss im Stromnetz
          3.        Auswirkungen des Verstärkungsfehlers
            1.         Spannungsstörung in AC/DC durch Verstärkungsfehler
            2.         AC/DC-Antwort auf durch Verstärkungsfehler verursachte Stromversorgungsstörung
          4.        Auswirkungen des Offset
        3.       Punkt C und D – AC/DC DC-Link-Strommessung
          1.        Auswirkungen der Bandbreite auf die Feed-Forward-Leistung
          2.        Auswirkungen der Latenz auf den Schutz der Leistungsschalter
          3.        Auswirkungen des Verstärkungsfehlers auf die Leistungsmessung
            1.         Transientenanalyse: Feed Forward in Punkt D
          4.        Auswirkungen des Offset
        4.       Zusammenfassung der positiven und negativen Punkte an den Punkten A, B, C1/2 und D1/2 sowie Produktvorschläge
      4.      Strommessung in DC/DC-Wandlern
        1.       Grundlegendes Funktionsprinzip eines isolierten DC/DC-Wandlers mit Phasenverschiebungssteuerung
        2.       Punkt E, F – DC/DC-Strommessung
          1.        Auswirkungen der Bandbreite
          2.        Auswirkungen des Verstärkungsfehlers
          3.        Auswirkung des Offsetfehlers
        3.       Punkt G – DC/DC-Tankstrommessung
        4.       Zusammenfassung der Sensorpunkte E, F, G und Produktvorschläge
      5.      Fazit
      6.      Quellennachweise
    3.     Verwendung isolierter Komparatoren zur Fehlererkennung in Elektromotorantrieben
      1.      Einführung
      2.      Einführung in Elektromotorantriebe
      3.      Verständnis von Fehlerereignissen in Elektromotorantrieben
      4.      Zuverlässige Erkennung und Schutz in Elektromotorantrieben
      5.      Anwendungsfall Nr. 1: Bidirektionale Phasenüberstromerkennung
      6.      Anwendungsfall Nr. 2: DC+-Überstromerkennung
      7.      Anwendungsfall Nr. 3: DC–Überstrom- oder Kurzschlusserkennung
      8.      Anwendungsfall Nr. 4: DC-Link (DC+ zu DC-) Überspannungs- und Unterspannungserkennung
      9.      Anwendungsfall Nr. 5: Übertemperaturerkennung des IGBT-Moduls
    4.     Diskrete DESAT für optokompatible isolierte Gate-Treiber UCC23513 in Motorantrieben
      1.      Kurzfassung
      2.      Einführung
      3.      Systemherausforderung bei isolierten Gate-Treibern mit integriertem DESAT
      4.      Systemansatz mit UCC23513 und AMC23C11
        1.       Systemübersicht und Schlüsselspezifikation
        2.       Schaltplandesign
          1.        Schaltplan
          2.        Konfigurieren des VCE(DESAT)-Schwellenwerts und des DESAT-Bias-Strom
          3.        DESAT-Ausblendzeit
          4.        DESAT Deglitch-Filter
        3.       Referenz-Platinenlayout
      5.      Simulations- und Testergebnisse
        1.       Simulationsschaltung und Ergebnisse
          1.        Simulationsschaltung
          2.        Simulationsergebnisse
        2.       Testergebnisse mit 3-Phasen-IGBT-Inverter
          1.        IGBT-Bremsprüfung
          2.        Testergebnisse mit einem 3-Phasen-Inverter mit Phase-zu-Phase-Kurzschluss
      6.      Zusammenfassung
      7.      Quellennachweise
    5.     Isolierte Spannungserfassung in AC-Motorantrieben
      1.      Einführung
      2.      Fazit
      3.      Quellennachweise
    6.     Hochleistungsfähige isolierte Strom- und Spannungsmessung in Server-Netzteilen
      1.      Anwendungshinweis
  9.   Zusätzliche Referenzdesigns/Schaltkreise
    1.     Entwicklung einer Bootstrap-Ladepumpen-Stromversorgung für einen isolierten Verstärker
      1.      Zusammenfassung
      2.      Einführung
      3.      Bootstrap StromversorgungenDesign
        1.       Auswahl des Ladungspumpenkondensators
        2.       Simulation in TINA-TI
        3.       Hardware-Test mit AMC1311-Q1
      4.      Zusammenfassung
      5.      Referenz
    2.     Taktflankenverzögerungskompensation mit isolierten Modulatoren Digitale Schnittstelle zu MCUs
      1.      Zusammenfassung
      2.      Einführung
      3.      Design-Herausforderung durch Timing-Spezifikationen für digitale Schnittstellen
      4.      Designansatz mit Taktflankenverzögerungskompensation
        1.       Taktsignalkompensation mit Softwarekonfigurierbarer Phasenverzögerung
        2.       Taktsignalkompensation mit Hardware-konfigurierbarer Phasenverzögerung
        3.       Taktsignalkompensation durch Taktrückkehr
        4.       Taktsignalkompensation durch Taktumkehr an der MCU
      5.      Test und Validierung
        1.       Prüfausrüstung und Software
        2.       Testen der Taktsignalkompensation mit softwarekonfigurierbarer Phasenverzögerung
          1.        Testeinrichtung
          2.        Test-Messergebnisse
        3.       Testen der Taktsignalkompensation durch Taktumkehr an der MCU
          1.        Testeinrichtung
          2.        Test-Messergebnisse
            1.         Testergebnis – Keine Taktumkehr des Takteingangs bei GPIO123
            2.         Testergebnis – Taktumkehr des Takteingangs bei GPIO123
        4.       Validierung des Timings digitaler Schnittstellen durch Berechnungstool
          1.        Digitale Schnittstelle ohne Kompensationsmethode
          2.        Häufig verwendete Methode – Reduzierung der Taktfrequenz
          3.        Taktflankenkompensation Mit Software-konfigurierbarer Phasenverzögerung
      6.      Fazit
      7.      Quellennachweise
    3.     Verwendung von AMC3311 zur Stromversorgung des AMC23C11 für isolierte Sensorik und Fehlererkennung
      1.      Anwendungshinweis

Punkt G – DC/DC-Tankstrommessung

In diesem Abschnitt werden die Strommessanforderungen am Schalttank – Punkt G beschrieben. In einem resonanten bidirektionalen isolierten CLLLC-DC/DC-Wandler ist eine Nulldurchgangserkennung (ZCD) für die synchrone Gleichrichtung erforderlich, die dazu beiträgt, den Leitungsverlust zu reduzieren und die Systemeffizienz zu verbessern.

 Strommessung am primären oder sekundären Tank eines isolierten DC/DC-WandlersAbbildung 100 Strommessung am primären oder sekundären Tank eines isolierten DC/DC-Wandlers

In Abbildung 100zeigen die zwei grünen Cursorlinien die Ausbreitungsverzögerung zwischen Nulldurchgang und sekundärseitiger FET-Einschaltung an.

 Ausbreitungsverzögerung der NulldurchgangserkennungAbbildung 101 Ausbreitungsverzögerung der Nulldurchgangserkennung

Eine hochmoderne Implementierung des ZCD-Schaltkreises in CLLLC-Topologie besteht darin, einen Stromwandler (CT) oder eine Rogowski-Spule an der Primär- und Sekundärseite in Reihe mit dem Resonanzkondensator zu schalten. Typische Ausbreitungsverzögerungen des CT- oder Rogowski-Spulenansatzes liegen zwischen 100 ns und 200 ns. Diese Verzögerung kann zu erheblichen Verlusten in einer CLLLC-Topologie führen, die sich negativ auf den Gesamtwirkungsgrad des DC/DC-Wandlers auswirken. Bei einem Spitzenstrom von ca. 30 A, einer Resonatschaltfrequenz von 500 kHz und einer Einschaltverzögerung von 100 ns führt die Body-Diode (bei einer Durchlassspannung von 4,5 V) 9,3 A, bis der FET eingeschaltet wird, was zu einem Energieverlust in der Spitze von ca. 42 W pro FET führt.

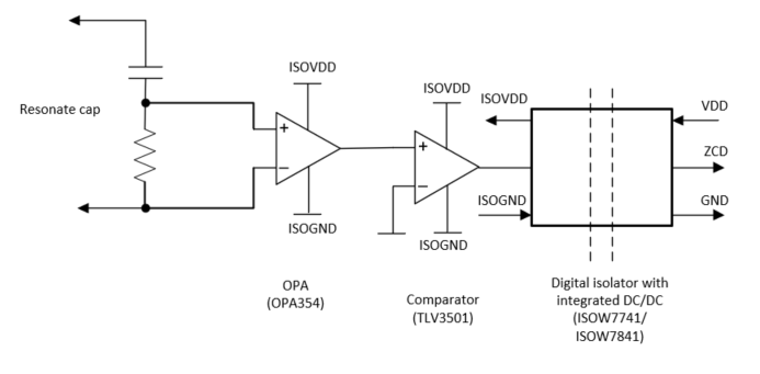
Ein alternativer Ansatz ist dargestellt in Abbildung 102. Hier wird die mitschwingended Kondensatorspannung in Verbindung mit einer Differenzierschaltung implementiert, um den sinusförmigen Strom zu erzeugen. Das neu entstehende Sinussignal wird durch einen Differential-Single-End-OPA(OPA354) und einen schnellen Komparator (TLV3501) für ZCD weiterverarbeitet.

 ZCD-Schaltkreis mit ISOW7741, ISOW7841Abbildung 102 ZCD-Schaltkreis mit ISOW7741, ISOW7841

Das Nulldurchgangssignal wird durch einen digitalen Isolator (ISOW7741 oder ISOW7841) isoliert. Diese digitalen Isolatoren verfügen über integrierte isolierte DC/DC-Wandler, um eine isolierte Stromversorgung für die OPA- und Komparatorbausteine zu erzeugen. Die OPA354, TLV3501 und ISOW7741 weisen Ausbreitungsverzögerungen von 0,6 ns, 4,5 ns und 10,7 ns auf, was zu einer Gesamtausbreitungsverzögerung 15,8 ns für das gesamte Design führt, die etwa 10-mal kleiner ist als ein CT- oder Rogowski-Spulenansatz. Nehmen wir die gleiche Schaltfrequenz und den gleichen Spitzenstrom wie im vorherigen Beispiel an, so kann der Spitzenenergieverlust in einem FET von 42 W auf nur 6,7 W reduziert werden (was sich positiv auf den Gesamtwirkungsgrad auswirkt).