ZHCS916L March   2009  – July 2024 TMP112 , TMP112D

PRODUCTION DATA  

  1.   1
  2. 特性
  3. 应用
  4. 说明
  5. 器件比较
  6. 引脚配置和功能
  7. 规格
    1. 6.1 绝对最大额定值
    2. 6.2 ESD 等级
    3. 6.3 建议运行条件
    4. 6.4 热性能信息
    5. 6.5 电气特性
    6. 6.6 时序要求
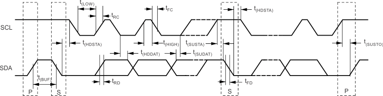
    7. 6.7 时序图
    8. 6.8 典型特性 (TMP112A/B/N)
    9. 6.9 典型特性 (TMP112Dx)
  8. 详细说明
    1. 7.1 概述
    2. 7.2 功能方框图
    3. 7.3 特性说明
      1. 7.3.1 数字温度输出
      2. 7.3.2 串行接口
        1. 7.3.2.1 总线概述
        2. 7.3.2.2 串行总线地址
        3. 7.3.2.3 写入和读取操作
        4. 7.3.2.4 目标模式运行
          1. 7.3.2.4.1 目标接收器模式
          2. 7.3.2.4.2 目标发送器模式
        5. 7.3.2.5 SMBus 警报功能
        6. 7.3.2.6 常规调用
        7. 7.3.2.7 高速 (Hs) 模式
        8. 7.3.2.8 超时功能
        9. 7.3.2.9 时序图
          1. 7.3.2.9.1 两线制时序图
    4. 7.4 器件功能模式
      1. 7.4.1 连续转换模式
      2. 7.4.2 扩展模式 (EM)
      3. 7.4.3 单稳态/转换就绪模式 (OS)
      4. 7.4.4 恒温模式 (TM)
        1. 7.4.4.1 比较器模式 (TM = 0)
        2. 7.4.4.2 中断模式 (TM = 1)
    5. 7.5 编程
      1. 7.5.1 指针寄存器
      2. 7.5.2 温度寄存器
      3. 7.5.3 配置寄存器
        1. 7.5.3.1 关断模式 (SD)
        2. 7.5.3.2 恒温模式 (TM)
        3. 7.5.3.3 极性 (POL)
        4. 7.5.3.4 故障队列 (F1/F0)
        5. 7.5.3.5 转换器分辨率(R1 和 R0)
        6. 7.5.3.6 单稳态模式 (OS)
        7. 7.5.3.7 扩展模式 (EM)
        8. 7.5.3.8 警报 (AL)
      4. 7.5.4 上限和下限寄存器
  9. 应用和实施
    1. 8.1 应用信息
    2. 8.2 典型应用
      1. 8.2.1 设计要求
      2. 8.2.2 详细设计过程
      3. 8.2.3 应用曲线
      4. 8.2.4 电源相关建议
    3. 8.3 布局
      1. 8.3.1 布局指南
      2. 8.3.2 布局示例
  10. 器件和文档支持
    1. 9.1 文档支持
      1. 9.1.1 相关文档
    2. 9.2 接收文档更新通知
    3. 9.3 支持资源
    4. 9.4 商标
    5. 9.5 静电放电警告
    6. 9.6 术语表
  11. 10修订历史记录
  12. 11机械、封装和可订购信息

封装选项

机械数据 (封装 | 引脚)
散热焊盘机械数据 (封装 | 引脚)
订购信息

时序图

TMP112 TMP112D 两线制时序图图 6-1 两线制时序图