ZHCS978M June   2007  – March 2022 MSP430F2416 , MSP430F2417 , MSP430F2418 , MSP430F2419 , MSP430F2616 , MSP430F2617 , MSP430F2618 , MSP430F2619

PRODUCTION DATA  

  1. 特性
  2. 应用
  3. 说明
  4. 功能方框图
  5. Revision History
  6. Device Comparison
    1. 6.1 Related Products
  7. Terminal Configuration and Functions
    1. 7.1 Pin Diagrams
    2. 7.2 Signal Descriptions
  8. Specifications
    1. 8.1  Absolute Maximum Ratings
    2. 8.2  ESD Ratings
    3. 8.3  Recommended Operating Conditions
    4. 8.4  Active Mode Supply Current Into VCC Excluding External Current
    5. 8.5  Typical Characteristics – Active Mode Supply Current (Into VCC)
    6. 8.6  Low-Power Mode Supply Currents (Into VCC) Excluding External Current
    7. 8.7  Typical Characteristics – LPM4 Current
    8. 8.8  Schmitt-Trigger Inputs (Ports P1 to P8, RST/NMI, JTAG, XIN, and XT2IN)
    9. 8.9  Inputs (Ports P1 and P2)
    10. 8.10 Leakage Current (Ports P1 to P8)
    11. 8.11 Standard Inputs ( RST/NMI)
    12. 8.12 Outputs (Ports P1 to P8)
    13. 8.13 Output Frequency (Ports P1 to P8)
    14. 8.14 Typical Characteristics – Outputs
    15. 8.15 POR and Brownout Reset (BOR)
    16. 8.16 Typical Characteristics – POR and BOR
    17. 8.17 Supply Voltage Supervisor (SVS), Supply Voltage Monitor (SVM)
    18. 8.18 Main DCO Characteristics
    19. 8.19 DCO Frequency
    20. 8.20 Calibrated DCO Frequencies – Tolerance at Calibration
    21. 8.21 Calibrated DCO Frequencies – Tolerance Over Temperature 0°C to 85°C
    22. 8.22 Calibrated DCO Frequencies – Tolerance Over Supply Voltage VCC
    23. 8.23 Calibrated DCO Frequencies – Overall Tolerance
    24. 8.24 Typical Characteristics – Calibrated DCO Frequency
    25. 8.25 Wake-up Times From Lower-Power Modes (LPM3, LPM4)
    26. 8.26 Typical Characteristics – DCO Clock Wake-up Time From LPM3 or LPM4
    27. 8.27 DCO With External Resistor ROSC
    28. 8.28 Typical Characteristics – DCO With External Resistor ROSC
    29. 8.29 Crystal Oscillator LFXT1, Low-Frequency Mode
    30. 8.30 Internal Very-Low-Power Low-Frequency Oscillator (VLO)
    31. 8.31 Crystal Oscillator LFXT1, High-Frequency Mode
    32. 8.32 Typical Characteristics – LFXT1 Oscillator in HF Mode (XTS = 1)
    33. 8.33 Crystal Oscillator XT2
    34. 8.34 Typical Characteristics – XT2 Oscillator
    35. 8.35 Timer_A
    36. 8.36 Timer_B
    37. 8.37 USCI (UART Mode)
    38. 8.38 USCI (SPI Master Mode)
    39. 8.39 USCI (SPI Slave Mode)
    40. 8.40 USCI (I2C Mode)
    41. 8.41 Comparator_A+
    42. 8.42 Typical Characteristics – Comparator_A+
    43. 8.43 12-Bit ADC Power Supply and Input Range Conditions
    44. 8.44 12-Bit ADC External Reference
    45. 8.45 12-Bit ADC Built-In Reference
    46. 8.46 12-Bit ADC Timing Parameters
    47. 8.47 12-Bit ADC Linearity Parameters
    48. 8.48 12-Bit ADC Temperature Sensor and Built-In VMID
    49. 8.49 12-Bit DAC Supply Specifications
    50. 8.50 12-Bit DAC Linearity Specifications
    51. 8.51 Typical Characteristics, 12-Bit DAC Linearity Specifications
    52. 8.52 12-Bit DAC Output Specifications
    53. 8.53 12-Bit DAC Reference Input Specifications
    54. 8.54 12-Bit DAC Dynamic Specifications
    55. 8.55 Flash Memory
    56. 8.56 RAM
    57. 8.57 JTAG Interface
    58. 8.58 JTAG Fuse
  9. Detailed Description
    1. 9.1  CPU
    2. 9.2  Instruction Set
    3. 9.3  Operating Modes
    4. 9.4  Interrupt Vector Addresses
    5. 9.5  Special Function Registers (SFRs)
    6. 9.6  Memory Organization
    7. 9.7  Bootloader (BSL)
    8. 9.8  Flash Memory
    9. 9.9  Peripherals
      1. 9.9.1  DMA Controller (MSP430F261x Only)
      2. 9.9.2  Oscillator and System Clock
      3. 9.9.3  Calibration Data Stored in Information Memory Segment A
      4. 9.9.4  Brownout, Supply Voltage Supervisor (SVS)
      5. 9.9.5  Digital I/O
      6. 9.9.6  Watchdog Timer (WDT+)
      7. 9.9.7  Hardware Multiplier
      8. 9.9.8  Universal Serial Communication Interface (USCI)
      9. 9.9.9  Timer_A3
      10. 9.9.10 Timer_B7
      11. 9.9.11 Comparator_A+
      12. 9.9.12 ADC12
      13. 9.9.13 DAC12 (MSP430F261x Only)
      14. 9.9.14 Peripheral File Map
    10. 9.10 Port Diagrams
      1. 9.10.1  Port P1 (P1.0 to P1.7), Input/Output With Schmitt Trigger
      2. 9.10.2  Port P2 (P2.0 to P2.4, P2.6, and P2.7), Input/Output With Schmitt Trigger
      3. 9.10.3  Port P2 (P2.5), Input/Output With Schmitt Trigger
      4. 9.10.4  Port P3 (P3.0 to P3.7), Input/Output With Schmitt Trigger
      5. 9.10.5  Port P4 (P4.0 to P4.7), Input/Output With Schmitt Trigger
      6. 9.10.6  Port P5 (P5.0 to P5.7), Input/Output With Schmitt Trigger
      7. 9.10.7  Port P6 (P6.0 to P6.4), Input/Output With Schmitt Trigger
      8. 9.10.8  Port P6 (P6.5 and P6.6), Input/Output With Schmitt Trigger
      9. 9.10.9  Port P6 (P6.7), Input/Output With Schmitt Trigger
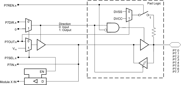
      10. 9.10.10 Port P7 (P7.0 to P7.7), Input/Output With Schmitt Trigger
      11. 9.10.11 Port P8 (P8.0 to P8.5), Input/Output With Schmitt Trigger
      12. 9.10.12 Port P8 (P8.6), Input/Output With Schmitt Trigger
      13. 9.10.13 Port P8 (P8.7), Input/Output With Schmitt Trigger
      14. 9.10.14 JTAG Pins (TMS, TCK, TDI/TCLK, TDO/TDI) Input/Output With Schmitt Trigger
      15. 9.10.15 JTAG Fuse Check Mode
  10. 10Device and Documentation Support
    1. 10.1 Getting Started
    2. 10.2 Device Nomenclature
    3. 10.3 Tools and Software
    4. 10.4 Documentation Support
    5. 10.5 Support Resources
    6. 10.6 Trademarks
    7. 10.7 Electrostatic Discharge Caution
    8. 10.8 术语表
  11. 11Mechanical, Packaging, and Orderable Information

封装选项

机械数据 (封装 | 引脚)
散热焊盘机械数据 (封装 | 引脚)
订购信息

Port P7 (P7.0 to P7.7), Input/Output With Schmitt Trigger

Port P7 is available on 80-pin PN and 113-pin ZCA or ZQW devices only.

Figure 9-15 shows the port diagram. Table 9-24 summarizes the selection of the pin function.

GUID-F034DD1B-92D8-43CD-B1EE-7B36F0276E2C-low.gif Figure 9-15 Port P7 (P7.0 to P7.7) Diagram
Table 9-24 Port P7 (P7.0 to P7.7) Pin Functions
PIN NAME (P7.x) x FUNCTION CONTROL BITS OR SIGNALS(1)
P7DIR.x P7SEL.x
P7.0 0 P7.0 (I/O) 0 = Input
1 = Output
0
Input X 1
P7.1 1 P7.1 (I/O) 0 = Input
1 = Output
0
Input X 1
P7.2 2 P7.2 (I/O) 0 = Input
1 = Output
0
Input X 1
P7.3 3 P7.3 (I/O) 0 = Input
1 = Output
0
Input X 1
P7.4 4 P7.4 (I/O) 0 = Input
1 = Output
0
Input X 1
P7.5 5 P7.5 (I/O) 0 = Input
1 = Output
0
Input X 1
P7.6 6 P7.6 (I/O) 0 = Input
1 = Output
0
Input X 1
P7.7 7 P7.7 (I/O) 0 = Input
1 = Output
0
Input X 1