ZHCABM8D June   2011  – March 2022 UCC28950 , UCC28950-Q1 , UCC28951 , UCC28951-Q1

 

  1.   摘要
  2.   商标
  3. 设计规格
  4. 功能原理图
  5. 功率预算
  6. 变压器计算 (T1)
  7. QA、QB、QC、QD FET 选择
  8. 选择 LS
  9. 输出电感器选择 (LOUT)
  10. 输出电容 (COUT)
  11. 选择 FET QE 和 QF
  12. 10输入电容 (CIN)
  13. 11设置电流检测 (CS) 网络(CT、RS、RRE、DA)
  14. 12电压环路和斜率补偿
  15. 13设置导通延迟,以实现零电压开关 (ZVS)
  16. 14在轻负载条件下关闭 SR FET
  17. 15600W FSFB 详细的原理图和测试数据
  18. 16参考文献
  19. 17修订历史记录

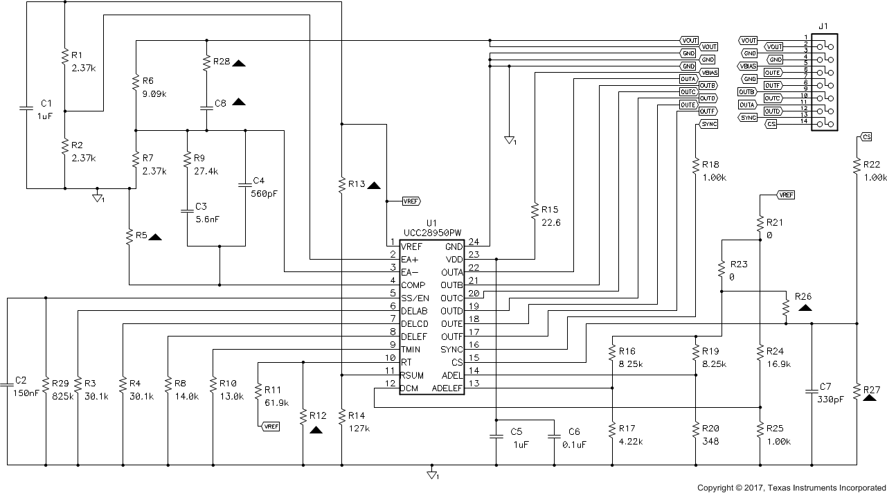
600W FSFB 详细的原理图和测试数据

GUID-1020D959-F3A7-490F-B509-F1D66DC9A4B9-low.gif图 15-1 子板原理图
注:

黑色三角形表示未填充。

图 15-2 功率级原理图
注:

建议使用 RCD 钳位来保护输出同步 FET 免受开关节点振铃引起的过压。该 RCD 钳位由二极管 D4、D6、电阻器 R6、R8 和 R9 以及电容器 C1 构成。

图 15-3 600W 相移全桥效率

VIN = 390V,IOUT = 5A 时的全桥栅极驱动器和主开关节点(QBd 和 QDd)。

图 15-4 Q4g Q4d,VIN = 390V,IOUT = 5A
图 15-5 Q3g Q3d,VIN = 390V,IOUT = 5A

VIN = 390V,IOUT = 10A 时的全桥栅极驱动器和开关节点

图 15-6 Q4g Q4d,VIN = 390V,IOUT = 10A
图 15-7 Q3g Q3d,VIN = 390V,IOUT = 10A
注:

开关节点 QBd/Q4d 为谷底开关,节点 QDd/Q3d 实现了 ZVS。开关节点 QDd/Q3d 在 QBd/Q4d 之前获得 ZVS 的情况并不少见。这是因为在 QDd/Q3d 开关节点电压转换期间,反射输出电流为开关节点的 LC 振荡电路提供即时能量。其中,在 QBd/Q4d 开关节点转换处,初级电路已被 H 桥中的高侧或低侧 FET 短路。此转换取决于 LS 和 LLK 中存储的能量,以在开关节点 QBd/Q4d 处为 LC 振荡电路提供能量,从而延长实现 ZVS 的时间。

VIN = 390V,IOUT = 25A 时的全桥栅极驱动器和开关节点

图 15-8 Q4g Q4d,VIN = 390V,IOUT = 25A
图 15-9 Q3g Q3d,VIN = 390V,IOUT = 25A
注:

当转换器在 25A 下运行时,这两个开关节点都在零电压开关 (ZVS) 下运行。此外值得一提的是,在栅极驱动器开关期间,并没有出现栅极米勒平坦区的迹象。这很有道理,因为在栅极驱动器转换之前,跨 FET QA 至 QD 的漏极和源极的电压已经转换。

VIN = 390V,IOUT = 50A 时的全桥栅极驱动器和开关节点

图 15-10 Q4g Q4d,VIN = 390V,IOUT = 25A
图 15-11 Q3g Q3d,VIN = 390V,IOUT = 25A
注:

ZVS 保持在 50% 到 100% 的输出功率。