ZHCAB63H December   2018  – May 2024 CC1310 , CC1312R , CC1314R10 , CC1350 , CC1352P , CC1352R , CC1354P10 , CC1354R10 , CC2620 , CC2630 , CC2640 , CC2640R2F , CC2640R2F-Q1 , CC2642R , CC2642R-Q1 , CC2650 , CC2652P , CC2652R , CC2652R7 , CC2652RB , CC2652RSIP , CC2674P10 , CC2674R10

 

  1.   1
  2.   摘要
  3.   商标
  4. 参考设计
    1. 1.1 Sub-1GHz LaunchPad
      1. 1.1.1 LAUNCHXL-CC1310
      2. 1.1.2 LAUNCHXL-CC1312R
    2. 1.2 2.4GHz LaunchPad
      1. 1.2.1 LAUNCHXL-CC2640R2
      2. 1.2.2 LAUNCHXL-CC26x2R
      3. 1.2.3 LP-CC26x1
    3. 1.3 双频带 LaunchPad
      1. 1.3.1 LAUNCHXL-CC1350EU/US
      2. 1.3.2 LAUNCHXL-CC1350-4
      3. 1.3.3 LAUNCHXL-CC1352R
      4. 1.3.4 LAUNCHXL-CC1352P1
      5. 1.3.5 LAUNCHXL-CC1352P-2
      6. 1.3.6 LAUNCHXL-CC1352P-4
      7. 1.3.7 LP-CC1352P7-1
      8. 1.3.8 LP-CC1352P7-4
      9. 1.3.9 LP-EM-CC1354P10-6
    4. 1.4 参考设计概述
  5. 前端配置
    1. 2.1 前端配置概述
    2. 2.2 配置前端模式
    3. 2.3 CC13xx 单端模式
      1. 2.3.1 单端模式
      2. 2.3.2 单端仅 TX
      3. 2.3.3 单端仅 RX
      4. 2.3.4 单端模式 — 2.4GHz
    4. 2.4 CC26xx 单端模式
  6. 原理图
    1. 3.1 原理图概览
      1. 3.1.1 24/48MHz 晶体
      2. 3.1.2 32.768kHz 晶振
      3. 3.1.3 平衡-非平衡变压器
      4. 3.1.4 滤波器
      5. 3.1.5 RX_TX 引脚
      6. 3.1.6 去耦电容器
      7. 3.1.7 天线元件
      8. 3.1.8 射频屏蔽层
      9. 3.1.9 I/O 引脚驱动强度
    2. 3.2 引导加载程序引脚
    3. 3.3 AUX 引脚
      1. 3.3.1 参考资料
      2. 3.3.2 CC26x2/CC13x2 AUX 引脚
      3. 3.3.3 CC26x0/CC13x0 AUX 引脚
    4. 3.4 JTAG 引脚
  7. PCB 布局
    1. 4.1  电路板堆叠
    2. 4.2  平衡-非平衡变压器 — Sub-1GHz
    3. 4.3  平衡-非平衡变压器 — 2.4GHz
      1. 4.3.1 针对 20dBm 的建议布局和注意事项
    4. 4.4  LC 滤波器
    5. 4.5  去耦电容器
    6. 4.6  晶体负载电容器的放置
    7. 4.7  电流返回路径
    8. 4.8  直流/直流稳压器
    9. 4.9  天线匹配元件
    10. 4.10 传输线路
    11. 4.11 电磁仿真
  8. 天线
    1. 5.1 单频带天线
    2. 5.2 双频带天线
      1. 5.2.1 双频带天线匹配示例:863-928MHz 和 2.4GHz
      2. 5.2.2 双频带天线匹配:433-510MHz 和 2.4GHz
  9. 晶体调谐
    1. 6.1 CC13xx/CC26xx 晶体振荡器
    2. 6.2 晶体选型
    3. 6.3 对 LF 晶体振荡器进行调谐
    4. 6.4 对 HF 振荡器进行调谐
  10. TCXO 支持
    1. 7.1 硬件
    2. 7.2 软件
    3. 7.3 示例:在 CC1312R LaunchPad 上使用 TCXO
  11. 集成无源器件 (IPC)
  12. 最佳负载阻抗
  13. 10PA 表
  14. 11电源配置
    1. 11.1 引言
    2. 11.2 直流/直流转换器模式
    3. 11.3 全局 LDO 模式
    4. 11.4 外部稳压器模式
  15. 12电路板启动
    1. 12.1 上电
    2. 12.2 RF 测试:SmartRF Studio
    3. 12.3 射频测试:传导测量
      1. 12.3.1 灵敏度
      2. 12.3.2 输出功率
    4. 12.4 软件启动
    5. 12.5 硬件故障排除
      1. 12.5.1 无链路:射频设置
      2. 12.5.2 无链路:频率偏移
      3. 12.5.3 链路不良:天线
      4. 12.5.4 低功耗蓝牙:器件可以广播但无法连接
      5. 12.5.5 灵敏度差:直流/直流元件布局
      6. 12.5.6 灵敏度差:背景噪声
      7. 12.5.7 睡眠状态功耗高
  16. 13参考资料
  17. 14修订历史记录

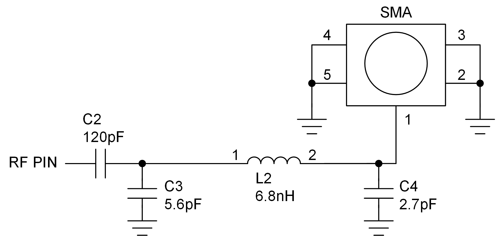
单端仅 TX

图 2-4 展示了建议的匹配网络。

CC1354P10-6 单端仅 TX (868/915MHz)图 2-4 单端仅 TX (868/915MHz)