ZHCAB63H December 2018 – May 2024 CC1310 , CC1312R , CC1314R10 , CC1350 , CC1352P , CC1352R , CC1354P10 , CC1354R10 , CC2620 , CC2630 , CC2640 , CC2640R2F , CC2640R2F-Q1 , CC2642R , CC2642R-Q1 , CC2650 , CC2652P , CC2652R , CC2652R7 , CC2652RB , CC2652RSIP , CC2674P10 , CC2674R10
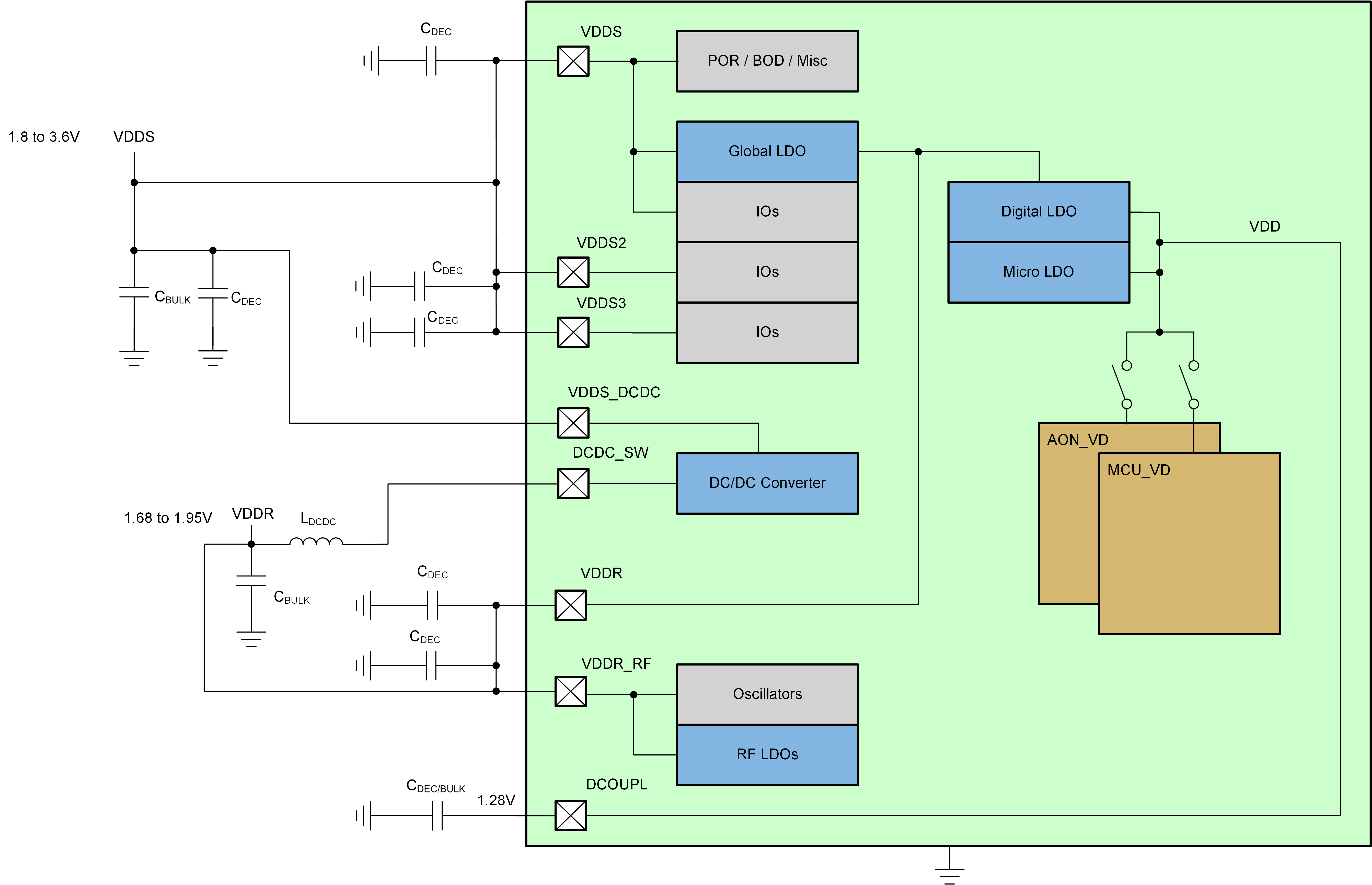
图 11-1 直流/直流模式使用内部直流/直流转换器可获得理想的效率,而这要求使用外部电感器 (LDCDC) 和电容器 (CDCDC)。元件应尽可能靠近 CC13xx/CC26xx 器件放置,并且从 CDCDC 接地面到芯片上的焊盘之间务必有一条短的电流返回路径(请参阅节 4.8)。此外,VDDS 上的大容量电容器应靠近 VDDS_DCDC 引脚放置。LDCDC、CDCDC 和 CBULK 的实际值因器件而异。关于实际值,请参阅器件特定的参考设计。
在直流/直流模式下运行时,电源系统会根据所需负载在全局 LDO 和直流/直流转换器之间动态切换,以实现最佳效率。如果 VDDS 降至 2.0V 以下,直流/直流转换器的效率将低于 LDO,器件将在全局 LDO 模式下运行。对于在 VDDS 小于 2.0V 的情况下运行的系统,请考虑使用全局 LDO 或外部稳压器模式,以节省元件成本和电路板面积。
使用直流/直流转换器或执行 GLDO 操作所需的软件设置在客户配置 (CCFG) 寄存器组中完成。
对于使用最高为 5.x 版本 SDK 的器件 (CC2640R2),必须对文件 ccfg.c 进行以下设置。
#ifndef SET_CCFG_MODE_CONF_DCDC_RECHARGE
#define SET_CCFG_MODE_CONF_DCDC_RECHARGE 0x0 // Use the DC/DC during recharge in powerdown
// #define SET_CCFG_MODE_CONF_DCDC_RECHARGE 0x1 // Do not use the DC/DC during recharge in powerdown
#endif
#ifndef SET_CCFG_MODE_CONF_DCDC_ACTIVE
#define SET_CCFG_MODE_CONF_DCDC_ACTIVE 0x0 // Use the DC/DC during active mode
// #define SET_CCFG_MODE_CONF_DCDC_ACTIVE 0x1 // Do not use the DC/DC during active mode
#endif
对于使用 SDK 6.x 或更高版本的器件,此项可以在 SysConfig 文件的“TI DEVICES”部分中进行设置,该部分后跟“Device Configuration”,如下图所示。
