SLAU367P October   2012  â€“ April 2020 MSP430FR5041 , MSP430FR5043 , MSP430FR50431 , MSP430FR5847 , MSP430FR58471 , MSP430FR5848 , MSP430FR5849 , MSP430FR5857 , MSP430FR5858 , MSP430FR5859 , MSP430FR5867 , MSP430FR58671 , MSP430FR5868 , MSP430FR5869 , MSP430FR5870 , MSP430FR5872 , MSP430FR58721 , MSP430FR5887 , MSP430FR5888 , MSP430FR5889 , MSP430FR58891 , MSP430FR5922 , MSP430FR59221 , MSP430FR5947 , MSP430FR59471 , MSP430FR5948 , MSP430FR5949 , MSP430FR5957 , MSP430FR5958 , MSP430FR5959 , MSP430FR5962 , MSP430FR5964 , MSP430FR5967 , MSP430FR5968 , MSP430FR5969 , MSP430FR5969-SP , MSP430FR59691 , MSP430FR5970 , MSP430FR5972 , MSP430FR59721 , MSP430FR5986 , MSP430FR5987 , MSP430FR5988 , MSP430FR5989 , MSP430FR5989-EP , MSP430FR59891 , MSP430FR5992 , MSP430FR5994 , MSP430FR59941 , MSP430FR6005 , MSP430FR6007 , MSP430FR6035 , MSP430FR6037 , MSP430FR60371 , MSP430FR6041 , MSP430FR6043 , MSP430FR60431 , MSP430FR6045 , MSP430FR6047 , MSP430FR60471 , MSP430FR6820 , MSP430FR6822 , MSP430FR68221 , MSP430FR6870 , MSP430FR6872 , MSP430FR68721 , MSP430FR6877 , MSP430FR6879 , MSP430FR68791 , MSP430FR6887 , MSP430FR6888 , MSP430FR6889 , MSP430FR68891 , MSP430FR6920 , MSP430FR6922 , MSP430FR69221 , MSP430FR6927 , MSP430FR69271 , MSP430FR6928 , MSP430FR6970 , MSP430FR6972 , MSP430FR69721 , MSP430FR6977 , MSP430FR6979 , MSP430FR69791 , MSP430FR6987 , MSP430FR6988 , MSP430FR6989 , MSP430FR69891

 

  1.   1
    1.     2
    2.     3
    3.     4
    4.     5
    5.     6
    6.     7
  2.   8
    1.     9
    2.     10
      1.      11
    3.     12
      1.      13
      2.      14
      3.      15
      4.      16
        1.       17
        2.       18
      5.      19
      6.      20
        1.       21
      7.      22
        1.       23
    4.     24
      1.      25
      2.      26
      3.      27
        1.       28
        2.       29
        3.       30
    5.     31
    6.     32
    7.     33
    8.     34
    9.     35
    10.     36
    11.     37
    12.     38
      1.      39
      2.      40
      3.      41
      4.      42
    13.     43
      1.      44
      2.      45
    14.     46
      1.      47
      2.      48
      3.      49
        1.       50
        2.       51
        3.       52
        4.       53
        5.       54
    15.     55
      1.      56
      2.      57
      3.      58
    16.     59
      1.      60
      2.      61
      3.      62
      4.      63
      5.      64
      6.      65
      7.      66
      8.      67
      9.      68
  3.   69
    1.     70
    2.     71
      1.      72
      2.      73
        1.       74
      3.      75
      4.      76
      5.      77
      6.      78
      7.      79
      8.      80
    3.     81
      1.      82
      2.      83
      3.      84
      4.      85
  4.   86
    1.     87
    2.     88
      1.      89
      2.      90
      3.      91
      4.      92
      5.      93
      6.      94
      7.      95
      8.      96
      9.      97
    3.     98
      1.      99
      2.      100
      3.      101
      4.      102
      5.      103
      6.      104
      7.      105
  5.   106
    1.     107
    2.     108
    3.     109
      1.      110
      2.      111
      3.      112
      4.      113
        1.       114
      5.      115
    4.     116
      1.      117
      2.      118
        1.       119
        2.       120
        3.       121
        4.       122
      3.      123
        1.       124
        2.       125
        3.       126
      4.      127
        1.       128
        2.       129
      5.      130
      6.      131
      7.      132
        1.       133
        2.       134
    5.     135
      1.      136
        1.       137
        2.       138
        3.       139
        4.       140
        5.       141
          1.        142
          2.        143
          3.        144
          4.        145
      2.      146
        1.       147
        2.       148
        3.       149
        4.       150
          1.        151
        5.       152
        6.       153
        7.       154
          1.        155
          2.        156
          3.        157
    6.     158
      1.      159
      2.      160
        1.       161
        2.       162
        3.       163
        4.       164
        5.       165
        6.       166
        7.       167
        8.       168
        9.       169
        10.       170
        11.       171
        12.       172
        13.       173
        14.       174
        15.       175
        16.       176
        17.       177
        18.       178
        19.       179
        20.       180
        21.       181
        22.       182
        23.       183
        24.       184
        25.       185
        26.       186
        27.       187
        28.       188
        29.       189
        30.       190
        31.       191
        32.       192
        33.       193
        34.       194
        35.       195
        36.       196
        37.       197
        38.       198
        39.       199
        40.       200
        41.       201
        42.       202
        43.       203
        44.       204
        45.       205
        46.       206
        47.       207
        48.       208
        49.       209
        50.       210
        51.       211
      3.      212
        1.       213
        2.       214
        3.       215
        4.       216
        5.       217
        6.       218
        7.       219
        8.       220
        9.       221
        10.       222
        11.       223
        12.       224
        13.       225
        14.       226
        15.       227
        16.       228
        17.       229
        18.       230
        19.       231
        20.       232
        21.       233
        22.       234
        23.       235
        24.       236
        25.       237
        26.       238
        27.       239
        28.       240
        29.       241
        30.       242
        31.       243
        32.       244
        33.       245
        34.       246
        35.       247
        36.       248
        37.       249
      4.      250
        1.       251
        2.       252
        3.       253
        4.       254
        5.       255
        6.       256
        7.       257
        8.       258
        9.       259
        10.       260
        11.       261
  6.   262
    1.     263
    2.     264
      1.      265
      2.      266
        1.       267
      3.      268
      4.      269
        1.       270
        2.       271
      5.      272
      6.      273
      7.      274
        1.       275
      8.      276
    3.     277
      1.      278
  7.   279
    1.     280
  8.   281
    1.     282
    2.     283
    3.     284
    4.     285
      1.      286
      2.      287
      3.      288
    5.     289
      1.      290
    6.     291
    7.     292
    8.     293
    9.     294
    10.     295
      1.      296
      2.      297
      3.      298
  9.   299
    1.     300
    2.     301
      1.      302
      2.      303
        1.       304
        2.       305
        3.       306
      3.      307
        1.       308
        2.       309
        3.       310
        4.       311
        5.       312
        6.       313
        7.       314
    3.     315
    4.     316
    5.     317
    6.     318
      1.      319
      2.      320
      3.      321
  10.   322
    1.     323
    2.     324
      1.      325
      2.      326
      3.      327
      4.      328
      5.      329
    3.     330
    4.     331
      1.      332
      2.      333
    5.     334
    6.     335
      1.      336
        1.       337
          1.        338
        2.       339
      2.      340
    7.     341
      1.      342
      2.      343
      3.      344
      4.      345
      5.      346
      6.      347
      7.      348
      8.      349
  11.   350
    1.     351
    2.     352
      1.      353
      2.      354
    3.     355
      1.      356
      2.      357
  12.   358
    1.     359
    2.     360
      1.      361
      2.      362
        1.       363
        2.       364
        3.       365
      3.      366
        1.       367
        2.       368
      4.      369
      5.      370
      6.      371
      7.      372
      8.      373
      9.      374
        1.       375
      10.      376
      11.      377
    3.     378
      1.      379
      2.      380
      3.      381
      4.      382
      5.      383
      6.      384
      7.      385
      8.      386
      9.      387
      10.      388
  13.   389
    1.     390
    2.     391
      1.      392
      2.      393
      3.      394
      4.      395
      5.      396
      6.      397
        1.       398
        2.       399
        3.       400
    3.     401
      1.      402
      2.      403
      3.      404
    4.     405
      1.      406
      2.      407
      3.      408
      4.      409
      5.      410
      6.      411
      7.      412
      8.      413
      9.      414
      10.      415
      11.      416
  14.   417
    1.     418
    2.     419
    3.     420
      1.      421
  15.   422
    1.     423
    2.     424
      1.      425
      2.      426
      3.      427
      4.      428
      5.      429
      6.      430
      7.      431
      8.      432
      9.      433
      10.      434
      11.      435
        1.       436
          1.        437
          2.        438
        2.       439
          1.        440
          2.        441
        3.       442
          1.        443
          2.        444
        4.       445
          1.        446
          2.        447
    3.     448
      1.      449
      2.      450
      3.      451
      4.      452
      5.      453
      6.      454
      7.      455
      8.      456
  16.   457
    1.     458
    2.     459
    3.     460
      1.      461
      2.      462
        1.       463
        2.       464
    4.     465
      1.      466
      2.      467
      3.      468
      4.      469
  17.   470
    1.     471
    2.     472
      1.      473
      2.      474
      3.      475
        1.       476
        2.       477
    3.     478
      1.      479
        1.       480
        2.       481
        3.       482
        4.       483
        5.       484
        6.       485
        7.       486
        8.       487
        9.       488
        10.       489
        11.       490
        12.       491
  18.   492
    1.     493
    2.     494
      1.      495
      2.      496
      3.      497
    3.     498
  19.   499
    1.     500
    2.     501
      1.      502
        1.       503
        2.       504
      2.      505
    3.     506
  20.   507
    1.     508
    2.     509
    3.     510
    4.     511
      1.      512
      2.      513
      3.      514
      4.      515
    5.     516
    6.     517
    7.     518
      1.      519
      2.      520
      3.      521
      4.      522
      5.      523
      6.      524
      7.      525
      8.      526
      9.      527
  21.   528
    1.     529
    2.     530
      1.      531
      2.      532
      3.      533
      4.      534
    3.     535
      1.      536
      2.      537
      3.      538
      4.      539
    4.     540
      1.      541
    5.     542
    6.     543
      1.      544
      2.      545
      3.      546
      4.      547
      5.      548
      6.      549
      7.      550
      8.      551
      9.      552
      10.      553
  22.   554
    1.     555
    2.     556
      1.      557
      2.      558
      3.      559
      4.      560
      5.      561
      6.      562
      7.      563
      8.      564
    3.     565
      1.      566
      2.      567
      3.      568
        1.       569
      4.      570
    4.     571
      1.      572
      2.      573
      3.      574
      4.      575
    5.     576
    6.     577
    7.     578
    8.     579
      1.      580
      2.      581
      3.      582
      4.      583
      5.      584
      6.      585
      7.      586
      8.      587
      9.      588
      10.      589
      11.      590
      12.      591
      13.      592
      14.      593
      15.      594
      16.      595
      17.      596
      18.      597
      19.      598
      20.      599
      21.      600
      22.      601
      23.      602
      24.      603
      25.      604
      26.      605
      27.      606
      28.      607
      29.      608
      30.      609
      31.      610
      32.      611
      33.      612
      34.      613
      35.      614
      36.      615
      37.      616
      38.      617
      39.      618
      40.      619
      41.      620
      42.      621
      43.      622
      44.      623
      45.      624
  23.   625
    1.     626
    2.     627
      1.      628
      2.      629
      3.      630
        1.       631
        2.       632
        3.       633
        4.       634
      4.      635
      5.      636
      6.      637
        1.       638
          1.        639
          2.        640
      7.      641
      8.      642
      9.      643
      10.      644
      11.      645
      12.      646
    3.     647
      1.      648
    4.     649
    5.     650
      1.      651
      2.      652
      3.      653
      4.      654
      5.      655
      6.      656
      7.      657
      8.      658
      9.      659
      10.      660
      11.      661
      12.      662
      13.      663
      14.      664
      15.      665
      16.      666
      17.      667
      18.      668
      19.      669
      20.      670
  24.   671
    1.     672
    2.     673
      1.      674
      2.      675
      3.      676
      4.      677
      5.      678
      6.      679
      7.      680
      8.      681
    3.     682
      1.      683
    4.     684
      1.      685
      2.      686
      3.      687
      4.      688
      5.      689
      6.      690
      7.      691
      8.      692
      9.      693
  25.   694
    1.     695
    2.     696
      1.      697
      2.      698
      3.      699
      4.      700
      5.      701
      6.      702
        1.       703
    3.     704
      1.      705
  26.   706
    1.     707
    2.     708
      1.      709
        1.       710
      2.      711
      3.      712
        1.       713
          1.        714
        2.       715
        3.       716
        4.       717
          1.        718
        5.       719
      4.      720
        1.       721
          1.        722
        2.       723
      5.      724
        1.       725
          1.        726
          2.        727
          3.        728
      6.      729
        1.       730
        2.       731
          1.        732
    3.     733
      1.      734
      2.      735
      3.      736
      4.      737
      5.      738
      6.      739
  27.   740
    1.     741
      1.      742
    2.     743
      1.      744
        1.       745
        2.       746
      2.      747
      3.      748
        1.       749
          1.        750
        2.       751
        3.       752
        4.       753
          1.        754
        5.       755
      4.      756
        1.       757
          1.        758
        2.       759
          1.        760
          2.        761
      5.      762
        1.       763
          1.        764
          2.        765
          3.        766
      6.      767
        1.       768
        2.       769
        3.       770
    3.     771
      1.      772
      2.      773
      3.      774
      4.      775
      5.      776
      6.      777
  28.   778
    1.     779
  29.   780
    1.     781
    2.     782
      1.      783
      2.      784
      3.      785
      4.      786
        1.       787
      5.      788
      6.      789
    3.     790
      1.      791
      2.      792
      3.      793
      4.      794
      5.      795
      6.      796
      7.      797
      8.      798
      9.      799
      10.      800
      11.      801
      12.      802
      13.      803
      14.      804
      15.      805
      16.      806
      17.      807
      18.      808
      19.      809
      20.      810
      21.      811
      22.      812
      23.      813
      24.      814
      25.      815
      26.      816
      27.      817
      28.      818
      29.      819
      30.      820
      31.      821
  30.   822
    1.     823
    2.     824
      1.      825
      2.      826
      3.      827
      4.      828
      5.      829
      6.      830
        1.       831
      7.      832
        1.       833
          1.        834
      8.      835
        1.       836
        2.       837
        3.       838
      9.      839
    3.     840
      1.      841
        1.       842
        2.       843
        3.       844
      2.      845
        1.       846
    4.     847
      1.      848
      2.      849
      3.      850
      4.      851
      5.      852
      6.      853
      7.      854
      8.      855
      9.      856
      10.      857
      11.      858
      12.      859
      13.      860
      14.      861
      15.      862
      16.      863
      17.      864
      18.      865
      19.      866
      20.      867
      21.      868
      22.      869
      23.      870
      24.      871
      25.      872
      26.      873
      27.      874
      28.      875
      29.      876
      30.      877
      31.      878
      32.      879
      33.      880
      34.      881
      35.      882
      36.      883
      37.      884
      38.      885
      39.      886
      40.      887
      41.      888
      42.      889
      43.      890
      44.      891
      45.      892
      46.      893
      47.      894
      48.      895
      49.      896
      50.      897
      51.      898
      52.      899
  31.   900
    1.     901
    2.     902
    3.     903
      1.      904
      2.      905
      3.      906
        1.       907
          1.        908
        2.       909
          1.        910
      4.      911
        1.       912
      5.      913
        1.       914
        2.       915
      6.      916
      7.      917
        1.       918
      8.      919
      9.      920
        1.       921
        2.       922
      10.      923
        1.       924
        2.       925
      11.      926
        1.       927
        2.       928
      12.      929
      13.      930
      14.      931
      15.      932
        1.       933
        2.       934
        3.       935
        4.       936
          1.        937
      16.      938
    4.     939
      1.      940
      2.      941
      3.      942
      4.      943
      5.      944
      6.      945
      7.      946
      8.      947
      9.      948
      10.      949
      11.      950
      12.      951
  32.   952
    1.     953
    2.     954
    3.     955
      1.      956
      2.      957
      3.      958
        1.       959
        2.       960
      4.      961
        1.       962
      5.      963
        1.       964
        2.       965
      6.      966
        1.       967
      7.      968
      8.      969
        1.       970
        2.       971
        3.       972
          1.        973
    4.     974
      1.      975
      2.      976
      3.      977
      4.      978
      5.      979
      6.      980
      7.      981
      8.      982
    5.     983
      1.      984
      2.      985
      3.      986
      4.      987
      5.      988
      6.      989
      7.      990
      8.      991
  33.   992
    1.     993
    2.     994
    3.     995
      1.      996
      2.      997
      3.      998
        1.       999
        2.       1000
        3.       1001
      4.      1002
        1.       1003
        2.       1004
      5.      1005
        1.       1006
          1.        1007
          2.        1008
          3.        1009
        2.       1010
          1.        1011
          2.        1012
          3.        1013
        3.       1014
      6.      1015
      7.      1016
        1.       1017
        2.       1018
        3.       1019
      8.      1020
        1.       1021
        2.       1022
      9.      1023
        1.       1024
        2.       1025
      10.      1026
      11.      1027
        1.       1028
        2.       1029
        3.       1030
        4.       1031
        5.       1032
          1.        1033
    4.     1034
      1.      1035
      2.      1036
      3.      1037
      4.      1038
      5.      1039
      6.      1040
      7.      1041
      8.      1042
      9.      1043
      10.      1044
      11.      1045
      12.      1046
      13.      1047
      14.      1048
      15.      1049
      16.      1050
      17.      1051
  34.   1052
    1.     1053
    2.     1054
      1.      1055
      2.      1056
        1.       1057
        2.       1058
        3.       1059
    3.     1060
      1.      1061
  35.   1062
    1.     1063
    2.     1064
      1.      1065
        1.       1066
      2.      1067
        1.       1068
      3.      1069
      4.      1070
      5.      1071
      6.      1072
        1.       1073
        2.       1074
        3.       1075
      7.      1076
      8.      1077
        1.       1078
        2.       1079
        3.       1080
        4.       1081
        5.       1082
        6.       1083
      9.      1084
      10.      1085
      11.      1086
      12.      1087
      13.      1088
      14.      1089
        1.       1090
        2.       1091
    3.     1092
      1.      1093
      2.      1094
      3.      1095
      4.      1096
      5.      1097
      6.      1098
      7.      1099
      8.      1100
      9.      1101
      10.      1102
      11.      1103
      12.      1104
      13.      1105
      14.      1106
      15.      1107
  36.   1108
    1.     1109
    2.     1110
      1.      1111
      2.      1112
      3.      1113
      4.      1114
      5.      1115
      6.      1116
      7.      1117
      8.      1118
      9.      1119
    3.     1120
      1.      1121
      2.      1122
      3.      1123
      4.      1124
      5.      1125
      6.      1126
  37.   1127
    1.     1128
    2.     1129
      1.      1130
        1.       1131
        2.       1132
      2.      1133
      3.      1134
      4.      1135
        1.       1136
        2.       1137
        3.       1138
      5.      1139
        1.       1140
        2.       1141
        3.       1142
      6.      1143
      7.      1144
        1.       1145
      8.      1146
      9.      1147
      10.      1148
      11.      1149
      12.      1150
      13.      1151
    3.     1152
      1.      1153
      2.      1154
      3.      1155
      4.      1156
      5.      1157
      6.      1158
      7.      1159
      8.      1160
      9.      1161
      10.      1162
      11.      1163
  38.   1164
    1.     1165
    2.     1166
      1.      1167
        1.       1168
        2.       1169
        3.       1170
        4.       1171
        5.       1172
        6.       1173
        7.       1174
      2.      1175
        1.       1176
        2.       1177
        3.       1178
        4.       1179
        5.       1180
        6.       1181
        7.       1182
        8.       1183
      3.      1184
      4.      1185
      5.      1186
        1.       1187
        2.       1188
        3.       1189
        4.       1190
        5.       1191
      6.      1192
      7.      1193
        1.       1194
        2.       1195
        3.       1196
      8.      1197
        1.       1198
          1.        1199
          2.        1200
        2.       1201
        3.       1202
    3.     1203
      1.      1204
      2.      1205
      3.      1206
      4.      1207
      5.      1208
      6.      1209
      7.      1210
      8.      1211
      9.      1212
      10.      1213
      11.      1214
      12.      1215
      13.      1216
      14.      1217
      15.      1218
      16.      1219
      17.      1220
      18.      1221
      19.      1222
      20.      1223
      21.      1224
      22.      1225
      23.      1226
      24.      1227
  39.   1228
    1.     1229
    2.     1230
      1.      1231
      2.      1232
      3.      1233
      4.      1234
      5.      1235
      6.      1236
      7.      1237
    3.     1238
  40.   1239

Introduction

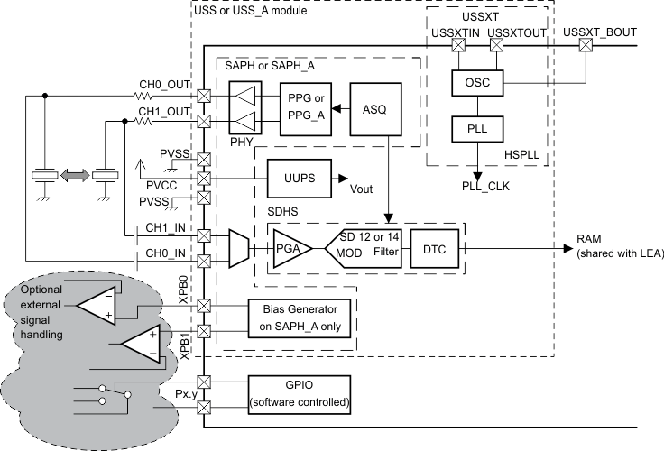
The Universal USS Power Supply (UUPS) is one of the submodules in the Ultrasonic Sensing Solution (USS) module. The USS module is designed for ADC-based ultrasonic sensing technology in various measurement applications. Figure 19-2 shows the block diagram of the USS module.

USSA_xbd.gifFigure 19-1 USS/USS_A Block Diagram

The UUPS module consists of three blocks: the power sequencer (PSQ), the reference generator (BIAS_REF), and the USS LDO (see Figure 19-2).

  • PSQ block: Controls the power-up and power-down sequences of the USS module.
  • BIAS_REF block: Generates required reference voltages and currents for the SDHS, HSPLL, and USS LDO.
  • USS_LDO block: Generates regulated 1.6 V, which is used by the USS submodules.
USS_PWR_bd_B2x.gifFigure 19-2 UUPS Block Diagram

The signal names in Figure 19-2 are for information only to show how each block is connected inside the UUPS module. These signals are not under user control.

NOTE

Naming convention for register names and bit fields:

  • UUPS registers: RegisterName or RegisterName.BitField
  • Other module registers: ModuleNameRegisterName or ModuleNameRegisterName.BitField