ZHCSLH3E June   2020  – May 2024 TLV9020-Q1 , TLV9021-Q1 , TLV9022-Q1 , TLV9024-Q1 , TLV9030-Q1 , TLV9031-Q1 , TLV9032-Q1 , TLV9034-Q1

PRODMIX  

  1.   1
  2. 特性
  3. 应用
  4. 说明
  5. 引脚配置和功能
    1. 4.1 引脚功能:TLV90x0-Q1 和 TLV90x1-Q1 单通道
    2.     引脚功能:TLV90x2-Q1 双通道
    3.     引脚功能:TLV90x4-Q1 四通道
  6. 规格
    1. 5.1  绝对最大额定值
    2. 5.2  ESD 等级
    3. 5.3  建议运行条件
    4. 5.4  热性能信息,TLV90x0-Q1、TLV90x1-Q1
    5. 5.5  热性能信息,TLV90x2-Q1
    6. 5.6  热性能信息,TLV90x4-Q1
    7. 5.7  电气特性,TLV90x0-Q1,TLV90x1-Q1
    8. 5.8  开关特性,TLV90x0-Q1、TLV90x1-Q1
    9. 5.9  电气特性,TLV90x2-Q1
    10. 5.10 开关特性,TLV90x2-Q1
    11. 5.11 电气特性,TLV90x4-Q1
    12. 5.12 开关特性,TLV90x4-Q1
    13. 5.13 典型特性
  7. 详细说明
    1. 6.1 概述
    2. 6.2 功能方框图
    3. 6.3 特性说明
    4. 6.4 器件功能模式
      1. 6.4.1 输出
        1. 6.4.1.1 TLV9022-Q1 和 TLV9024-Q1 开漏输出
        2. 6.4.1.2 TLV9032-Q1 和 TLV9034-Q1 推挽输出
      2. 6.4.2 上电复位 (POR)
      3. 6.4.3 输入
        1. 6.4.3.1 轨至轨输入
        2. 6.4.3.2 容错输入
        3. 6.4.3.3 输入保护
      4. 6.4.4 ESD 保护
      5. 6.4.5 未使用的输入
      6. 6.4.6 迟滞
  8. 应用和实施
    1. 7.1 应用信息
      1. 7.1.1 基本的比较器定义
        1. 7.1.1.1 操作
        2. 7.1.1.2 传播延迟
        3. 7.1.1.3 过驱电压
      2. 7.1.2 迟滞
        1. 7.1.2.1 具有迟滞功能的反相比较器
        2. 7.1.2.2 具有迟滞功能的非反相比较器
        3. 7.1.2.3 使用开漏输出的反相和同相迟滞
    2. 7.2 典型应用
      1. 7.2.1 窗口比较器
        1. 7.2.1.1 设计要求
        2. 7.2.1.2 详细设计过程
        3. 7.2.1.3 应用曲线
      2. 7.2.2 方波振荡器
        1. 7.2.2.1 设计要求
        2. 7.2.2.2 详细设计过程
        3. 7.2.2.3 应用曲线
      3. 7.2.3 可调节的脉宽生成器
      4. 7.2.4 延时时间生成器
      5. 7.2.5 逻辑电平转换器
      6. 7.2.6 单稳态多谐振荡器
      7. 7.2.7 双稳态多谐振荡器
      8. 7.2.8 过零检测器
      9. 7.2.9 脉冲切片器
    3. 7.3 电源相关建议
  9. 布局
    1. 8.1 布局指南
    2. 8.2 布局示例
  10. 器件和文档支持
    1. 9.1 文档支持
      1. 9.1.1 相关文档
    2. 9.2 接收文档更新通知
    3. 9.3 支持资源
    4. 9.4 商标
    5. 9.5 静电放电警告
    6. 9.6 术语表
  11. 10修订历史记录
  12. 11机械、封装和可订购信息

封装选项

机械数据 (封装 | 引脚)
散热焊盘机械数据 (封装 | 引脚)
订购信息

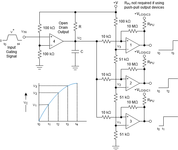
延时时间生成器

图 7-13 所示电路从某个时间基准起以规定的时间间隔提供输出信号,并在输入返回到 0V 时自动将输出复位为低电平。这适用于对“上电”信号进行时序控制以触发电源的受控启动。

TLV9020-Q1 TLV9021-Q1 TLV9022-Q1 TLV9024-Q1  TLV9030-Q1 TLV9031-Q1 TLV9032-Q1 TLV9034-Q1 延时时间生成器图 7-13 延时时间生成器

考虑 VIN = 0 的情况。比较器 4 的输出也将接地,将电容器“短接”并将其保持在 0V。这意味着比较器 1、2 和 3 的输出也为 0V。当施加一个输入信号时,开漏比较器 4 的输出变为高阻态,C 以指数方式通过 R 充电。图中显示了这一点。当 VC 高于基准电压 V1、V2 和 V3 时,比较器 1、2 和 3 的输出电压依次切换到高电平状态。10kΩ 和 10MΩ 电阻器提供了少量迟滞,以确保在选择 RC 时间常数以提供长延迟时间时能够快速切换。可以先选择 R = 100kΩ 且 C = 0.01µF 至 1µF。

由于比较器输出变为低电平并立即对电容器放电,当电压 VIN 降至 0V 时,所有输出将立即变为低电平。

比较器 4 必须是开漏型输出 (TLV902x-Q1);而比较器 1 至 3 可以是开漏型输出,也可以是推挽型输出,具体取决于系统要求。推挽型输出器件不需要 RPU