ZHCSI67D May   2018  – December 2019 MSP430FR2153 , MSP430FR2155 , MSP430FR2353 , MSP430FR2355

PRODUCTION DATA.  

  1. 1器件概述
    1. 1.1 特性
    2. 1.2 应用
    3. 1.3 说明
    4. 1.4 功能方框图
      1.      修订历史记录
  2. 2Device Comparison
    1. 2.1 Related Products
  3. 3Terminal Configuration and Functions
    1. 3.1 Pin Diagrams
    2. 3.2 Pin Attributes
    3. 3.3 Signal Descriptions
    4. 3.4 Pin Multiplexing
    5. 3.5 Buffer Type
    6. 3.6 Connection of Unused Pins
  4. 4Specifications
    1. 4.1  Absolute Maximum Ratings
    2. 4.2  ESD Ratings
    3. 4.3  Recommended Operating Conditions
    4. 4.4  Active Mode Supply Current Into VCC Excluding External Current
    5. 4.5  Active Mode Supply Current Per MHz
    6. 4.6  Low-Power Mode LPM0 Supply Currents Into VCC Excluding External Current
    7. 4.7  Low-Power Mode LPM3 and LPM4 Supply Currents (Into VCC) Excluding External Current
    8. 4.8  Low-Power Mode LPMx.5 Supply Currents (Into VCC) Excluding External Current
    9. 4.9  Production Distribution of LPM Supply Currents
    10. 4.10 Typical Characteristics - Current Consumption Per Module
    11. 4.11 Thermal Resistance Characteristics
    12. 4.12 Timing and Switching Characteristics
      1. 4.12.1  Power Supply Sequencing
        1. Table 4-1 PMM, SVS and BOR
      2. 4.12.2  Reset Timing
        1. Table 4-2 Wake-up Times From Low-Power Modes and Reset
      3. 4.12.3  Clock Specifications
        1. Table 4-3 XT1 Crystal Oscillator (Low Frequency)
        2. Table 4-4 XT1 Crystal Oscillator (High Frequency)
        3. Table 4-5 DCO FLL, Frequency
        4. Table 4-6 DCO Frequency
        5. Table 4-7 REFO
        6. Table 4-8 Internal Very-Low-Power Low-Frequency Oscillator (VLO)
        7. Table 4-9 Module Oscillator (MODOSC)
      4. 4.12.4  Internal Shared Reference
        1. Table 4-10 Internal Shared Reference
      5. 4.12.5  General-Purpose I/Os
        1. Table 4-11 Digital Inputs
        2. Table 4-12 Digital Outputs
      6. 4.12.6  Digital I/O Typical Characteristics
      7. 4.12.7  Timer_B
        1. Table 4-13 Timer_B
      8. 4.12.8  eUSCI
        1. Table 4-14 eUSCI (UART Mode) Clock Frequencies
        2. Table 4-15 eUSCI (UART Mode) Switching Characteristics
        3. Table 4-16 eUSCI (SPI Master Mode) Clock Frequency
        4. Table 4-17 eUSCI (SPI Master Mode) Switching Characteristics
        5. Table 4-18 eUSCI (SPI Slave Mode) Switching Characteristics
        6. Table 4-19 eUSCI (I2C Mode) Switching Characteristics
      9. 4.12.9  ADC
        1. Table 4-20 ADC, Power Supply and Input Range Conditions
        2. Table 4-21 ADC, Timing Parameters
        3. Table 4-22 ADC, Linearity Parameters
      10. 4.12.10 Enhanced Comparator (eCOMP)
        1. Table 4-23 eCOMP0
        2. Table 4-24 eCOMP1
      11. 4.12.11 Smart Analog Combo (SAC) (MSP430FR235x Devices Only)
        1. Table 4-25 SAC, OA
        2. Table 4-26 SAC, DAC
      12. 4.12.12 FRAM
        1. Table 4-27 FRAM
      13. 4.12.13 Emulation and Debug
        1. Table 4-28 JTAG, Spy-Bi-Wire Interface
        2. Table 4-29 JTAG, 4-Wire Interface
  5. 5Detailed Description
    1. 5.1  CPU
    2. 5.2  Operating Modes
    3. 5.3  Interrupt Vector Addresses
    4. 5.4  Memory Organization
    5. 5.5  Bootloader (BSL)
    6. 5.6  JTAG Standard Interface
    7. 5.7  Spy-Bi-Wire Interface (SBW)
    8. 5.8  FRAM
    9. 5.9  Memory Protection
    10. 5.10 Peripherals
      1. 5.10.1  Power Management Module (PMM) and On-Chip Reference Voltages
      2. 5.10.2  Clock System (CS) and Clock Distribution
      3. 5.10.3  General-Purpose Input/Output Port (I/O)
      4. 5.10.4  Watchdog Timer (WDT)
      5. 5.10.5  System Module (SYS)
      6. 5.10.6  Cyclic Redundancy Check (CRC)
      7. 5.10.7  Interrupt Compare Controller (ICC)
      8. 5.10.8  Enhanced Universal Serial Communication Interface (eUSCI_A0, eUSCI_A1, eUSCI_B0, eUSCI_B1)
      9. 5.10.9  Timers (Timer0_B3, Timer1_B3, Timer2_B3, Timer3_B7)
      10. 5.10.10 Backup Memory (BKMEM)
      11. 5.10.11 Real-Time Clock (RTC) Counter
      12. 5.10.12 12-Bit Analog-to-Digital Converter (ADC)
      13. 5.10.13 Enhanced Comparator
      14. 5.10.14 Manchester Function Module (MFM)
      15. 5.10.15 Smart Analog Combo (SAC) (MSP430FR235x Devices Only)
      16. 5.10.16 eCOMP0, eCOMP1, SAC0, SAC1, SAC2, and SAC3 Interconnection (MSP430FR235x Devices Only)
      17. 5.10.17 Cross-Chip Interconnection (SACx are MSP430FR235x Devices Only)
      18. 5.10.18 Embedded Emulation Module (EEM)
      19. 5.10.19 Peripheral File Map
    11. 5.11 Input/Output Diagrams
      1. 5.11.1 Port P1 Input/Output With Schmitt Trigger
      2. 5.11.2 Port P2 Input/Output With Schmitt Trigger
      3. 5.11.3 Port P3 Input/Output With Schmitt Trigger
      4. 5.11.4 Port P4 Input/Output With Schmitt Trigger
      5. 5.11.5 Port P5 Input/Output With Schmitt Trigger
      6. 5.11.6 Port P6 Input/Output With Schmitt Trigger
    12. 5.12 Device Descriptors (TLV)
    13. 5.13 Identification
      1. 5.13.1 Revision Identification
      2. 5.13.2 Device Identification
      3. 5.13.3 JTAG Identification
  6. 6Applications, Implementation, and Layout
    1. 6.1 Device Connection and Layout Fundamentals
      1. 6.1.1 Power Supply Decoupling and Bulk Capacitors
      2. 6.1.2 External Oscillator
      3. 6.1.3 JTAG
      4. 6.1.4 Reset
      5. 6.1.5 Unused Pins
      6. 6.1.6 General Layout Recommendations
      7. 6.1.7 Do's and Don'ts
    2. 6.2 Peripheral- and Interface-Specific Design Information
      1. 6.2.1 ADC Peripheral
        1. 6.2.1.1 Partial Schematic
        2. 6.2.1.2 Design Requirements
        3. 6.2.1.3 Layout Guidelines
    3. 6.3 ROM Libraries
    4. 6.4 Typical Applications
  7. 7器件和文档支持
    1. 7.1 使用入门
    2. 7.2 器件命名规则
    3. 7.3 工具和软件
    4. 7.4 文档支持
    5. 7.5 相关链接
    6. 7.6 商标
    7. 7.7 静电放电警告
    8. 7.8 Glossary
  8. 8机械、封装和可订购信息

封装选项

机械数据 (封装 | 引脚)
散热焊盘机械数据 (封装 | 引脚)
订购信息

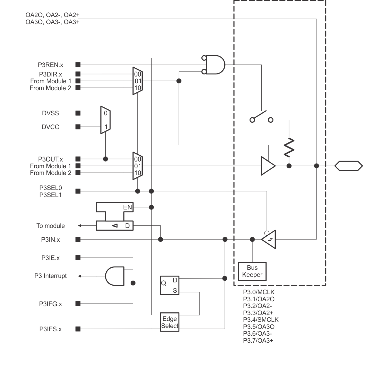
Port P3 Input/Output With Schmitt Trigger

Figure 5-6 shows the port diagram. Table 5-65 summarizes the selection of the port function.

MSP430FR2355 MSP430FR2353 MSP430FR2155 MSP430FR2153 P3.gifFigure 5-6 Port P3 Input/Output With Schmitt Trigger

Table 5-65 Port P3 Pin Functions

PIN NAME (P3.x) x FUNCTION CONTROL BITS AND SIGNALS(1)
P3DIR.x P3SELx
P3.0/MCLK 0 P3.0 (I/O) I: 0; O: 1 00
MCLK 1 01
VSS 0
P3.1/OA2O 1 P3.1 (I/O) I: 0; O: 1 00
OA2O(1) X 11
P3.2/OA2- 2 P3.2 (I/O) I: 0; O: 1 00
OA2-(1) X 11
P3.3/OA2+ 3 P3.3 (I/O) I: 0; O: 1 00
OA2+(1) X 11
P3.4/SMCLK 4 P3.4 (I/O) I: 0; O: 1 00
SMCLK 1 01
VSS 0
P3.5/OA3O 5 P3.5 (I/O) I: 0; O: 1 00
OA3O(1) X 11
P3.6/OA3- 6 P3.6 (I/O) I: 0; O: 1 00
OA3-(1) X 11
P3.7/OA3+ 7 P3.7 (I/O) I: 0; O: 1 00
OA3+(1) X 11
MSP430FR235x devices only