SLAS703C April 2010 – September 2020 MSP430BT5190
PRODUCTION DATA

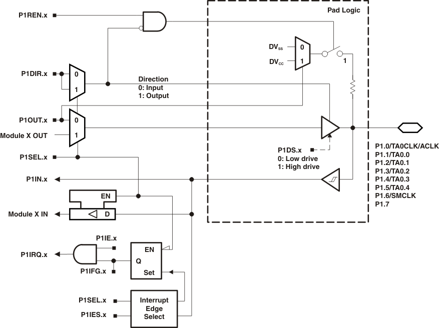
| PIN NAME (P1.x) | x | FUNCTION | CONTROL BITS OR SIGNALS | |
|---|---|---|---|---|
| P1DIR.x | P1SEL.x | |||
| P1.0/TA0CLK/ACLK | 0 | P1.0 (I/O) | I: 0; O: 1 | 0 |
| TA0.TA0CLK | 0 | 1 | ||
| ACLK | 1 | 1 | ||
| P1.1/TA0.0 | 1 | P1.1 (I/O) | I: 0; O: 1 | 0 |
| TA0.CCI0A | 0 | 1 | ||
| TA0.0 | 1 | 1 | ||
| P1.2/TA0.1 | 2 | P1.2 (I/O) | I: 0; O: 1 | 0 |
| TA0.CCI1A | 0 | 1 | ||
| TA0.1 | 1 | 1 | ||
| P1.3/TA0.2 | 3 | P1.3 (I/O) | I: 0; O: 1 | 0 |
| TA0.CCI2A | 0 | 1 | ||
| TA0.2 | 1 | 1 | ||
| P1.4/TA0.3 | 4 | P1.4 (I/O) | I: 0; O: 1 | 0 |
| TA0.CCI3A | 0 | 1 | ||
| TA0.3 | 1 | 1 | ||
| P1.5/TA0.4 | 5 | P1.5 (I/O) | I: 0; O: 1 | 0 |
| TA0.CCI4A | 0 | 1 | ||
| TA0.4 | 1 | 1 | ||
| P1.6/SMCLK | 6 | P1.6 (I/O) | I: 0; O: 1 | 0 |
| SMCLK | 1 | 1 | ||
| P1.7 | 7 | P1.7 (I/O) | I: 0; O: 1 | 0 |