SLAS703C April   2010  – September 2020 MSP430BT5190

PRODUCTION DATA  

  1. 1Features
  2. 2Applications
  3. 3Description
  4. 4Functional Block Diagram
  5. 5Revision History
  6. 6Terminal Configuration and Functions
    1. 6.1 Pin Diagrams
    2. 6.2 Signal Descriptions
      1. 6.2.1 Terminal Functions
  7. 7Specifications
    1. 7.1  Absolute Maximum Ratings
    2. 7.2  ESD Ratings
    3. 7.3  Recommended Operating Conditions
    4. 7.4  Active Mode Supply Current Into VCC Excluding External Current
    5. 7.5  Low-Power Mode Supply Currents (Into VCC) Excluding External Current
    6. 7.6  Thermal Characteristics
    7. 7.7  Schmitt-Trigger Inputs – General-Purpose I/O
    8. 7.8  Inputs – Ports P1 and P2
    9. 7.9  Leakage Current – General-Purpose I/O
    10. 7.10 Outputs – General-Purpose I/O (Full Drive Strength)
    11. 7.11 Outputs – General-Purpose I/O (Reduced Drive Strength)
    12. 7.12 Output Frequency – General-Purpose I/O
    13. 7.13 Typical Characteristics – Outputs, Full Drive Strength (PxDS.y = 1)
    14. 7.14 Typical Characteristics – Outputs, Reduced Drive Strength (PxDS.y = 0)
    15. 7.15 Crystal Oscillator, XT1, Low-Frequency Mode
    16. 7.16 Crystal Oscillator, XT1, High-Frequency Mode
    17. 7.17 Crystal Oscillator, XT2
    18. 7.18 Internal Very-Low-Power Low-Frequency Oscillator (VLO)
    19. 7.19 Internal Reference, Low-Frequency Oscillator (REFO)
    20. 7.20 DCO Frequency
    21. 7.21 PMM, Brown-Out Reset (BOR)
    22. 7.22 PMM, Core Voltage
    23. 7.23 PMM, SVS High Side
    24. 7.24 PMM, SVM High Side
    25. 7.25 PMM, SVS Low Side
    26. 7.26 PMM, SVM Low Side
    27. 7.27 Wake-up Times From Low-Power Modes and Reset
    28. 7.28 Timer_A
    29. 7.29 Timer_B
    30. 7.30 USCI (UART Mode), Recommended Operating Conditions
    31. 7.31 USCI (UART Mode)
    32. 7.32 USCI (SPI Master Mode), Recommended Operating Conditions
    33. 7.33 USCI (SPI Master Mode)
    34. 7.34 USCI (SPI Slave Mode)
    35. 7.35 USCI (I2C Mode)
    36. 7.36 12-Bit ADC, Power Supply and Input Range Conditions
    37. 7.37 12-Bit ADC, Timing Parameters
    38. 7.38 12-Bit ADC, Linearity Parameters
    39. 7.39 12-Bit ADC, Temperature Sensor and Built-In VMID
    40. 7.40 REF, External Reference
    41. 7.41 REF, Built-In Reference
    42. 7.42 Flash Memory
    43. 7.43 JTAG and Spy-Bi-Wire Interface
  8. 8Detailed Description
    1. 8.1  CPU
    2. 8.2  Operating Modes
    3. 8.3  Interrupt Vector Addresses
    4. 8.4  Memory Organization
    5. 8.5  Bootstrap Loader (BSL)
    6. 8.6  JTAG Operation
      1. 8.6.1 JTAG Standard Interface
      2. 8.6.2 Spy-Bi-Wire Interface
    7. 8.7  Flash Memory
    8. 8.8  RAM
    9. 8.9  Peripherals
      1. 8.9.1  Digital I/O
      2. 8.9.2  Oscillator and System Clock
      3. 8.9.3  Power-Management Module (PMM)
      4. 8.9.4  Hardware Multiplier (MPY)
      5. 8.9.5  Real-Time Clock (RTC_A)
      6. 8.9.6  Watchdog Timer (WDT_A)
      7. 8.9.7  System Module (SYS)
      8. 8.9.8  DMA Controller
      9. 8.9.9  Universal Serial Communication Interface (USCI)
      10. 8.9.10 TA0
      11. 8.9.11 TA1
      12. 8.9.12 TB0
      13. 8.9.13 ADC12_A
      14. 8.9.14 CRC16
      15. 8.9.15 REF Voltage Reference
      16. 8.9.16 Embedded Emulation Module (EEM) (L Version)
      17. 8.9.17 Peripheral File Map
    10. 8.10 Input/Output Schematics
      1. 8.10.1  Port P1, P1.0 to P1.7, Input/Output With Schmitt Trigger
      2. 8.10.2  Port P2, P2.0 to P2.7, Input/Output With Schmitt Trigger
      3. 8.10.3  Port P3, P3.0 to P3.7, Input/Output With Schmitt Trigger
      4. 8.10.4  Port P4, P4.0 to P4.7, Input/Output With Schmitt Trigger
      5. 8.10.5  Port P5, P5.0 and P5.1, Input/Output With Schmitt Trigger
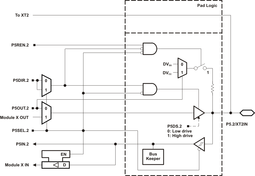
      6. 8.10.6  Port P5, P5.2, Input/Output With Schmitt Trigger
      7. 8.10.7  Port P5, P5.3, Input/Output With Schmitt Trigger
      8. 8.10.8  Port P5, P5.4 to P5.7, Input/Output With Schmitt Trigger
      9. 8.10.9  Port P6, P6.0 to P6.7, Input/Output With Schmitt Trigger
      10. 8.10.10 Port P7, P7.0, Input/Output With Schmitt Trigger
      11. 8.10.11 Port P7, P7.1, Input/Output With Schmitt Trigger
      12. 8.10.12 Port P7, P7.2 and P7.3, Input/Output With Schmitt Trigger
      13. 8.10.13 Port P7, P7.4 to P7.7, Input/Output With Schmitt Trigger
      14. 8.10.14 Port P8, P8.0 to P8.7, Input/Output With Schmitt Trigger
      15. 8.10.15 Port P9, P9.0 to P9.7, Input/Output With Schmitt Trigger
      16. 8.10.16 Port P10, P10.0 to P10.7, Input/Output With Schmitt Trigger
      17. 8.10.17 Port P11, P11.0 to P11.2, Input/Output With Schmitt Trigger
      18. 8.10.18 Port J, J.0 JTAG Pin TDO, Input/Output With Schmitt Trigger or Output
      19. 8.10.19 Port J, J.1 to J.3 JTAG Pins TMS, TCK, TDI/TCLK, Input/Output With Schmitt Trigger or Output
    11. 8.11 Device Descriptors (TLV)
  9. 9Device and Documentation Support
    1. 9.1 Device Support
      1. 9.1.1 Getting Started and Next Steps
      2. 9.1.2 Development Tools Support
        1. 9.1.2.1 Hardware Features
        2. 9.1.2.2 Recommended Hardware Options
          1. 9.1.2.2.1 Experimenter Boards
          2. 9.1.2.2.2 Debugging and Programming Tools
          3. 9.1.2.2.3 Production Programmers
        3. 9.1.2.3 Recommended Software Options
          1. 9.1.2.3.1 Integrated Development Environments
          2. 9.1.2.3.2 MSP430Ware
          3. 9.1.2.3.3 TI-RTOS
          4. 9.1.2.3.4 Command-Line Programmer
      3. 9.1.3 Device Nomenclature
    2. 9.2 Documentation Support
    3. 9.3 Support Resources
    4. 9.4 Trademarks
    5. 9.5 Electrostatic Discharge Caution
    6. 9.6 Export Control Notice
    7. 9.7 Glossary

封装选项

机械数据 (封装 | 引脚)
散热焊盘机械数据 (封装 | 引脚)
订购信息

Port P5, P5.2, Input/Output With Schmitt Trigger

GUID-60C81B30-152D-4049-97D0-68510ED76BC0-low.gif