SLAS703C April 2010 – September 2020 MSP430BT5190
PRODUCTION DATA

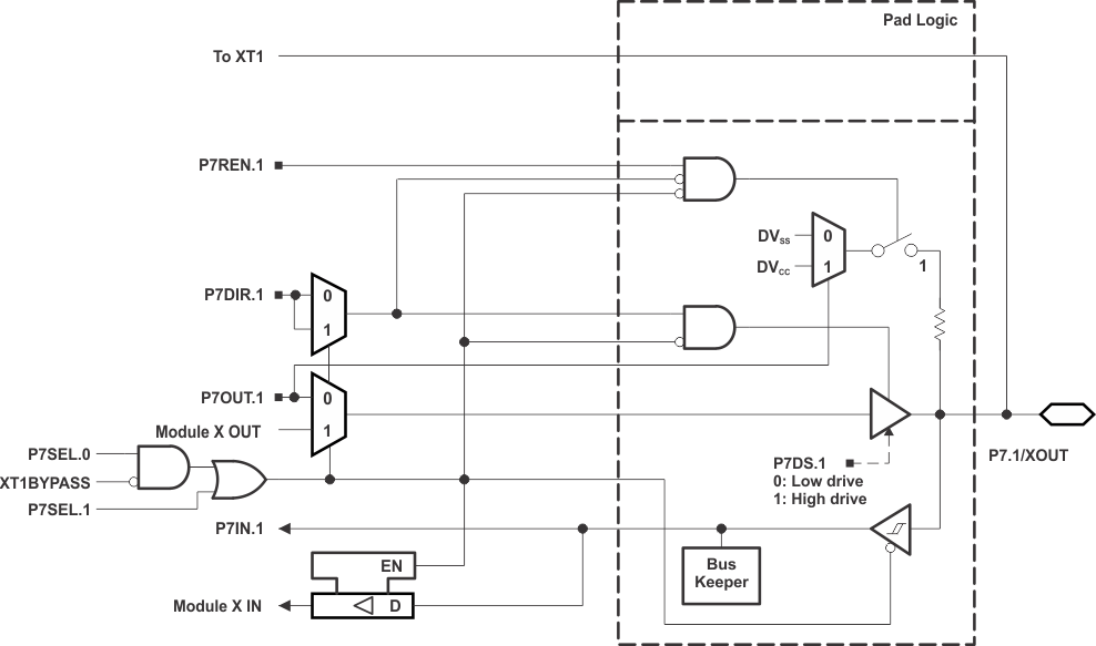
| PIN NAME (P7.x) | x | FUNCTION | CONTROL BITS OR SIGNALS(1) | |||
|---|---|---|---|---|---|---|
| P7DIR.x | P7SEL.0 | P7SEL.1 | XT1BYPASS | |||
| P7.0/XIN | 0 | P7.0 (I/O) | I: 0; O: 1 | 0 | X | X |
| XIN crystal mode(2) | X | 1 | X | 0 | ||
| XIN bypass mode(2) | X | 1 | X | 1 | ||
| P7.1/XOUT | 1 | P7.1 (I/O) | I: 0; O: 1 | 0 | 0 | X |
| XOUT crystal mode(3) | X | 1 | X | 0 | ||
| P7.1 (I/O)(3) | X | 1 | 0 | 1 | ||