ZHCSLY1E February   2020  – October 2025 LM61480-Q1 , LM61495-Q1 , LM62460-Q1

PRODUCTION DATA  

  1.   1
  2. 特性
  3. 应用
  4. 说明
  5. 器件比较表
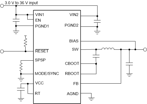
  6. 引脚配置和功能
  7. 规格
    1. 6.1 绝对最大额定值
    2. 6.2 ESD 等级
    3. 6.3 建议运行条件
    4. 6.4 热性能信息
    5. 6.5 电气特性
    6. 6.6 计时特点
    7. 6.7 开关特性
    8. 6.8 系统特性
    9. 6.9 典型特性
  8. 详细说明
    1. 7.1 概述
    2. 7.2 功能方框图
    3. 7.3 特性说明
      1. 7.3.1  输出电压选择
      2. 7.3.2  使能 EN 引脚和 VIN UVLO 用途
      3. 7.3.3  用于同步的 SYNC/MODE
      4. 7.3.4  时钟锁定
      5. 7.3.5  可调开关频率
      6. 7.3.6  RESET 输出运行
      7. 7.3.7  内部 LDO、VCC UVLO 和 BIAS 输入
      8. 7.3.8  自举电压和 VCBOOT-UVLO(CBOOT 引脚)
      9. 7.3.9  SW 节点压摆率可调
      10. 7.3.10 展频
      11. 7.3.11 软启动和从压降中恢复
      12. 7.3.12 过流和短路保护
      13. 7.3.13 断续
      14. 7.3.14 热关断
    4. 7.4 器件功能模式
      1. 7.4.1 关断模式
      2. 7.4.2 待机模式
      3. 7.4.3 工作模式
        1. 7.4.3.1 峰值电流模式运行
        2. 7.4.3.2 自动模式运行
          1. 7.4.3.2.1 二极管仿真
        3. 7.4.3.3 FPWM 模式运行
        4. 7.4.3.4 最短导通时间(高输入电压)运行
        5. 7.4.3.5 压降
        6. 7.4.3.6 从压降中恢复
        7. 7.4.3.7 其他故障模式
  9. 应用和实施
    1. 8.1 应用信息
    2. 8.2 典型应用
      1. 8.2.1 设计要求
      2. 8.2.2 详细设计过程
        1. 8.2.2.1  选择开关频率
        2. 8.2.2.2  设置输出电压
        3. 8.2.2.3  电感器选型
        4. 8.2.2.4  输出电容器选型
        5. 8.2.2.5  输入电容器选型
        6. 8.2.2.6  BOOT 电容器
        7. 8.2.2.7  启动电阻器
        8. 8.2.2.8  VCC
        9. 8.2.2.9  CFF 和 RFF 选择
        10. 8.2.2.10 RSPSP 选择
        11. 8.2.2.11 RT 选择
        12. 8.2.2.12 RMODE 选择
        13. 8.2.2.13 外部 UVLO
        14. 8.2.2.14 最高环境温度
      3. 8.2.3 应用曲线
    3. 8.3 电源相关建议
    4. 8.4 布局
      1. 8.4.1 布局指南
        1. 8.4.1.1 接地及散热注意事项
      2. 8.4.2 布局示例
  10. 器件和文档支持
    1. 9.1 器件支持
      1. 9.1.1 第三方产品免责声明
    2. 9.2 文档支持
      1. 9.2.1 相关文档
    3. 9.3 接收文档更新通知
    4. 9.4 支持资源
    5. 9.5 商标
    6. 9.6 静电放电警告
    7. 9.7 术语表
  11. 10修订历史记录
  12. 11机械、封装和可订购信息

封装选项

机械数据 (封装 | 引脚)
散热焊盘机械数据 (封装 | 引脚)
订购信息

说明

LM6x4xx-Q1 降压稳压器系列是面向汽车的稳压器,可提供固定或可调节输出电压(可设置范围为 1V 至预期输入电压的 95%)。这些稳压器可在宽输入电压范围(3V 至 36V)内工作,可承受高达 42V 的瞬态容差。

该系列专为低 EMI 设计。该器件具有可选择引脚的展频和可调节的 SW 节点上升时间。双随机展频 (DRSS) 跳频设置为 ±4%(典型值),可通过三角调制与假随机调制的组合大幅降低峰值发射,并采用先进的技术来减少展频调制导致的输出电压纹波。

开漏 RESET 输出具有滤波和延迟释放功能,可提供正确的系统状态指示。在自动模式中,器件自动在固定频率脉宽调制 (FPWM) 和脉冲频率调制 (PFM) 运行模式之间转换,从而实现仅 5µA(典型值)的空载电流消耗。电气特性额定结温范围为 –40°C 至 +150°C。

器件信息
器件型号(3) 封装(1) 封装尺寸(2)
LM61495-Q1 RPH (VQFN-HR, 16) 4.5mm × 3.5mm
LM61480-Q1
LM62460-Q1
有关更多信息,请参阅 节 11
封装尺寸(长 × 宽)为标称值,并包括引脚(如适用)。
请参阅器件比较表
LM61480-Q1 LM61495-Q1 LM62460-Q1 简化版原理图简化版原理图
LM61480-Q1 LM61495-Q1 LM62460-Q1 EVM 效率:,VOUT = 5V,FSW = 2.2 MHzEVM 效率:,VOUT = 5V,FSW = 2.2 MHz