ZHCSIS6B September   2018  – December 2018 ADS1278-SP

PRODUCTION DATA.  

  1. 特性
  2. 应用
  3. 说明
    1.     Device Images
      1.      简化原理图
  4. 修订历史记录
  5. 说明 (续)
  6. Pin Configuration and Functions
    1.     Pin Functions
  7. Specifications
    1. 7.1 Absolute Maximum Ratings
    2. 7.2 ESD Ratings
    3. 7.3 Recommended Operating Conditions
    4. 7.4 Thermal Information
    5. 7.5 Electrical Characteristics
    6. 7.6 Timing Requirements: SPI Format
    7. 7.7 Timing Requirements: Frame-Sync Format
    8. 7.8 Quality Conformance Inspection
    9. 7.9 Typical Characteristics
  8. Detailed Description
    1. 8.1 Overview
    2. 8.2 Functional Block Diagram
    3. 8.3 Feature Description
      1. 8.3.1  Sampling Aperture Matching
      2. 8.3.2  Frequency Response
        1. 8.3.2.1 High-Speed, Low-Power, And Low-Speed Modes
        2. 8.3.2.2 High-Resolution Mode
      3. 8.3.3  Phase Response
      4. 8.3.4  Settling Time
      5. 8.3.5  Data Format
      6. 8.3.6  Analog Inputs (AINP, AINN)
      7. 8.3.7  Voltage Reference Inputs (VREFP, VREFN)
      8. 8.3.8  Clock Input (CLK)
      9. 8.3.9  Mode Selection (MODE)
      10. 8.3.10 Synchronization (SYNC)
      11. 8.3.11 Power-Down (PWDN)
      12. 8.3.12 Format[2:0]
      13. 8.3.13 Serial Interface Protocols
      14. 8.3.14 SPI Serial Interface
        1. 8.3.14.1 SCLK
        2. 8.3.14.2 DRDY/FSYNC (SPI Format)
        3. 8.3.14.3 DOUT
        4. 8.3.14.4 DIN
      15. 8.3.15 Frame-Sync Serial Interface
        1. 8.3.15.1 SCLK
        2. 8.3.15.2 DRDY/FSYNC (Frame-Sync Format)
        3. 8.3.15.3 DOUT
        4. 8.3.15.4 DIN
      16. 8.3.16 DOUT Modes
        1. 8.3.16.1 TDM Mode
        2. 8.3.16.2 TDM Mode, Fixed-Position Data
        3. 8.3.16.3 TDM Mode, Dynamic Position Data
        4. 8.3.16.4 Discrete Data Output Mode
      17. 8.3.17 Daisy-Chaining
      18. 8.3.18 Modulator Output
      19. 8.3.19 Pin Test Using Test[1:0] Inputs
      20. 8.3.20 VCOM Output
    4. 8.4 Device Functional Modes
  9. Application and Implementation
    1. 9.1 Application Information
    2. 9.2 Typical Application
      1. 9.2.1 Design Requirements
      2. 9.2.2 Detailed Design Procedure
      3. 9.2.3 Application Curve
  10. 10Power Supply Recommendations
  11. 11Layout
    1. 11.1 Layout Guidelines
    2. 11.2 Layout Example
  12. 12器件和文档支持
    1. 12.1 接收文档更新通知
    2. 12.2 社区资源
    3. 12.3 商标
    4. 12.4 静电放电警告
    5. 12.5 术语表
  13. 13机械、封装和可订购信息

封装选项

机械数据 (封装 | 引脚)
散热焊盘机械数据 (封装 | 引脚)
订购信息

Analog Inputs (AINP, AINN)

The ADS1278-SP measures each differential input signal VIN = (AINP – AINN) against the common differential reference VREF = (VREFP – VREFN). The most positive measurable differential input is +VREF, which produces the most positive digital output code of 7FFFFFh. Likewise, the most negative measurable differential input is –VREF, which produces the most negative digital output code of 800000h.

For optimum performance, the inputs of the ADS1278-SP are intended to be driven differentially. For single-ended applications, one of the inputs (AINP or AINN) can be driven while the other input is fixed (typically to AGND or 2.5 V). Fixing the input to 2.5 V permits bipolar operation, thereby allowing full use of the entire converter range.

While the ADS1278-SP measures the differential input signal, the absolute input voltage is also important. This value is the voltage on either input (AINP or AINN) with respect to AGND. The range for this voltage is:

–0.1 V < (AINN or AINP) < AVDD + 0.1 V

If either input is taken below –0.4 V or above (AVDD + 0.4 V), ESD protection diodes on the inputs may turn on. If these conditions are possible, external Schottky clamp diodes or series resistors may be required to limit the input current to safe values (see the Absolute Maximum Ratings table).

The ADS1278-SP is a very high-performance ADC. For optimum performance, it is critical that the appropriate circuitry be used to drive the ADS1278-SP inputs. See the Application Information section for several recommended circuits.

The ADS1278-SP uses switched-capacitor circuitry to measure the input voltage. Internal capacitors are charged by the inputs and then discharged. Figure 63 shows a conceptual diagram of these circuits. Switch S2 represents the net effect of the modulator circuitry in discharging the sampling capacitor; the actual implementation is different. The timing for switches S1 and S2 is shown in Figure 64. The sampling time (tSAMPLE) is the inverse of modulator sampling frequency (fMOD) and is a function of the mode, the CLKDIV input, and CLK frequency, as shown in Table 4.

ADS1278-SP ai_eqivanaincir-bas367.gifFigure 63. Equivalent Analog Input Circuitry
ADS1278-SP ai_s1s2_time-bas367.gifFigure 64. S1 and S2 Switch Timing for Figure 63

Table 4. Modulator Frequency (FMOD) Mode Selection

MODE SELECTION CLKDIV fMOD
High-Speed 1 fCLK / 4
High-Resolution 1 fCLK / 4
Low-Power 1 fCLK / 8
0 fCLK / 4
Low-Speed 1 fCLK / 40
0 fCLK / 8

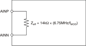
The average load presented by the switched capacitor input can be modeled with an effective differential impedance, as shown in Figure 65. Note that the effective impedance is a function of fMOD.

ADS1278-SP ai_effinimp-bas367.gifFigure 65. Effective Input Impedances