ZHCY146A April   2021  – December 2023 LM25149 , LM25149-Q1 , LM5156-Q1 , LM5157-Q1 , LM53635-Q1 , LM60440-Q1 , LM61460-Q1 , LM61495-Q1 , LMQ62440-Q1 , LMR33630-Q1 , LMS3655-Q1 , TPS55165-Q1 , UCC12040 , UCC12050

 

  1.   1
  2.   概述
  3.   内容概览
  4.   什么是 EMI?
  5.   在低频和高频范围内降低 EMI 的传统方法
  6.   降低低频发射的创新技术
  7.   展频
  8.   有源 EMI 滤波
  9.   消除绕组
  10.   降低高频发射的创新技术
  11.   HotRod™ 封装
  12.   增强型 HotRod QFN
  13.   集成式输入旁路电容器
  14.   有效的压摆率控制
  15.   EMI 建模功能
  16.   采用 WEBENCH® 设计工具的低频 EMI 设计
  17.   数据表中发布的传导和辐射 EMI 结果
  18.   结语
  19.   低 EMI 的主要产品类别

消除绕组

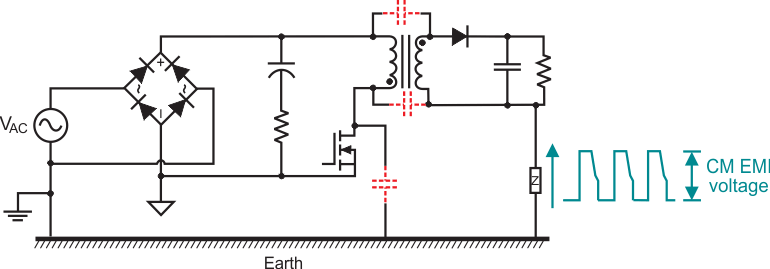
与非隔离式转换器不同,跨越隔离边界的额外发射路径是导致隔离式转换器共模 (CM) EMI 的主要原因。下一页上的图 15 展示了标准反激式转换器中的隔离变压器存在寄生电容。CM 电流可通过与每个开关节点关联的寄生电容从初级侧直接流入大地。CM 电流还由于绕组之间的寄生电容而从初级侧流至次级侧,从而导致测量的 CM EMI 增大。通常,您可以通过在输入电源路径中使用较大的 CM 扼流圈来降低这种额外的干扰。

GUID-20231208-SS0I-JGFW-KDKL-02R5SFPZDZHD-low.gif图 15 在反激式转换器中产生寄生效应的 CM EMI。

为了帮助更大程度地减小无源滤波器件的尺寸,用于高功率密度 5V 至 20V 交流/直流适配器且采用硅 FET 的 65W 有源钳位反激式参考设计针对隔离式转换器采用了消除绕组和屏蔽的方法。如图 16 所示,一种经改进的内部变压器结构在内部初级层和次级层之间插入了一个额外的辅助绕组层(以黑色显示),以实现 CM 平衡。辅助 CM 平衡层屏蔽了内部的半初级层与次级层之间的界面,有助于生成消除 CM 电压,以消除来自外部半初级层的 CM 注入。通过均衡从辅助绕组和初级外层到次级层的寄生电容,可帮助消除从外部半初级层注入到次级层的 CM 电流(通过从消除层注入反相 CM 电流)。净效应(流入次级层的 CM 电流几乎为零)降低了 CM 发射,从而使用超少的 CM 滤波器件即可让设计满足 EMI 频谱标准要求。

GUID-20231208-SS0I-4QJT-4FCC-JX09SD4ZP1VW-low.gif图 16 使用屏蔽和消除绕组来降低反激式转换器中的 EMI。