ZHCU433A January   2018  – May 2025 ISOM8610

 

  1.   1
  2.   说明
  3.   资源
  4.   特性
  5.   应用
  6.   6
  7. 1系统说明
    1. 1.1 主要系统规格
  8. 2系统概述
    1. 2.1 方框图
    2. 2.2 重点产品
      1. 2.2.1 ISO121x
      2. 2.2.2 SN74LV165A
      3. 2.2.3 SN74LVC1GU04
      4. 2.2.4 TVS3300
      5. 2.2.5 ISOM8600
    3. 2.3 系统设计原理
      1. 2.3.1 数字输入级
      2. 2.3.2 断线检测
        1. 2.3.2.1 案例 1:导线完好且输入状态为 “1”
        2. 2.3.2.2 案例 2:导线完好且输入状态为 “0”
        3. 2.3.2.3 案例 3:断线
      3. 2.3.3 数字输出的读数
  9. 3硬件、软件、测试要求和测试结果
    1. 3.1 所需的硬件和软件
      1. 3.1.1 硬件
      2. 3.1.2 软件
    2. 3.2 测试和结果
      1. 3.2.1 测试设置
      2. 3.2.2 测试结果
        1. 3.2.2.1 组通道配置
        2. 3.2.2.2 单通道配置
      3. 3.2.3 结语
  10. 4设计文件
    1. 4.1 原理图
    2. 4.2 物料清单
    3. 4.3 PCB 布局建议
      1. 4.3.1 布局图
    4. 4.4 Altium 工程
    5. 4.5 Gerber 文件
    6. 4.6 装配图
  11. 5软件文件
  12. 6相关文档
    1. 6.1 商标
  13. 7作者简介
    1. 7.1 鸣谢
  14. 8修订历史记录

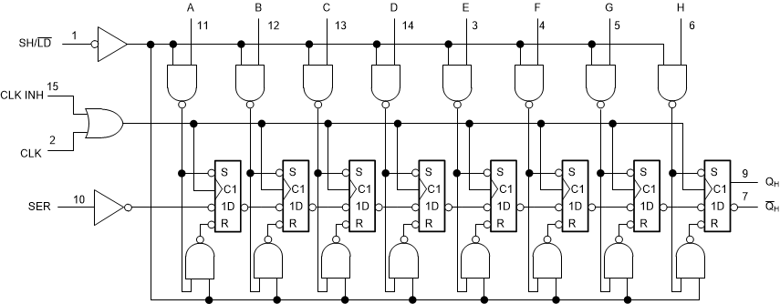
SN74LV165A

SN74LV165A 器件是并行负载 8 位移位寄存器,可在 2V 至 5.5V VCC 下运行。

器件计时时,数据通过串行输出 QH 传输。当移位/负载 (SH/LD) 输入为低电平时,可支持八个单独的直接数据输入,从而实现在每个级的并行输入。SN74LV165A 器件具有时钟抑制功能和补充串行输出 QH。

图 2-3 展示了 SN74LV165A 的功能方框图。

TIDA-01509 SN74LV165A 的功能方框图图 2-3 SN74LV165A 的功能方框图