ZHCSF47E June   2016  – December 2017 TAS2560

PRODUCTION DATA.  

  1. 特性
  2. 应用
  3. 说明
    1.     简化原理图
  4. 修订历史记录
  5. Device Comparison Table
  6. Pin Configuration and Functions
    1.     Pin Functions
  7. Specifications
    1. 7.1  Absolute Maximum Ratings
    2. 7.2  ESD Ratings
    3. 7.3  Recommended Operating Conditions
    4. 7.4  Thermal Information
    5. 7.5  Electrical Characteristics
    6. 7.6  I2C Timing Requirements
    7. 7.7  I2S/LJF/RJF Timing in Master Mode
    8. 7.8  I2S/LJF/RJF Timing in Slave Mode
    9. 7.9  DSP Timing in Master Mode
    10. 7.10 DSP Timing in Slave Mode
    11. 7.11 PDM Timing
    12. 7.12 Typical Characteristics
  8. Parameter Measurement Information
  9. Detailed Description
    1. 9.1 Overview
    2. 9.2 Functional Block Diagram
    3. 9.3 Feature Description
      1. 9.3.1  General I2C Operation
      2. 9.3.2  Single-Byte and Multiple-Byte Transfers
      3. 9.3.3  Single-Byte Write
      4. 9.3.4  Multiple-Byte Write and Incremental Multiple-Byte Write
      5. 9.3.5  Single-Byte Read
      6. 9.3.6  Multiple-Byte Read
      7. 9.3.7  PLL
      8. 9.3.8  Clock Distribution
      9. 9.3.9  Clock Error Detection
      10. 9.3.10 Class-D Edge Rate Control
      11. 9.3.11 IV Sense
      12. 9.3.12 Boost Control
      13. 9.3.13 Thermal Fold-back
      14. 9.3.14 Battery Guard AGC
      15. 9.3.15 Configurable Boost Current Limit (ILIM)
      16. 9.3.16 Fault Protection
        1. 9.3.16.1 Speaker Over-Current
        2. 9.3.16.2 Analog Under-Voltage
        3. 9.3.16.3 Die Over-Temperature
        4. 9.3.16.4 Clocking Faults
        5. 9.3.16.5 Brownout
      17. 9.3.17 Spread Spectrum vs Synchronized
      18. 9.3.18 IRQs and Flags
      19. 9.3.19 CRC checksum for I2C
      20. 9.3.20 PurePath Console 3 Software TAS2560 Application
    4. 9.4 Device Functional Modes
      1. 9.4.1 Audio Digital I/O Interface
        1. 9.4.1.1 I2S Mode
        2. 9.4.1.2 DSP Mode
        3. 9.4.1.3 DSP Time Slot Mode
        4. 9.4.1.4 Right-Justified Mode (RJF)
        5. 9.4.1.5 Left-Justified Mode (LJF)
        6. 9.4.1.6 Mono PCM Mode
        7. 9.4.1.7 Stereo Application Example - TDM Mode
      2. 9.4.2 PDM MODE
    5. 9.5 Operational Modes
      1. 9.5.1 Hardware Shutdown
      2. 9.5.2 Software Shutdown
      3. 9.5.3 Low Power Sleep
      4. 9.5.4 Software Reset
      5. 9.5.5 Device Processing Modes
        1. 9.5.5.1 Mode 1 - PCM input playback only
        2. 9.5.5.2 Mode 2 - PCM input playback + PCM IVsense output
        3. 9.5.5.3 Mode 2 96k
        4. 9.5.5.4 Mode 3 - PCM input playback + PDM IVsense output
        5. 9.5.5.5 Mode 4 - PDM input playback only
        6. 9.5.5.6 Mode 5 - PDM input playback + PDM IVsense output
    6. 9.6 Programming
      1. 9.6.1 Device Power Up and Un-mute Sequence 8Ω load
      2. 9.6.2 Device Power Up and Un-mute Sequence 4Ω or 6Ω load
      3. 9.6.3 Mute and Device Power Down Sequence
    7. 9.7 Register Map
      1. 9.7.1  Register Map Summary
        1. 9.7.1.1 Register Summary Table
      2. 9.7.2  PAGE (book=0x00 page=0x00 address=0x00) [reset=0h]
        1. Table 60. Page Select Field Descriptions
      3. 9.7.3  RESET (book=0x00 page=0x00 address=0x01) [reset=0h]
        1. Table 61. Software Reset Field Descriptions
      4. 9.7.4  MODE (book=0x00 page=0x00 address=0x02) [reset=1h]
        1. Table 62. Mode Control Field Descriptions
      5. 9.7.5  SPK_CTRL (book=0x00 page=0x00 address=0x04) [reset=5Fh]
        1. Table 63. Speaker Control Field Descriptions
      6. 9.7.6  PWR_CTRL_2 (book=0x00 page=0x00 address=0x05) [reset=0h]
        1. Table 64. Power Up Control 2 Field Descriptions
      7. 9.7.7  PWR_CTRL_1 (book=0x00 page=0x00 address=0x07) [reset=0h]
        1. Table 65. Power Up Control 1 Field Descriptions
      8. 9.7.8  RAMP_CTRL (book=0x00 page=0x00 address=0x08) [reset=1h]
        1. Table 66. Class Field Descriptions
      9. 9.7.9  EDGE_ISNS_BOOST (book=0x00 page=0x00 address=0x09) [reset=83h]
        1. Table 67. Edge Rate, Isense Scale, Boost limit Field Descriptions
      10. 9.7.10 PLL_CLKIN (book=0x00 page=0x00 address=0x0F) [reset=41h]
        1. Table 68. PLL Clock Input Control Field Descriptions
      11. 9.7.11 PLL_JVAL (book=0x00 page=0x00 address=0x10) [reset=4h]
        1. Table 69. PLL J Multiplier Control Field Descriptions
      12. 9.7.12 PLL_DVAL_1 (book=0x00 page=0x00 address=0x11) [reset=0h]
        1. Table 70. PLL Fractional Multiplier D Val MSB Field Descriptions
      13. 9.7.13 PLL_DVAL_2 (book=0x00 page=0x00 address=0x12) [reset=0h]
        1. Table 71. PLL Fractional Multiplier D Val LSB Field Descriptions
      14. 9.7.14 ASI_FORMAT (book=0x00 page=0x00 address=0x14) [reset=2h]
        1. Table 72. ASI Mode Control Field Descriptions
      15. 9.7.15 ASI_CHANNEL (book=0x00 page=0x00 address=0x15) [reset=0h]
        1. Table 73. ASI Channel Control Field Descriptions
      16. 9.7.16 ASI_OFFSET_1 (book=0x00 page=0x00 address=0x16) [reset=0h]
        1. Table 74. ASI Offset Field Descriptions
      17. 9.7.17 ASI_OFFSET_2 (book=0x00 page=0x00 address=0x17) [reset=0h]
        1. Table 75. ASI Offset Second Slot Field Descriptions
      18. 9.7.18 ASI_CFG_1 (book=0x00 page=0x00 address=0x18) [reset=0h]
        1. Table 76. ASI Configuration Field Descriptions
      19. 9.7.19 ASI_DIV_SRC (book=0x00 page=0x00 address=0x19) [reset=0h]
        1. Table 77. ASI BDIV Clock Input Field Descriptions
      20. 9.7.20 ASI_BDIV (book=0x00 page=0x00 address=0x1A) [reset=1h]
        1. Table 78. ASI BDIV Configuration Field Descriptions
      21. 9.7.21 ASI_WDIV (book=0x00 page=0x00 address=0x1B) [reset=40h]
        1. Table 79. ASI WDIV Configuration Field Descriptions
      22. 9.7.22 PDM_CFG (book=0x00 page=0x00 address=0x1C) [reset=0h]
        1. Table 80. PDM Configuration Field Descriptions
      23. 9.7.23 PDM_DIV (book=0x00 page=0x00 address=0x1D) [reset=8h]
        1. Table 81. PDM Divider Configuration Field Descriptions
      24. 9.7.24 DSD_DIV (book=0x00 page=0x00 address=0x1E) [reset=8h]
        1. Table 82. DSD Divider Configuration Field Descriptions
      25. 9.7.25 CLK_ERR_1 (book=0x00 page=0x00 address=0x21) [reset=3h]
        1. Table 83. Clock Error and DSP memory Reload Field Descriptions
      26. 9.7.26 CLK_ERR_2 (book=0x00 page=0x00 address=0x22) [reset=3Fh]
        1. Table 84. Clock Error Configuration Field Descriptions
      27. 9.7.27 IRQ_PIN_CFG (book=0x00 page=0x00 address=0x23) [reset=21h]
        1. Table 85. Interrupt Pin Configuration Field Descriptions
      28. 9.7.28 INT_CFG_1 (book=0x00 page=0x00 address=0x24) [reset=0h]
        1. Table 86. Interrupt Configuration 1 Field Descriptions
      29. 9.7.29 INT_CFG_2 (book=0x00 page=0x00 address=0x25) [reset=0h]
        1. Table 87. Interrupt Configuration 2 Field Descriptions
      30. 9.7.30 INT_DET_1 (book=0x00 page=0x00 address=0x26) [reset=0h]
        1. Table 88. Interrupt Detected 1 Field Descriptions
      31. 9.7.31 INT_DET_2 (book=0x00 page=0x00 address=0x27) [reset=0h]
        1. Table 89. Interrupt Detected 2 Field Descriptions
      32. 9.7.32 STATUS_POWER (book=0x00 page=0x00 address=0x2A) [reset=0h]
        1. Table 90. Status Block Power Field Descriptions
      33. 9.7.33 SAR_VBAT_MSB (book=0x00 page=0x00 address=0x2D) [reset=C0h]
        1. Table 91. SAR VBAT Measurement MSB Field Descriptions
      34. 9.7.34 SAR_VBAT_LSB (book=0x00 page=0x00 address=0x2E) [reset=0h]
        1. Table 92. SAR VBAT Measurement LSB Field Descriptions
      35. 9.7.35 DIE_TEMP_SENSOR (book=0x00 page=0x00 address=0x31) [reset=0h]
        1. Table 93. Die Temperature Sensor Field Descriptions
      36. 9.7.36 LOW_PWR_MODE (book=0x00 page=0x00 address=0x35) [reset=0h]
        1. Table 94. Low Power Configuration Field Descriptions
      37. 9.7.37 PCM_RATE (book=0x00 page=0x00 address=0x36) [reset=32h]
        1. Table 95. PCM Sample Rate Field Descriptions
      38. 9.7.38 CLOCK_ERR_CFG_1 (book=0x00 page=0x00 address=0x4F) [reset=0h]
        1. Table 96. Clock Error Configuration 1 Field Descriptions
      39. 9.7.39 CLOCK_ERR_CFG_2 (book=0x00 page=0x00 address=0x50) [reset=11h]
        1. Table 97. Clock Error Configuration 2 Field Descriptions
      40. 9.7.40 PROTECTION_CFG_1 (book=0x00 page=0x00 address=0x58) [reset=3h]
        1. Table 98. Class Field Descriptions
      41. 9.7.41 CRC_CHECKSUM (book=0x00 page=0x00 address=0x7E) [reset=0h]
        1. Table 99. Checksum Field Descriptions
      42. 9.7.42 BOOK (book=0x00 page=0x00 address=0x7F) [reset=0h]
        1. Table 100. Book Selection Field Descriptions
  10. 10Application and Implementation
    1. 10.1 Application Information
    2. 10.2 Typical Applications
      1. 10.2.1 Design Requirements
        1. 10.2.1.1 Detailed Design Procedure
          1. 10.2.1.1.1 Mono/Stereo Configuration
          2. 10.2.1.1.2 Boost Converter Passive Devices
          3. 10.2.1.1.3 EMI Passive Devices
          4. 10.2.1.1.4 Miscellaneous Passive Devices
      2. 10.2.2 Application Performance Plots
    3. 10.3 Initialization Set Up
  11. 11Power Supply Recommendations
    1. 11.1 Power Supplies
    2. 11.2 Power Supply Sequencing
      1. 11.2.1 Boost Supply Details
  12. 12Layout
    1. 12.1 Layout Guidelines
    2. 12.2 Layout Example
  13. 13器件和文档支持
    1. 13.1 文档支持
    2. 13.2 社区资源
    3. 13.3 商标
    4. 13.4 静电放电警告
    5. 13.5 Glossary
  14. 14机械、封装和可订购信息
    1. 14.1 封装尺寸

封装选项

请参考 PDF 数据表获取器件具体的封装图。

机械数据 (封装 | 引脚)
  • YFF|30
散热焊盘机械数据 (封装 | 引脚)
订购信息

IV Sense

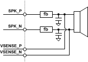
The TAS2560 provides speaker voltage and current sense for real-time monitoring of loudspeaker behavior. The VSNS_P and VSNS_N pins should be connected after any ferrite bead filter (or directly to the OUT_P and OUT_N connections if no EMI filter is used). The V-Sense connections eliminate IR drop error due to packaging, PCB interconnect or ferrite bead filter resistance. The V-sense connections are also used for post filter Class-D feedback to correct for any IR-drop induced gain error or non-linearities due to the ferrite bead. It should be noted that any interconnect resistance after the V-Sense terminals will not be corrected for. Therefore, it is advised to connect the sense connections as close to the load as possible. Additionally, the v-sense pins are used the close the feedback loop on the Class-D amplifier externally. This Post-Filter Feedback (PFFB) minimized the THD introduced from the filter-beads used in the system.

TAS2560 vsns_connect.gifFigure 31. V-Sense Connections

The I-Sense can be configured for three ranges and shown in Table 14. This should be set appropriately based on the DC resistance of the speaker. I-Sense and V-Sense can additionally be powered down as shown in Table 15 and Table 16. When powered down, the device will return null samples for the powered down sense channels.

Table 14. I-Sense Current Range

EDGE_ISNS_BOOST[4:3] (ISNS_SCALE) Full Scale Current Speaker Load Impedance
00 1.25 A (default) 8 Ω
01 1.5 A 6 Ω
10 1.75 A 4 Ω
11 Reserved Reserved

Table 15. I-Sense Power Down

PWR_CTRL_1[2] (MUTE_ISNS) Setting
0 I-Sense is active (default)
1 I-Sense is powered down

Table 16. V-Sense Power Down

PWR_CTRL_1[1] (MUTE_VSNS) Setting
0 V-Sense is active (default)
1 V-Sense is powered down